EasyManua.ls Logo

Sony CA-550 - Page 18

Sony CA-550
114 pages
Print Icon
To Next Page IconTo Next Page
To Next Page IconTo Next Page
To Previous Page IconTo Previous Page
To Previous Page IconTo Previous Page
Loading...
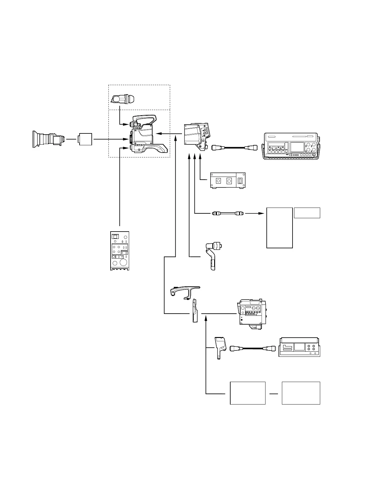
1-12 (E)
CA-550
CA-550P
CCD UNIT
OHB-450/450P
OHB-451/451P
OHB-550/550P
OHB-550W/550WP
ENG/EFP LENS
1.5" VF(BVF-10/10CE)
COLOR VIDEO CAMERA
BVP-550/550P
CAMERA ADAPTOR
CA-550/550P
CCZ CABLE
DIGITAL VIDEO CASSETTE
RECORDER
DVW-250/250P
AC ADAPTOR
AC-550/550P
CCA-5 CABLE
(max. 50m)
RETURN VIDEO
SELECTOR
CAC-6
REMOTE
CONTROL
PANEL
RCP-700
RCP-701
RCP-720
RCP-721
RCP-740
RCP-741
VIDEO CASSETTE
RECORDER
BVV-5/5PS
CCZ CABLE
VTR
CAMERA
ADAPTOR
CAMERA ADAPTOR
CA-3A
BETACAM
ADAPTOR
CA-553
REMOTE
CONTROL
UNIT
RM-P9
MASTER
SETUP
UNIT
MSU-700
CA-57A/57AP
CA-55A/55AP
CA-50A/50AP
CAMERA
CONTROL
UNIT
CCU-370/370P
CCU-355/355P
CCU-350/350P
1-5. Instance of Sytem Configuration

Table of Contents

Related product manuals