EasyManua.ls Logo

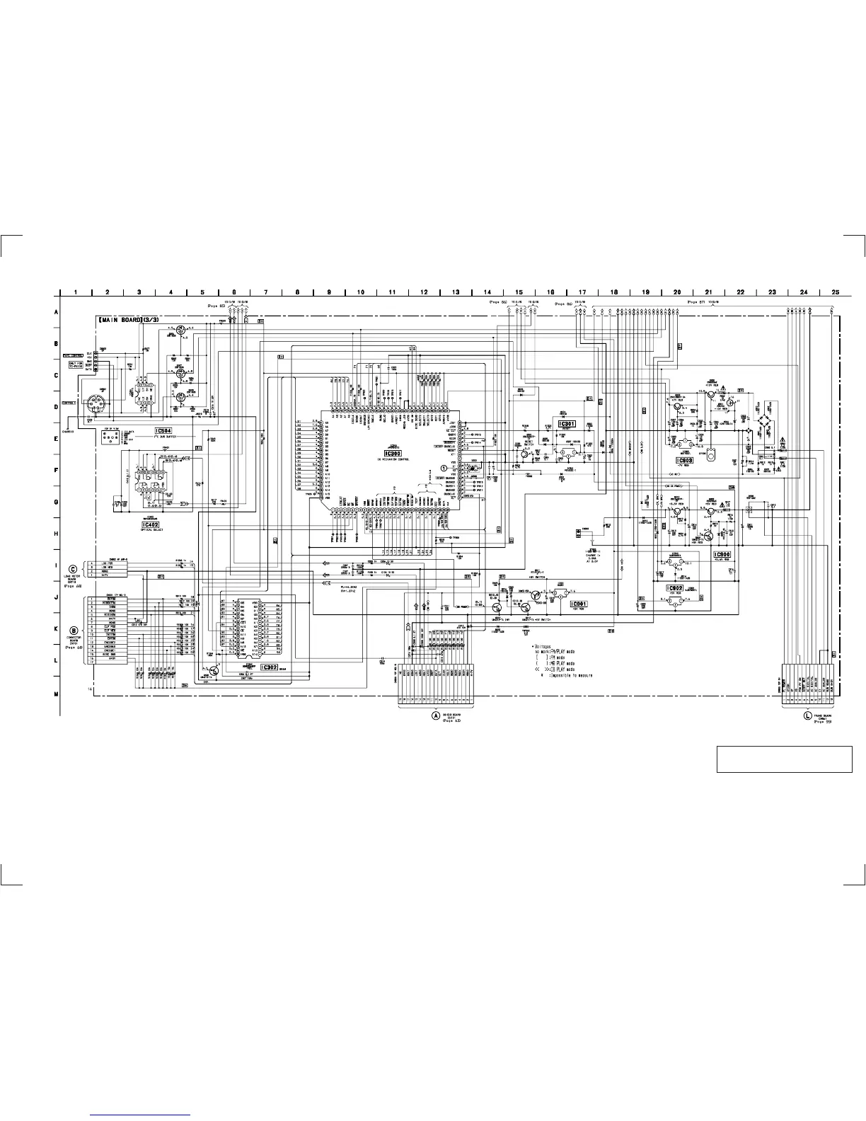
Sony HCD-MD555 - Schematic Diagram - Main Section (3;3)

Sony HCD-MD555
124 pages
Print Icon
To Next Page IconTo Next Page
To Next Page IconTo Next Page
To Previous Page IconTo Previous Page
To Previous Page IconTo Previous Page
Loading...
HCD-MD555
— 89 — — 90 —
7-17. SCHEMATIC DIAGRAM — MAIN SECTION (3/3) —
• Refer to page 83 for Printed Wiring Board. • Refer to page 104 for Waveforms.
• Refer to page 109 for IC Block Diagrams. • Refer to page 121, 122 for IC Pin Function Description.
The components identified by mark ! or dotted
line with mark ! are critical for safety.
Replace only with part number specified.

Table of Contents

Related product manuals