EasyManua.ls Logo

Sony HCD-MD555 - Audio Section

Sony HCD-MD555
124 pages
Print Icon
To Next Page IconTo Next Page
To Next Page IconTo Next Page
To Previous Page IconTo Previous Page
To Previous Page IconTo Previous Page
Loading...
HCD-MD555
— AUDIO SECTION —
— 57 — — 58 —
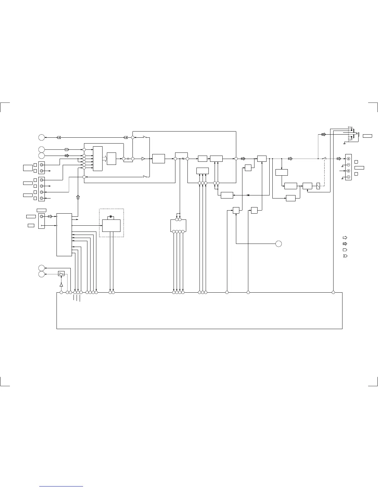
TUNER UNIT
MD REC L
C
(PAGE 54)
MD PLAY L
D
CD PLAY L
B
L
R
L
R
L
R
DVD/
VIDEO IN
TAPE IN
TAPE OUT
J100
J101
R-CH
R-CH
R-CH
FM 75
AM
FM
AM
L OUT
COMP
R OUT
D OUT
D IN
CLK
CE
ST MUTE
STEREO
TUNED
ANTENNA
64
69
68
67
66
65
INF2
INA2
INB2
INC2
IND2
INE2
INPUT
SELECT
LPF O
61 62
LPF 1
SOUND
CONTROL
GRAPHIC
0dB/5dB
AMP
EQUALIZER
57
RECB2
58
RECA2
F OUT2
42 41
VOL IN2
VOLUME
CONTROL
BASS BOOST
CONTROL
CPU
INTERFACE
32 34 39 3833
DATA
CLOCK
LATCH
BB A2
BB B2
BUF OUT2
AUDIO
CONTROL
IC100
36
FEED BACK
SWITCH
Q100
MUTE
Q101
MUTE
CONT
MUTE
CONT
POWER
AMP
IC801
Q101
Q510,511
Q505
D151
OVER LOAD
DETECT
Q801
OVER LOAD
DETECT
SWITCH
Q833
DC IN
DETECT
Q831,832
RELAY
DRIVE
Q830,834,835
RY800
J20
PHONES
TB800
R CH
SPEAKER
R CH
31
TUNED
30
STEREO
29
ST MUTE
32
ST CE
35
ST CLK
33
ST DOUT
34
ST DIN
RDS
AEP, UK MODEL
IC630,631
X630
4.332MHz
R-CH
SPEANA
IC502
17 16 15 14
4 3
SYSTEM CONTROL
IC500 (1/2)
18
RDS DATA
17
RDS CLK
56
SPEANA 1
OPT SEL
H
(PAGE 54)
Q509
60
REC LEVEL
78
SPEANA SW
LEVEL L
J
IC503
16
57
SPEANA 2
58
SPEANA 3
59
SPEANA 4
69
AMP DATA
70
AMP CLK
77
AMP CE
98
LINE MUTE
94
STK MUTE
93
SP RELAY
6
OPT SELECT
: TUNER
: CD PLAY
• Signal Path
• RCH is omitted
: MD PLAY
: MD REC(ANALOG)
(PAGE 54)
(PAGE 56)
(PAGE 54)
MD CD POWER
M
(PAGE 59)
R
L

Table of Contents

Related product manuals