EasyManua.ls Logo

Sony HCD-MD555 - Page 54

Sony HCD-MD555
124 pages
Print Icon
To Next Page IconTo Next Page
To Next Page IconTo Next Page
To Previous Page IconTo Previous Page
To Previous Page IconTo Previous Page
Loading...
HCD-MD555
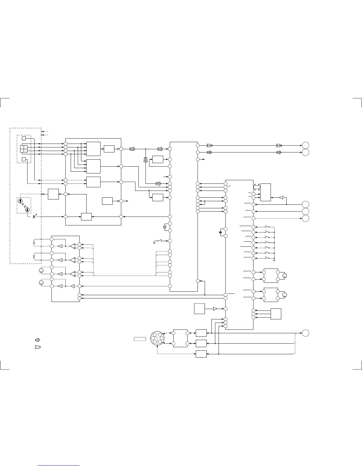
— CD SECTION —
— 55 — — 56—
E
F
A
B
C
D
DRIVE
Q101
LD
RF EQ
AMP
5
7
8
6
SUMMING
AMP
RF
ERROR
AMP
FOCUS
ERROR
AMP
TRACKING
11
10
APC LD
AMP
3
4 22
13
VC
BUFFER
VC
12
16
14
RF AMP
DIGITAL SERVO
DIGITAL SIGNAL PROCESSOR
LASER
DIODE
DETECTOR
OPTICAL PICK-UP BLOCK
(KSS-213BA/F-NP)
A
C
D
B
E
F
LD
POWER
PD
LD
PD
LD
A
C
D
B
E
F
TE
FE
RF
INTEG-
RATOR
INTEG-
RATOR
LD ON
5
6
2
3
23
24
12
11
14
13
17
18
25
15
16
M
M
TRACKING
COIL
FOCUS
COIL
SLED
MOTOR
M102
SPINDLE
MOTOR
M101
T+
T-
F+
F-
SD+
SD-
SP+
SP-
FOCUS/TRACKING COIL DRIVE
SPINDLE/SLED MOTOR DRIVE
TFDR
TRDR
FFDR
FRDR
SRDR
SFDR
21HOLD SW
16
VCC
VC
: MD REC(DIGITAL)
• Signal Path
• RCH is omitted
: CD PLAY
20
MUTE
IC102
IC103
IC101
60
D OUT
RF AC
51
ASYI
49
ASYO
48
RF DC
43
FE
39
TE
41
SE
40
TFDR
30
TRDR
31
FFDR
32
FRDR
33
SRDR
29
SFDR
28
MDP
26
TFDR
TRDR
FFDR
FRDR
SRDR
SFDR
XLON
14
VC
38
72
L OUT
75
R OUT
5DATA
R-CH
DATA
29
6
XLAT
XLT
31
7
CLOK
CLK
30
1
SQSO
SUBQ
68
2
SQCK
SQCK
70
9
SCLK
8
SENS
SENS
74
20
SCOR
SCOR
46
XTAI
66
XTAO
67
SSTP
27
X101
16.9344MHz
S101
LIMIT
3
XRST
BDRST
10
XMODE
71
CD MECHANISM CONT.
IC300
SRAM
IC302
5
RE
6
OE
20
MID OUT SW
21MID IN SW
19
IN SW
18OUT SW
32
LID OUT SW
26
INIT SW
60
CNT SW
S701
S703
S704
S708
S702
S705
S706
23
ENCODER 0
DISC SENS
59
ROTARY
ENCODER
S707
16CLP POS
17
CLP ENG
3
6
7
2
M
M701
CLAMP
MOTOR
MOTOR
DRIVER
IC701
15
LODENG
14LOD POS
3
6
7
2
M
M702
LOADING
MOTOR
MOTOR
DRIVER
IC702
24
ENCODER 1
25
ENCODER 2
DISC
SENSOR
Q703,D702
Q701
A
B
DIGITAL OUT
CD L OUT
X1
39
X2
38
X300
12.5MHz
48
AC CUT
43
RESET
CE
Q300
E
(PAGE 59)
F
AC CUT
RESET
I2C DATA
73
I2C CLK
75
I2C BUSY
44
BUFFER
Q506
BUFFER
Q507
BUFFER
Q508
LY
7
6
SY
LX
2
3
SX
1
CN502
4
5
CONTROL1
6
3
2
IIC BUS BUFFER
IC504
G
(PAGE 59)
I2C DATA
I2C CLK
I2C BUSY
43
BD PWR
N
BD PWR
(PAGE 59)
(PAGE 59)
(PAGE 54)
(PAGE 57)

Table of Contents

Related product manuals