EasyManua.ls Logo

Sony HCD-MD555 - DIAGRAMS AND SCHEMATICS; Block Diagrams and Board Locations

Sony HCD-MD555
124 pages
Print Icon
To Next Page IconTo Next Page
To Next Page IconTo Next Page
To Previous Page IconTo Previous Page
To Previous Page IconTo Previous Page
Loading...
HCD-MD555
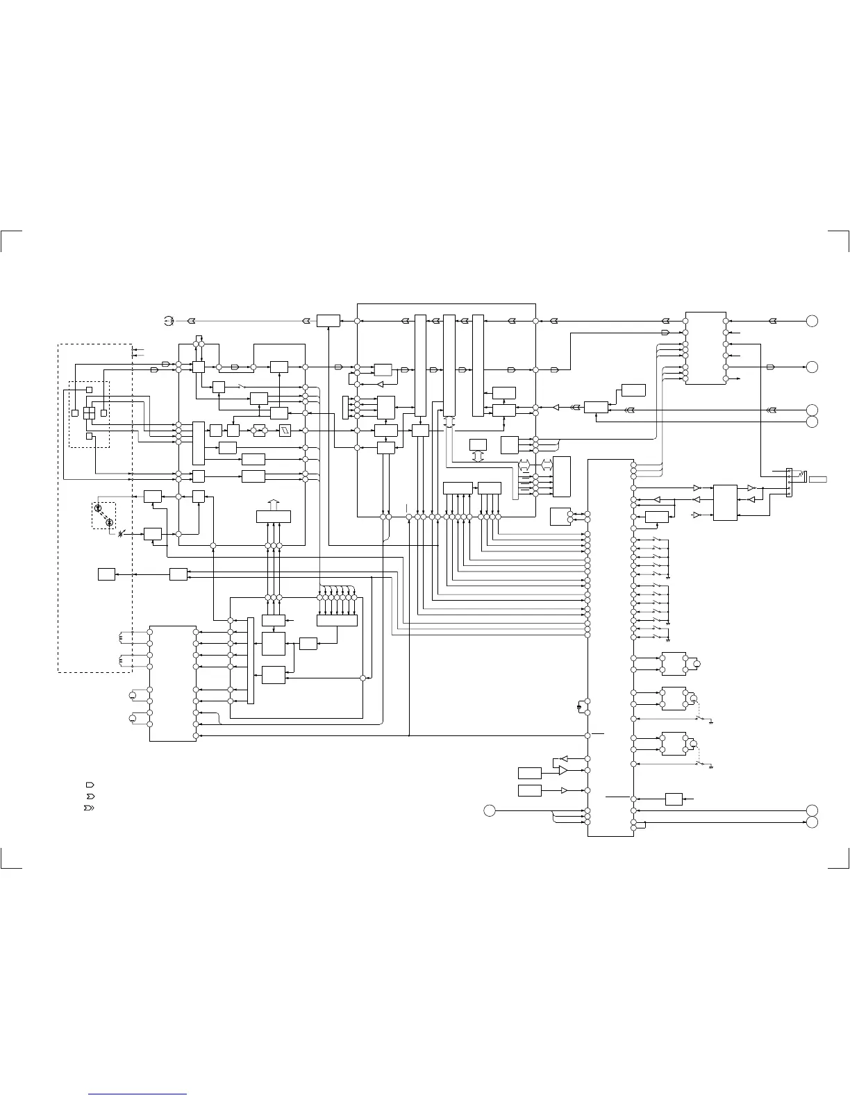
SECTION 7
DIAGRAMS
7-1. BLOCK DIAGRAMS
— MD SECTION —
— 53 — — 54 —
F
E
C
D
B
A
Q162,163
LASER
DIODE
DETECTOR
OPTICAL PICK-UP BLOCK
(KMS-260A/JIN)
LD
POWER
PD
LD
E
F
M
M
TRACKING
COIL
FOCUS
COIL
SLED
MOTOR
M102
SPINDLE
MOTOR
M681
TRK+
TRK-
FCS+
FCS-
FOCUS/TRACKING COIL DRIVE
SPINDLE/SLED MOTOR DRIVE
TFDR
TRDR
FFDR
FRDR
SRDR
SFDR
16
VCC
VC
• Signal Path
• RCH is omitted
IC152
JI
A
B
B
C
D
I
J
RF
AMP
2
ILCC
APC
DRIVE
1
4
5
6
7
8
9
11
46
ADIN
40
I-V
AMP
AT
AMP
B.P.F
B.P.F
29
ADFM
30
ADFM ADFG
32
RF AGC
EQ AMP
38
33
PEAK &
BOTTOM
37
36
V-I
CONV.
20
4748
MORFO
MORFI
I-V
AMP
ABCD
AMP
FOCUS
ERROR AMP
TRACKING
ERROR AMP
LASER ON
SWITCH
Q162,163
Q101
LD/PD
AMP
10
35
34
28
SERIAL/PARALLEL
CONV. DECODER
12 1716 18
RF AMP
FOCUS/TRACKING ERROR AMP
IC101
I
J
C
B
AA
D
E
F
RFO AGCI
RF
AUX
PEAK
BOTM
FOCNT
ABCD
FE
SE
26
TE
APC
PD
APC REF
SWDT
SCLK
XLAT
COMMAND
OUT3F
12
OUT3R
10
OUT1F
21
OUT1R
23
OUT2F
27
OUT2R
25
OUT4F
6
OUT4R
8
14
IN3F
15
IN3R
19IN1F
18IN1R
29
IN2F
30
IN2R
4
IN4F
3
IN4R
16
PSB
HF
MODULE
MOD
SPFD
SPDR
86
85
88
89
92
91
83
PWM GENERATOR
AUTO
SEQENCER
82 81 80
DTRF
CKRF
XLRF
APCREF
FROM CPU
INTERFACE
DIGITAL
SERVO
SIGNAL
PROCESSOR
AUTOMATIC
POWER
CONTROL
A/D
CONV.
67 63 64 65 66 75 74
ANALOG
MUX
AUX
PEAK
BOTM
ABCD
FE
TE
SE
HF MOD
SWITCH
Q102-104,IC103
13
RECP
DIGITAL SERVO
SIGNAL PROCESSOR
IC121(2/2)
57
78
54
53
COMP.
RFIN
ASYI
ASYO
ADFG
ADIP DEMO/
DECODER
62
59
61
60
FILTER
PLL
SPINDLE
SERVO
ASYO
FILI
FILO
CLTV
PCO
79
FCONT
SUBCODE
PROC.
EFM/ACIRC
ENCODER/DECODER
SHOCK PROOF
MEMORY CONTROLLER
ATRAC
ENCODER/DECODER
OVER WRITE
HEAD DRIVE
IC181,Q181,182
DIGITAL
AUDIO
INTERFACE
SAMPLING
RATE
CONV.
19
21
D IN
D OUT
IC401
DIGITAL
SIGNAL SW
IC402
OPTICAL
DIGITAL IN
IC401
100
EFMO
CLOCK
GEN.
27
28
29
XBCK
LRCK
FS256
DIGITAL
SIGNAL SW
MONITOR
CONTROL
INTERNAL BUS
DRAM
DRAM
43
47
46
44
XOE
XWE
XRAS
XCAS
25
ADDT
IC124
123456789151412119394
SPFD
SPRD
SQSY
DQSY
XINT
TX
SENS
SRDT
XLAT
SCLK
SWDT
MNT0
MNT1
MNT2
MNT3
26
DADT
MD MECHANISM CONT.
IC316
MNT0
82
MNT1
81
MNT2
80
MNT3
79
SWDT
35
SCLK
37
XLAT
66
SRDT
36
SENS
78
SCTX
72
XINT
73
DQSY
75
SQSY
27
LD ON
57
MOD
65
WRPWR
67
DIG RST
77
10
XRST
SPFD
SPRD
5
6
EEPROM
IC171
X302
10MHz
SDA
88
SCL
87
X IN
15
X OUT
13
S5
S4
S3
S2
85
DISK 1
S1
DSP
IC121(1/2)
A
H
DIGITAL OUT
OPT SELECT
: MD PLAY
: MD REC(ANALOG)
: MD REC(DIGITAL)
HR901
OVER WRITE HEAD
RESET
IC400
PHOTO
COUPLER
IC403-405
22L3 DATA
21
L3 CLK
69
L3 MODE
L3 DATA
L3 CLK
L3 MODE
XBCK
LRCK
FS256
A/D,D/A CONV.
IC201
SDTO
18
SDTI
19
SCLK
16
LRCK
17
MCLK
12
L3 DATA
15
L3 CLK
14
L3 MODE
13
2
VIN L1
4
VIN R1
6VIN L2
8VIN R2
26
VOUT L
24
VOUT R
R-CH
L3 DATA
L3 CLK
L3 MODE
XBCK
LRCK
FS256
R-CH
R-CH
D
MD PLAY L
C
(PAGE 57)
MD REC L
1
WM OUT
100
WM IN
19
WM SYNC
2
WM CLK
45
WM INV
IC2000
IC401
REMOTE
DATA
L-CH
R-CH
WM I/O
J1
59
PROTECT SW
S683
58REFLECT SW
S682
63
LIMIT IN SW
S681
91
HEAD DOWN SW
S7
92
HEAD UP SW
S6
86
DISK 2
90DISK 3
89
DISK 4
84
DISK 5
28
RESET SW
S571
52HOME SW
S570
42
HEAD UP
41
HEAD DOWN
1
OUT1
7
OUT2
FIN
4
RIN
5
M
MOTOR DRIVE
IC172
M4
OVER WRITE HEAD
UP/DOWN MOTOR
24ELE UP
26
ELE DOWN
7OUT2
1
OUT1
RIN
5
FIN
4
M
MOTOR DRIVE
IC550
ELEVATOR
UP/DOWN MOTOR
54
LD IN
55
LD OUT
7
OUT2
1
OUT1
RIN
5
FIN
4
M
MOTOR DRIVE
IC551
LOADING
MOTOR
IC570
IC570
ELEVATOR
POSITION
SENSOR
SENSOR SW
83
SENSOR
39
PH570
ELEVATOR
POSITION
SENSOR
PH571
IC570
IC570
SENSOR2
40
12
SYSTEM RESET
18
PWR DWN
3
LEVEL L
47
OUT SEL1
I2C DATA
30
I2C CLK
29
I2C BUSY
20
I
AC DET
J
(PAGE 57)
LEVEL L
MD BACKUP
+3.3V
G
(PAGE 59)
I2C DATA
I2C CLK
I2C BUSY
(PAGE 59)
(PAGE 57)
(PAGE 56)
(PAGE 57)
Q403Q400
Q402
Q401
Q404
NC
INV./NON INV.
SWITCH
51
CHACK IN SW
53
CHACK OUT SW

Table of Contents

Related product manuals