EasyManua.ls Logo

Sony HCD-VX777 - Schematic Diagram: Video Section (3;3)

Sony HCD-VX777
84 pages
Print Icon
To Next Page IconTo Next Page
To Next Page IconTo Next Page
To Previous Page IconTo Previous Page
To Previous Page IconTo Previous Page
Loading...
2929
HCD-VX777
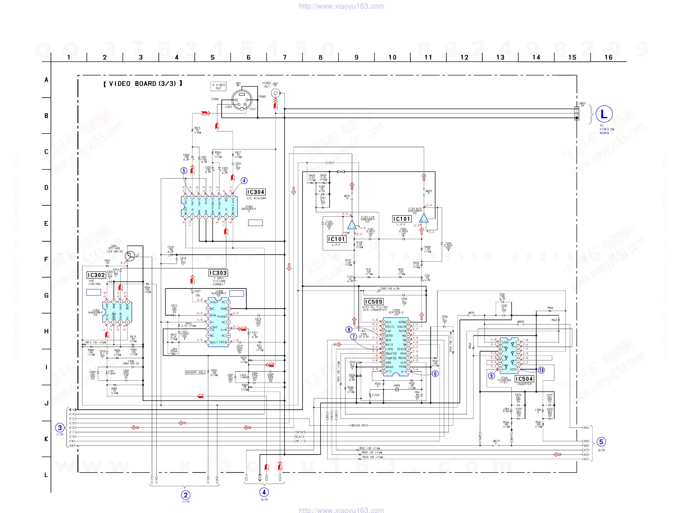
6-8. SCHEMATIC DIAGRAM – VIDEO (3/3) SECTION – • See page 20 for Waveforms. • See page 60 for IC Block Diagrams.
IC B/D
IC B/D
IC B/D
(Page
27)
(Page 27) (Page 28)
(Page 28)
(Page 35)
w
w
w
.
x
i
a
o
y
u
1
6
3
.
c
o
m
Q
Q
3
7
6
3
1
5
1
5
0
9
9
2
8
9
4
2
9
8
T
E
L
1
3
9
4
2
2
9
6
5
1
3
9
9
2
8
9
4
2
9
8
0
5
1
5
1
3
6
7
3
Q
Q
TEL 13942296513 QQ 376315150 892498299
TEL 13942296513 QQ 376315150 892498299
http://www.xiaoyu163.com
http://www.xiaoyu163.com

Table of Contents

Related product manuals