EasyManua.ls Logo

Sony HCD-VX777 - Exploded View: Tape Mechanism Deck (Section 1)

Sony HCD-VX777
84 pages
Print Icon
To Next Page IconTo Next Page
To Next Page IconTo Next Page
To Previous Page IconTo Previous Page
To Previous Page IconTo Previous Page
Loading...
64
HCD-VX777
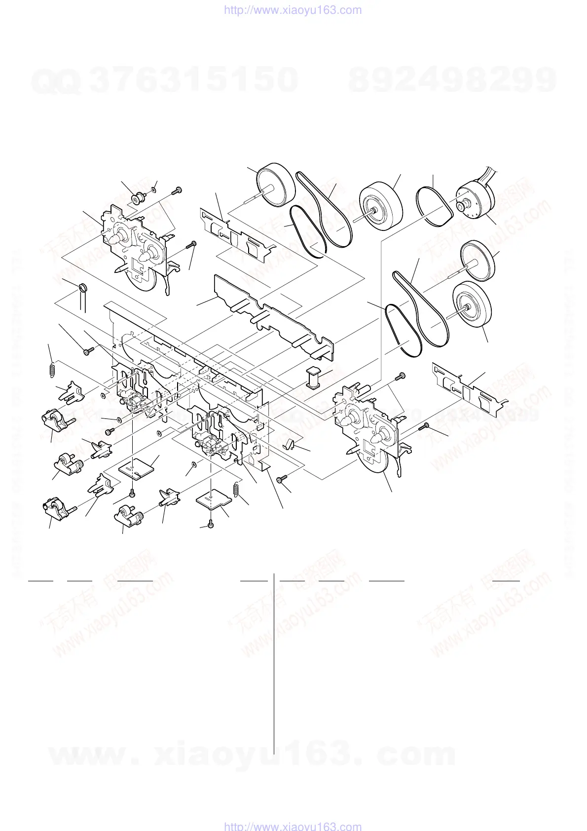
7-4. TAPE MECHANISM DECK SECTION-1
(TCM-230MWR41)
151
171
159
157
159
165
158
158
167
164
160
166
161
151
152
152
162
162
153
154
#6
not
supplied
not supplied
#1
Note: Two different types of tape mechanism are used depending on models.
They maintain compatibility as an entire mechanism even though
there are some different parts are used.
163
163
168
155
156
#6
#7
#7
170
171
172
173
173
172
169
175
176
179
178
179
177
174
174
not supplied
The thing that a part A curves is TCM-230MWR41.
Ref. No. Part No. Description Remarks Ref. No. Part No. Description Remarks
151 X-3374-156-5 PINCH LEVER (REV) ASSY
152 X-3374-155-5 PINCH LEVER (FWD) ASSY
153 1-676-220-11 HEAD (A) BOARD
154 1-676-221-11 HEAD (B) BOARD
155 1-454-887-32 SOLENOID, PLUNGER
156 3-040-580-11 PULLEY (TENSION)
157 A-2007-838-A LEAF SW BOARD
158 3-041-946-01 BELT (CAPSTAN B)
159 3-041-947-01 BELT (FR)
160 4-227-239-01 BELT (CAPSTAN C)
161 X-3378-241-1 MOTOR ASSY
162 3-019-208-01 WASHER, STOPPER
163 4-227-872-11 SCREW (+PTT 2X4), GROUND POINT
164 X-3378-041-1 FLYWHEEL (A-REV) ASSY
165 X-3378-040-1 FLYWHEEL (A-FWD) ASSY
166 X-3378-043-1 FLYWHEEL (B-REV) ASSY
167 X-3378-042-1 FLYWHEEL (B-FWD) ASSY
168 4-229-083-01 SPRING (CASSETTE), LEAF
169 A-2004-771-A BASE (A) ASSY, HEAD
170 A-2004-772-A BASE (B) ASSY, HEAD
171 3-016-574-11 SPRING (HEAD), TENSION
172 3-016-564-01 BASE (PINCH LEVER FWD)
173 3-016-565-01 BASE (PINCH LEVER REV)
174 3-703-454-21 SCREW (1.7X6), TAPPING
175 4-228-449-01 SPRING (REVERSE SLIDER)
176 A-2004-793-A CHASSIS (A) ASSY, SUB
177 A-2004-794-A CHASSIS (B) ASSY, SUB
178 3-016-533-01 WASHER (FR), STOPPER
179 3-016-566-01 SLIDER, REVERSE
w
w
w
.
x
i
a
o
y
u
1
6
3
.
c
o
m
Q
Q
3
7
6
3
1
5
1
5
0
9
9
2
8
9
4
2
9
8
T
E
L
1
3
9
4
2
2
9
6
5
1
3
9
9
2
8
9
4
2
9
8
0
5
1
5
1
3
6
7
3
Q
Q
TEL 13942296513 QQ 376315150 892498299
TEL 13942296513 QQ 376315150 892498299
http://www.xiaoyu163.com
http://www.xiaoyu163.com

Table of Contents

Related product manuals