EasyManua.ls Logo

Sony HCD-VX777 - Schematic Diagram: Main Board (1;4)

Sony HCD-VX777
84 pages
Print Icon
To Next Page IconTo Next Page
To Next Page IconTo Next Page
To Previous Page IconTo Previous Page
To Previous Page IconTo Previous Page
Loading...
3131
HCD-VX777
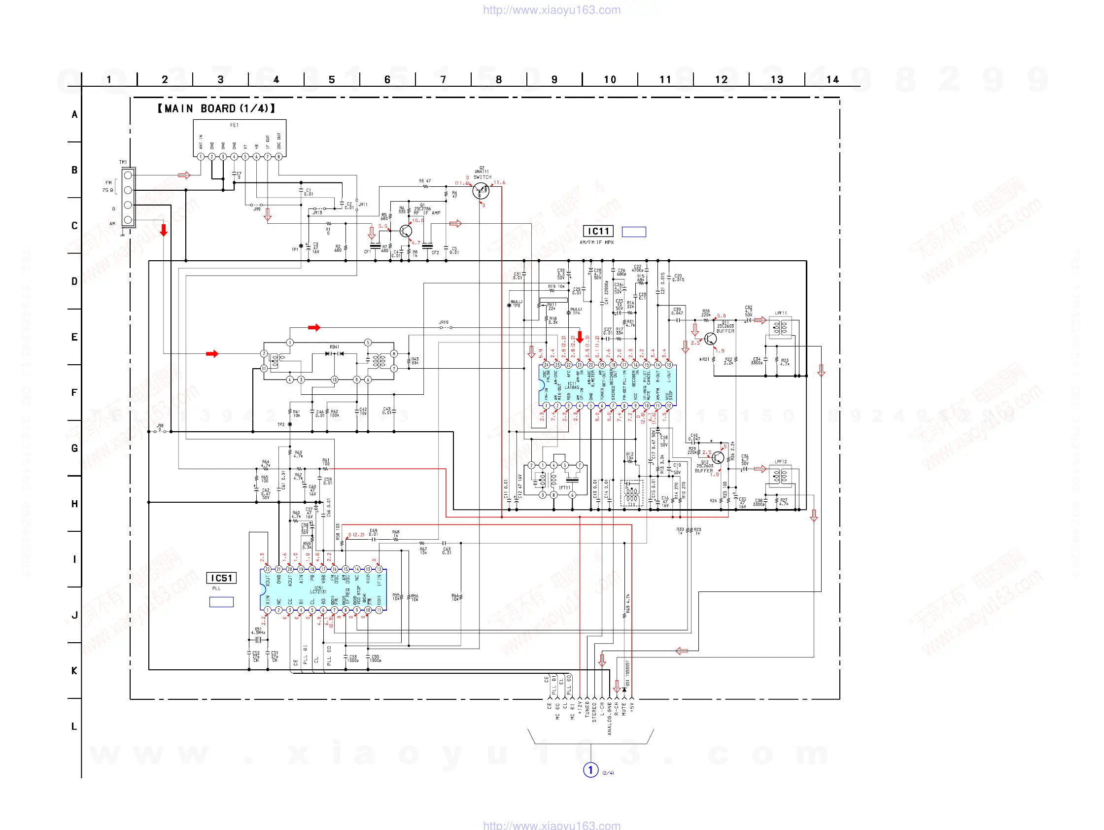
6-10. SCHEMATIC DIAGRAM – MAIN (1/4) SECTION – • See page 57 for IC Block Diagrams.
IC B/D
IC B/D
FM TUNED LEVEL
(Page 32)
w
w
w
.
x
i
a
o
y
u
1
6
3
.
c
o
m
Q
Q
3
7
6
3
1
5
1
5
0
9
9
2
8
9
4
2
9
8
T
E
L
1
3
9
4
2
2
9
6
5
1
3
9
9
2
8
9
4
2
9
8
0
5
1
5
1
3
6
7
3
Q
Q
TEL 13942296513 QQ 376315150 892498299
TEL 13942296513 QQ 376315150 892498299
http://www.xiaoyu163.com
http://www.xiaoyu163.com

Table of Contents

Related product manuals