EasyManua.ls Logo

Sony HCD-VX777 - Exploded View: Tape Mechanism Deck (Section 2)

Sony HCD-VX777
84 pages
Print Icon
To Next Page IconTo Next Page
To Next Page IconTo Next Page
To Previous Page IconTo Previous Page
To Previous Page IconTo Previous Page
Loading...
65
HCD-VX777
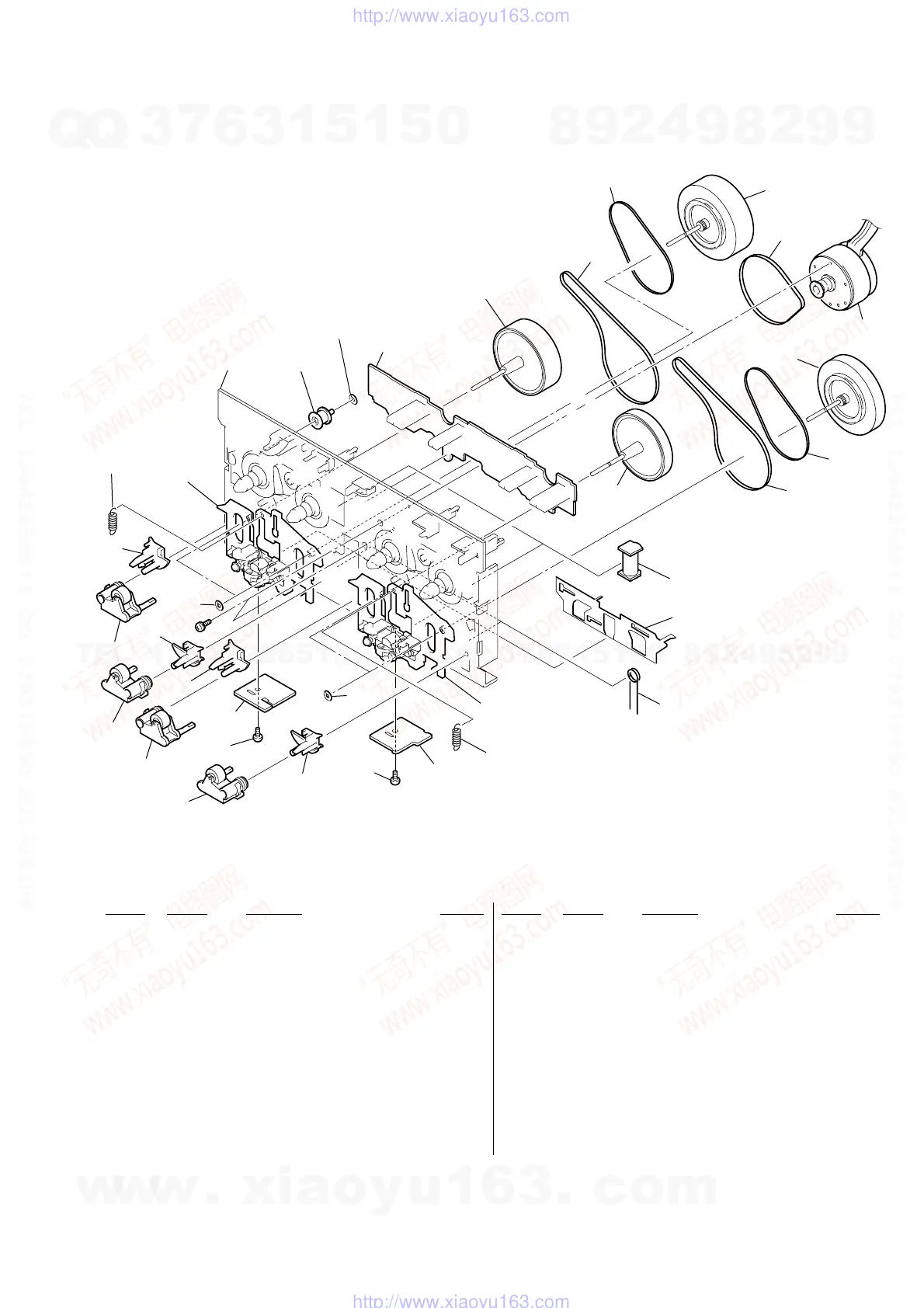
7-5. TAPE MECHANISM DECK SECTION-2
(TCM-230AWR41)
201
209
209
207
214
208
208
216
214
210
217
211
201
202
202
213
205
212
212
203
204
218
220
221
222
221
222
219
219
213
#1
not supplied
not supplied
Note: Two different types of tape mechanism are used depending on models.
They maintain compatibility as an entire mechanism even though
there are some different parts are used.
206
223
224
The thing that a part A doesnt curve is TCM-230AWR41.
Ref. No. Part No. Description Remarks Ref. No. Part No. Description Remarks
201 X-3374-156-4 PINCH LEVER (REV) ASSY
202 X-3374-155-4 PINCH LEVER (FWD) ASSY
203 1-676-220-11 HEAD (A) BOARD
204 1-676-221-11 HEAD (B) BOARD
205 1-454-887-32 SOLENOID, PLUNGER
206 3-040-580-11 PULLEY (TENSION)
207 A-2007-838-A SW BOARD
208 3-041-946-01 BELT (CAPSTAN B)
209 3-041-947-01 BELT (FR)
210 4-227-239-01 BELT (CAPSTAN C)
211 X-3378-241-1 MOTOR ASSY
212 3-019-208-01 WASHER, STOPPER
213 4-227-872-11 SCREW (+PTT 2X4), GROUND POINT
214 X-3378-041-1 FLYWHEEL (A-REV) ASSY
215 X-3378-040-1 FLYWHEEL (A-FWD) ASSY
216 X-3378-043-1 FLYWHEEL (B-REV) ASSY
217 X-3378-042-1 FLYWHEEL (B-FWD) ASSY
218 A-2004-755-A BASE (B) ASSY, HEAD
219 3-016-574-11 SPRING (HEAD), TENSION
220 A-2004-754-A BASE (A) ASSY, HEAD
221 3-016-565-01 BASE(PINCH LEVER REV)
222 3-016-564-01 BASE(PINCH LEVER FWD)
223 4-228-449-01 SPRING (REVER SW SLIDER)
224 3-016-566-01 SLIDER, REVERSE
225 3-016-533-01 WASHER (FR), STOPPER
w
w
w
.
x
i
a
o
y
u
1
6
3
.
c
o
m
Q
Q
3
7
6
3
1
5
1
5
0
9
9
2
8
9
4
2
9
8
T
E
L
1
3
9
4
2
2
9
6
5
1
3
9
9
2
8
9
4
2
9
8
0
5
1
5
1
3
6
7
3
Q
Q
TEL 13942296513 QQ 376315150 892498299
TEL 13942296513 QQ 376315150 892498299
http://www.xiaoyu163.com
http://www.xiaoyu163.com

Table of Contents

Related product manuals