EasyManua.ls Logo

Sony HCD-VX777 - Page 59

Sony HCD-VX777
84 pages
Print Icon
To Next Page IconTo Next Page
To Next Page IconTo Next Page
To Previous Page IconTo Previous Page
To Previous Page IconTo Previous Page
Loading...
59
HCD-VX777
2
3
14
1
f04
13
f05
12
f06
11
REC
LEVEL
10
VCC
15
f03
5
REC
NF
6
REC
IN
7
RESET
C
8
BIAS
C
9
GND1
4
16
f02
17
f01
18
RESET
R02
P01
LINE
NF
LINE
IN
REFFERENCE
CURRENT
BPF
DET
BPF
DET
BPF
DET
BPF
DET
DET
RESET
Bias
REFFERENCE
CURRENT
DET
DET
BPF
BPF
1 2 3 4 5 6 7 8 9
CONTROL LOGIC
TSD
VREF
O
UT2
O
UT1
RNF
VM
VCC
FIN
GND
RIN
10
11
12
4
3
EQ IN
9
D
10
F
E
8
C
7
B
6
A
AC SUM
DC_ OFST
RFDCI
11
RFDCO
VC
24
BST
25
VFC
CEI
EQ
APC
5
GND
AC
SUM
26
RFC
AC
VCA
23
RFG
22
VCC
20
21
CE
19
TE_BAL
18
TE
17
FEI
16
FE
1LD
2
PD
11
SW
12
13
DVCC
14
DVC
15
RFAC
VC
EQ
ON/OFF
VC
VC
VC
VC
DVC
DVC
APC-OFF(Hi-Z)
RW/ROM
(H/L)
DVC
DVC
AVC
DVCC
VC
DVC
RW/ROM
RW/ROM
RW/ROM
RW/ROM
RW/ROM
RW/ROM
DVCC
VCC
VCC
VCC
VOFST
VOFST
VOFST
B
C
A
D
gm
gm
DVCC
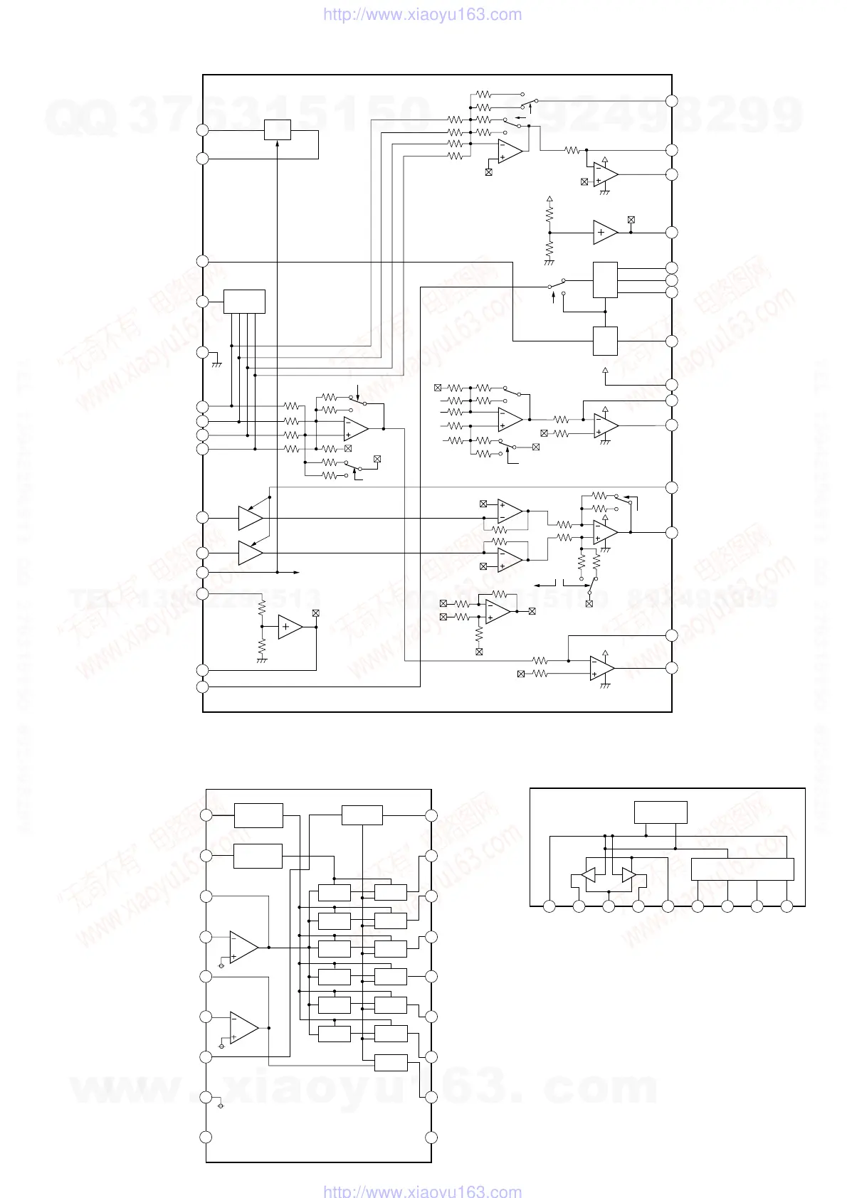
IC103 CXA2581N (BD BOARD)
IC602 BA3830F-E2 (PANEL BOARD) IC701 BA6956AN (DRIVER BOARD)
w
w
w
.
x
i
a
o
y
u
1
6
3
.
c
o
m
Q
Q
3
7
6
3
1
5
1
5
0
9
9
2
8
9
4
2
9
8
T
E
L
1
3
9
4
2
2
9
6
5
1
3
9
9
2
8
9
4
2
9
8
0
5
1
5
1
3
6
7
3
Q
Q
TEL 13942296513 QQ 376315150 892498299
TEL 13942296513 QQ 376315150 892498299
http://www.xiaoyu163.com
http://www.xiaoyu163.com

Table of Contents

Related product manuals