EasyManua.ls Logo

Sony MHC-V83D - 7 Exploded Views; Loading-H Panel Section

Sony MHC-V83D
72 pages
Print Icon
To Next Page IconTo Next Page
To Next Page IconTo Next Page
To Previous Page IconTo Previous Page
To Previous Page IconTo Previous Page
Loading...
MHC-V83D
55
Sony CONFIDENTIAL
For Authorized Servicer
ns
ns
2
3
1
1
1
1
1
1
1
A
A
side panel
H-L section
top-H panel
section
side panel
H-R section
#1
#1
#1
DAB
assembly_UART
(AEP) section
ns
ns
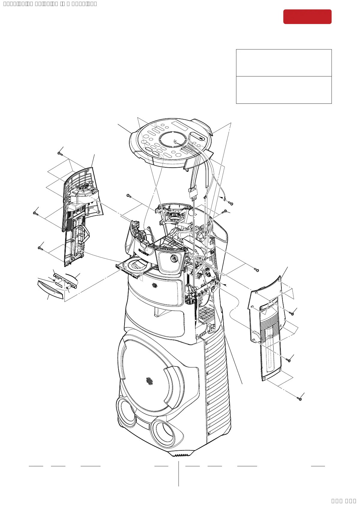
SECTION 7
EXPLODED VIEWS
Note:
-XX and -X mean standardized parts, so
they may have some diff erence from the
original one.
Items marked * are not stocked since
they are seldom required for routine ser-
vice. Some delay should be anticipated
when ordering these items.
The mechanical parts with no reference
number in the exploded views are not sup-
plied.
Color Indication of Appearance Parts Ex-
ample:
KNOB, BALANCE (WHITE) . . . (RED)
Parts Color Cabinet’s Color
The components identifi ed by mark 0
or dotted line with mark 0 are critical for
safety.
Replace only with part number specifi ed.
The components identifi ed by mark 9 con-
tain confi dential information.
Strictly follow the instructions whenever the
components are repaired and/or replaced.
7-1. LOADING-H PANEL SECTION
1 459140401 SCREW, TAPPING (FLAT HEAD)
2 453675401 SPRING (LP)
3 501231301 PANEL, LOADING-H
#1 768564671 SCREW +BVTP 3X8 TYPE2 IT-3
ns not supplied
Ref. No. Part No. Description Remark Ref. No. Part No. Description Remark
SYSSET
2020/06/2222:32:42(GMT+09:00)

Table of Contents

Other manuals for Sony MHC-V83D

Related product manuals