EasyManua.ls Logo

Sony MHC-V83D - Top-H Panel Section

Sony MHC-V83D
72 pages
Print Icon
To Next Page IconTo Next Page
To Next Page IconTo Next Page
To Previous Page IconTo Previous Page
To Previous Page IconTo Previous Page
Loading...
MHC-V83D
66
Sony CONFIDENTIAL
For Authorized Servicer
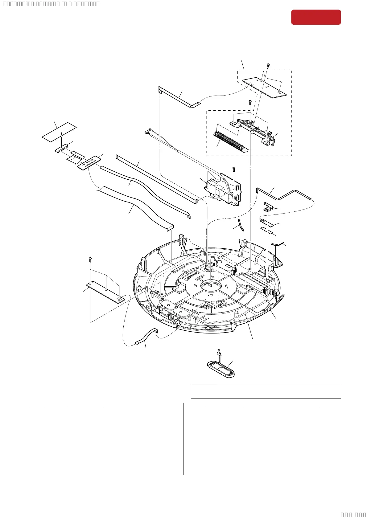
7-12. TOP-H PANEL SECTION
Note: If exible at cable is replaced, install it after bending it in
the same form as that before replacement.
551 100543811 FLEXIBLE FLAT CABLE (5 CORE)
552 A5009906A POWER-KEY MOUNTED PC BOARD
553 100543911 FLEXIBLE FLAT CABLE (25 CORE)
554 100543211 FLEXIBLE FLAT CABLE (7 CORE)
555 146985411 CORE, FERRITE
556 501975421 CUSHION, HEMILON
557 472905401 COVER, MIC USB
558 100542811 FLEXIBLE FLAT CABLE (9 CORE)
559 A5009710A MIC-USB MOUNTED PC BOARD
560 100543411 FLEXIBLE FLAT CABLE (7 CORE)
561 A5009709A VFD MOUNTED PC BOARD
562 100543511 FLEXIBLE FLAT CABLE (6 CORE)
563 A2092220A NFC MOUNT
564 458670521 DOUBLE ADDESIVE TAPE
565 501854121 SHEET, SEAL
566 A5018382A TOP PANEL ASSY SERVICE (V83D)
(Including SENSOR board)
ND8000 148354931 VACUUM FLUORESCENT DISPLAY
#1 768564671 SCREW +BVTP 3X8 TYPE2 IT-3
ns not supplied
Ref. No. Part No. Description Remark Ref. No. Part No. Description Remark
ND8000
ns
552
553
554
551
557
559
558
560
561
562
563
564
566
ns
ns
SENSOR board (ns)
#1
#1
#1
#1
555
556
565
565
SYSSET
2020/06/2222:32:42(GMT+09:00)

Table of Contents

Other manuals for Sony MHC-V83D

Related product manuals