EasyManua.ls Logo

Sony MHC-V83D - Front Panel SW Section

Sony MHC-V83D
72 pages
Print Icon
To Next Page IconTo Next Page
To Next Page IconTo Next Page
To Previous Page IconTo Previous Page
To Previous Page IconTo Previous Page
Loading...
MHC-V83D
62
Sony CONFIDENTIAL
For Authorized Servicer
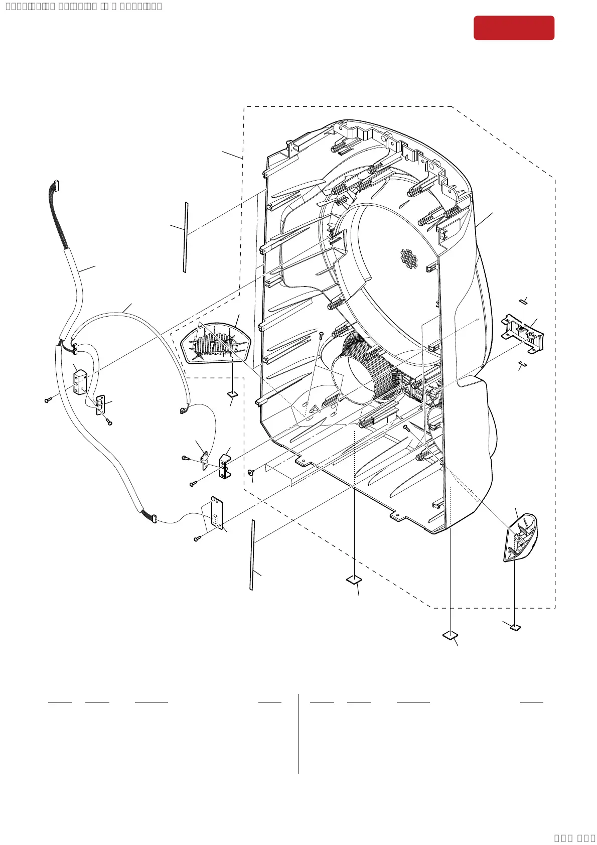
7-8. FRONT PANEL SW SECTION
351
352
353
354
356
ns
ns
ns
ns
#1
#1
ns
ns
ns
#2
#2
#1
#1
#1
ns
ns
356
358
357
357
355
ns
355
351 234511501 SCREW (S), FLOAT
352 A5009719A PARTY RGB-FR MOUNTED PC BOARD
353 A5009722A SW LED-R MOUNTED PC BOARD
354 A5009721A SW LED-L MOUNTED PC BOARD
355 501993711 FOOT
356 501993701 FOOT
357 501975401 CUSHION, HEMILON
358 X50010981 PANEL, FRONT SW (ASSY)
#1 768564671 SCREW +BVTP 3X8 TYPE2 IT-3
#2 768564771 SCREW +BVTP 3X10 TYPE2 IT-3
ns not supplied
Ref. No. Part No. Description Remark Ref. No. Part No. Description Remark
SYSSET
2020/06/2222:32:42(GMT+09:00)

Table of Contents

Other manuals for Sony MHC-V83D

Related product manuals