EasyManua.ls Logo

Sony MHC-V83D - DAB Assembly_Uart (AEP) Section

Sony MHC-V83D
72 pages
Print Icon
To Next Page IconTo Next Page
To Next Page IconTo Next Page
To Previous Page IconTo Previous Page
To Previous Page IconTo Previous Page
Loading...
MHC-V83D
56
Sony CONFIDENTIAL
For Authorized Servicer
52
51
ns
ns
#1
#3
(AEP)
#1
(AEP)
– Rear view –
#1
#1
#1
CDM section
ns
ns
51
51
55
rear panel ST-H
section
(AEP)
53
54
SMPS board
section
#1
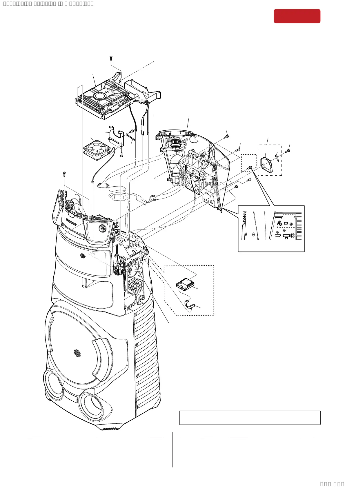
7-2. DAB ASSEMBLY_UART (AEP) SECTION
Note: If exible at cable is replaced, install it after bending it in
the same form as that before replacement.
51 458928121 SCREW, TAPPING
52 X50016131 COVER, JACK ASSY
53 100499711 FLEXIBLE FLAT CABLE (11P) (AEP)
54 A5011986A DAB ASSEMBLY_UART (AEP)
0 55 185550421 DC FAN (3500RPM/200MM)
#1 768564671 SCREW +BVTP 3X8 TYPE2 IT-3
#3 768254704 SCREW +B 3X6
ns not supplied
Ref. No. Part No. Description Remark Ref. No. Part No. Description Remark
SYSSET
2020/06/2222:32:42(GMT+09:00)

Table of Contents

Other manuals for Sony MHC-V83D

Related product manuals