EasyManua.ls Logo

Sony MHC-V83D - Front Panel ST-H Section

Sony MHC-V83D
72 pages
Print Icon
To Next Page IconTo Next Page
To Next Page IconTo Next Page
To Previous Page IconTo Previous Page
To Previous Page IconTo Previous Page
Loading...
MHC-V83D
61
Sony CONFIDENTIAL
For Authorized Servicer
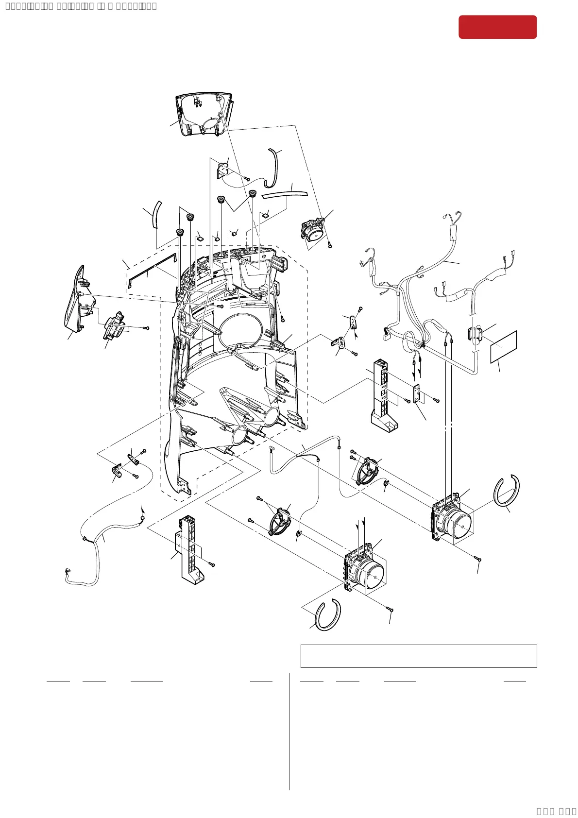
7-7. FRONT PANEL ST-H SECTION
Note: If exible at cable is replaced, install it after bending it in
the same form as that before replacement.
301 A5010874A EXTENSION MOUNTED PC BOARD
302 100542311 FLEXIBLE FLAT CABLE (4 CORE)
303 A5009711A IR MOUNTED PC BOARD
304 487461412 SCREW (1) (3.5X14), TAPPING
305 A5009714A HORN LED MOUNTED PC BOARD
306 501241701 EQUALIZER, MID CAP-H
307 A5009723A MID LED MOUNTED PC BOARD
308 145736912 CORE, FERRITE
309 501231501 PANEL, TWEETER H-FR
310 501231401 PANEL, TWEETER H-FL
311 501923801 SHEET, SEAL FP
312 501923701 DAMPER, BUSHING
313 X50010991 PANEL, FRONT ST-H (ASSY)
SP1 100628511 LOUDSPEAKER 8CM (Mid Bottom: L-CH)
SP3 100628611 LOUDSPEAKER 4CM (Tweeter Front) (L-CH)
SP5 100628511 LOUDSPEAKER 8CM (Mid Bottom: R-CH)
SP7 100628611 LOUDSPEAKER 4CM (Tweeter Front) (R-CH)
#1 768564671 SCREW +BVTP 3X8 TYPE2 IT-3
#4 768564679 SCREW +BVTP 3X8 TYPE2 IT-3
ns not supplied
Ref. No. Part No. Description Remark Ref. No. Part No. Description Remark
H
I
J
ns
ns
SP7
SP3
#1
#1
#1
#1
#1
#1
#1
#1
#1
#4
#4
#1
#1
#1
#1
#1
ns
ns
ns
ns
302
301
303
313
311
309
312
310
312
311
307
307
305
ns
305
306
306
ns
ns
ns
ns
ns
ns
J
H
I
304
SP5
ns
SP1
304
ns
308
ns
SYSSET
2020/06/2222:32:42(GMT+09:00)

Table of Contents

Other manuals for Sony MHC-V83D

Related product manuals