EasyManua.ls Logo

Sony MHC-V83D

Sony MHC-V83D
72 pages
To Next Page IconTo Next Page
To Next Page IconTo Next Page
To Previous Page IconTo Previous Page
To Previous Page IconTo Previous Page
Loading...
MHC-V83D
9
Sony CONFIDENTIAL
For Authorized Servicer
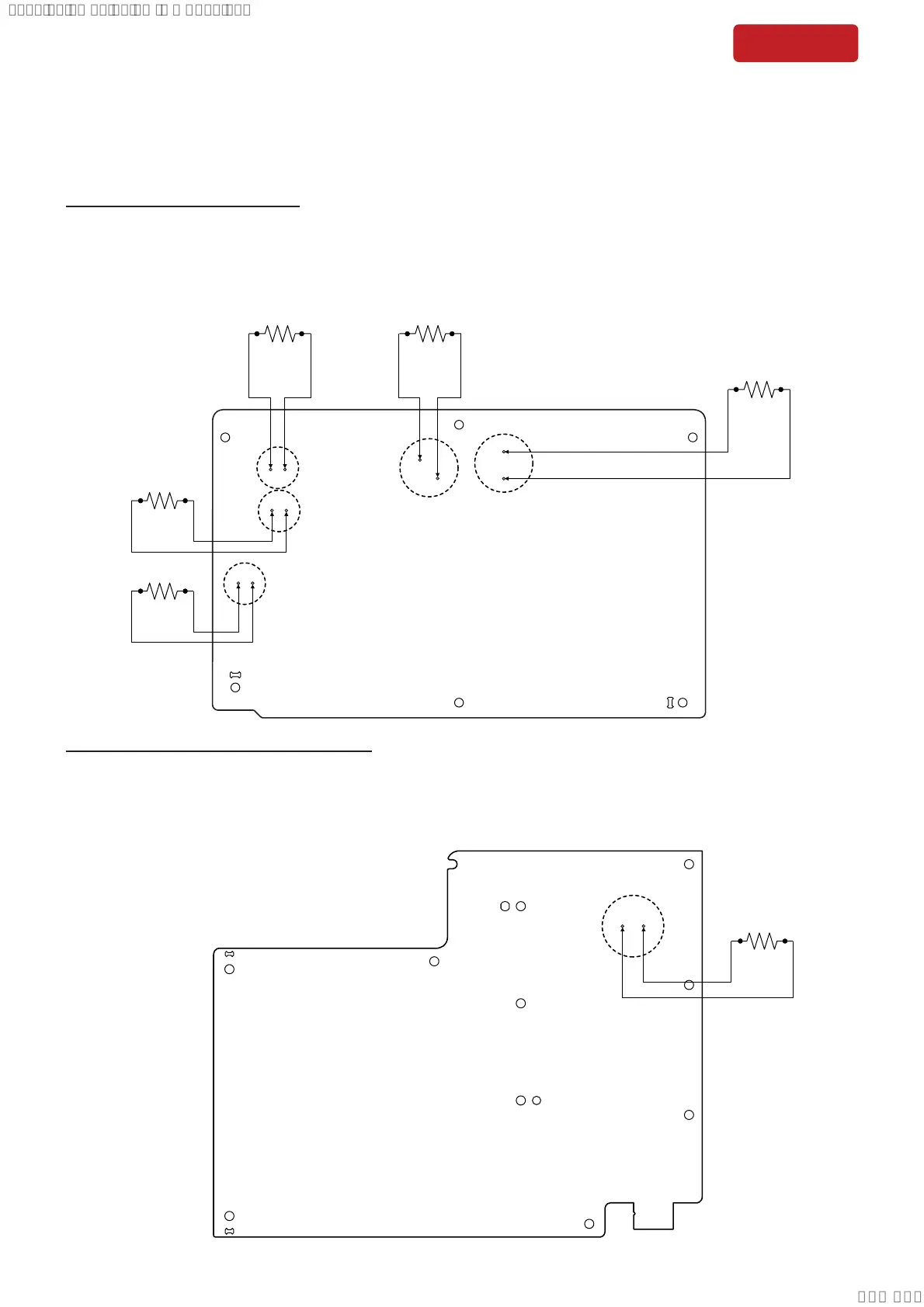
CAPACITOR ELECTRICAL DISCHARGE PROCESSING
When removing the SMPS board and MOTHERBOARD board, be sure to perform the discharge process by referring below procedure.
Remove SMPS board fi rst follow by MOTHERBOARD board.
Note: Be sure to discharge using a resistor of 500~800 .
SMPS Board (Conductor side view)
1. Disconnect all the wires and FFC which connected to the SMPS board (avoid touching any component).
2. Unscrew the SMPS board.
3. Pulling up the wire (avoid touching any component) to lift up the SMPS board.
4. Flip the SMPS board to conductor side and perform discharge at terminal of C6301, C6322, C6534, C6558 and C6559 for 10 seconds each.
800 :/5 W
R
800 :/5 W
R
R
800 :/5 W
C6559
C6558
C6301
C6322
R
800 :/5 W
R
800 :/5 W
C6534
MOTHERBOARD Board (Conductor side view)
1. Disconnect all the wires and FFC which connected to the MOTHERBOARD board (avoid touching any component).
2. Unscrew the MOTHERBOARD board.
3. Holding the both edge (avoid touching any component) to lift up the MOTHERBOARD board.
4. Flip the MOTHERBOARD board to conductor side and perform discharge at terminal of C3662 for 10 seconds.
800 :/5 W
R
C3662
SYSSET
2020/06/2222:32:42(GMT+09:00)

Table of Contents

Other manuals for Sony MHC-V83D

Related product manuals