EasyManua.ls Logo

Sony SA-CT800 - Panel;Power Supply Section Block Diagram

Sony SA-CT800
68 pages
Print Icon
To Next Page IconTo Next Page
To Next Page IconTo Next Page
To Previous Page IconTo Previous Page
To Previous Page IconTo Previous Page
Loading...
HT-CT800
HT-CT800
4747
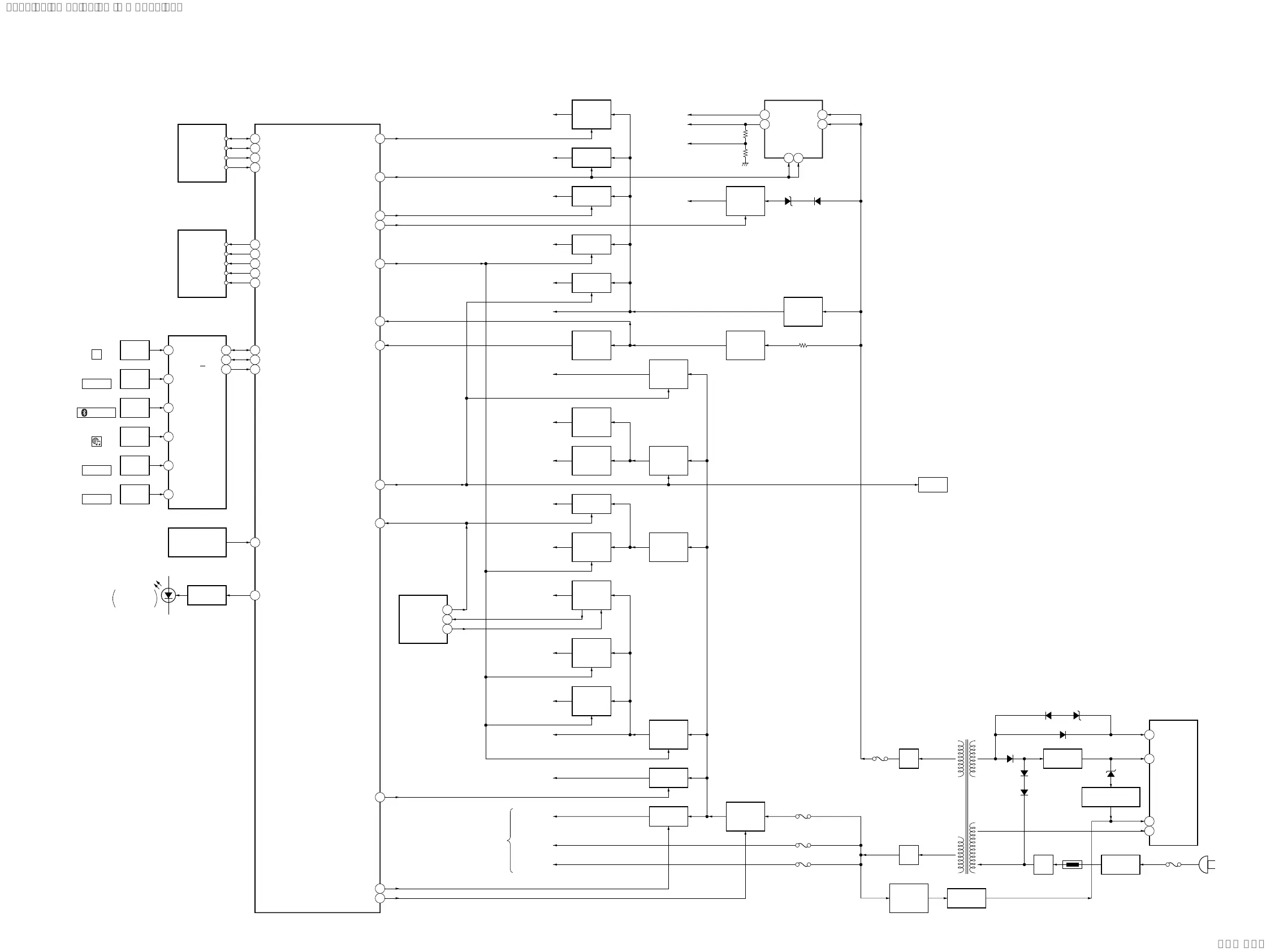
5-4. BLOCK DIAGRAM - PANEL/POWER SUPPLY Section -
TH901
RECT
D901
RECT
D966
RECT
D967
24
SIRCS_IN
REMOTE CONTROL
RECEIVER
IC891
33 BT_LED
LED DRIVE
Q1301
D1301
49INITX (RESET)
14 FL (O-LED)_DOUT
15 FL (O-LED)_CLK
12 FL (O-LED)_CS
OLED1
ORGANIC
EL INDICATOR
ELEMENT
SYSTEM CONTROLLER
IC5001 (4/4)
AC1
(AC IN)
F901
F6003
POWER CONTROL
IC930
BD
6
VCC
3
FB/OLP
5
D934
D942
D975
D936 D932
+33V
(FOR R-CH)
+33V
(FOR L-CH)
GVDD_12V
D937
REGULATOR
Q930
D974
D3001D3002
F6001
F6002
F931
UNSW_3.3V
DIGITAL
POWER AMP
B+
143WiFi_Pcon_In
103AC_CUT
76PCONT_ON
DC/DC
CONVERTER
IC306
635VPWR (HDMI)
16VIN2
1VIN1
HDMI OUT +5V
VOLTAGE
DETECT
IC5005
11 9PCONT-1 (3.3V)
T901
POWER
TRANSFORMER
O-LED_DOUT
O-LED_CLK
O-LED_CSB
5 O-LED_DS
O-LED_DC
39 NFC_DATA
NFC BOARD
SDA
6 TS_SDA
7 TS_SCL
TOUCH
KEY
TOUCH KEY CONTROLLER
IC1901
CS3
CS2/GUARD
CS7/GPO3/SH
13 I2C_SDA 14
HI/BUZ
16
I2C_SCL
15
JL1912
INPUT
TOUCH
KEY
12
JL1907
JL1908
PAIRING
TOUCH
KEY
11
1
CS5/GPO1
TOUCH
KEY
9
JL1910
VOL
CS6/GPO2
TOUCH
KEY
10
JL1909
CS4/GPO0
TOUCH
KEY
8
JL1911
VOL +
8 TS_INT
13 O-LED_RESET
14 SW2
3 SW1
O-LED_RESET
SCL
40 NFC_CLK
IRQ
35 NFC_IRQ
RFDET
38 NFC_RFDET
ISOLATOR
PH930
SHUNT
REGULATOR
IC931
PROTECT DETECT
Q931
BLUETOOTH
INDICATOR
RESET
SWITCH
Q5002
LINE FILTER
LF901
B+ SWITCH
Q6002, 6003
B+ SWITCH
Q301, 302
OLED_12V
LED_5V
WS_VDD
USB VBUS
+3.3V
(FOR IC6004)
D/ST
1
DC/DC
CONVERTER
IC6002
DC/DC
CONVERTER
IC302
DC/DC
CONVERTER
IC6003
VBUS
SWITCH
IC503
+3.3V
REGULATOR
IC6001
B+ SWITCH
Q501, 502
VCC_3.3V
D_3.3V
75PCONT_AMP (12V)
11PCONT_OLED
PANA_5V
PANA_1.1V
+5V
REGULATOR
IC303
DC/DC
CONVERTER
IC301
EARC_1.2V
+1.2V
REGULATOR
IC310
F3GPIO07
AG25
GPIO08
D2GPIO16
SoC
IC101 (3/3)
B+ SWITCH
Q306, 311
128Pana_PCONT (1.1V/3.3V)
PANA_PCONT
>002B
PANA_3.3V
B+ SWITCH
Q303, 308
80PCON_WOL_STDBY
MTKSTB_3.3V
B+ SWITCH
Q304, 309
120PCONT-3 (MTK)
3.3V
B+ SWITCH
Q305, 310
4TS_PCONT
+3.3V
(FOR IC1901)
+3.3V
REGULATOR
IC1902
+5V
REGULATOR
IC3008
DC/DC CONVERTER
IC304
1.2V
DDR_1.5V
VREF_0.75V
EN2
12
EN1
5
+3.3V
REGULATOR
IC307
A5V
+5V
REGULATOR
IC701
+1.1V
REGULATOR
IC305
(Page 44)
SYSSET
2019/09/2422:06:08(GMT+09:00)

Related product manuals