EasyManua.ls Logo

Sony SA-CT800 - Schematic Diagram - POWER Board

Sony SA-CT800
68 pages
Print Icon
To Next Page IconTo Next Page
To Next Page IconTo Next Page
To Previous Page IconTo Previous Page
To Previous Page IconTo Previous Page
Loading...
HT-CT800
HT-CT800
5555
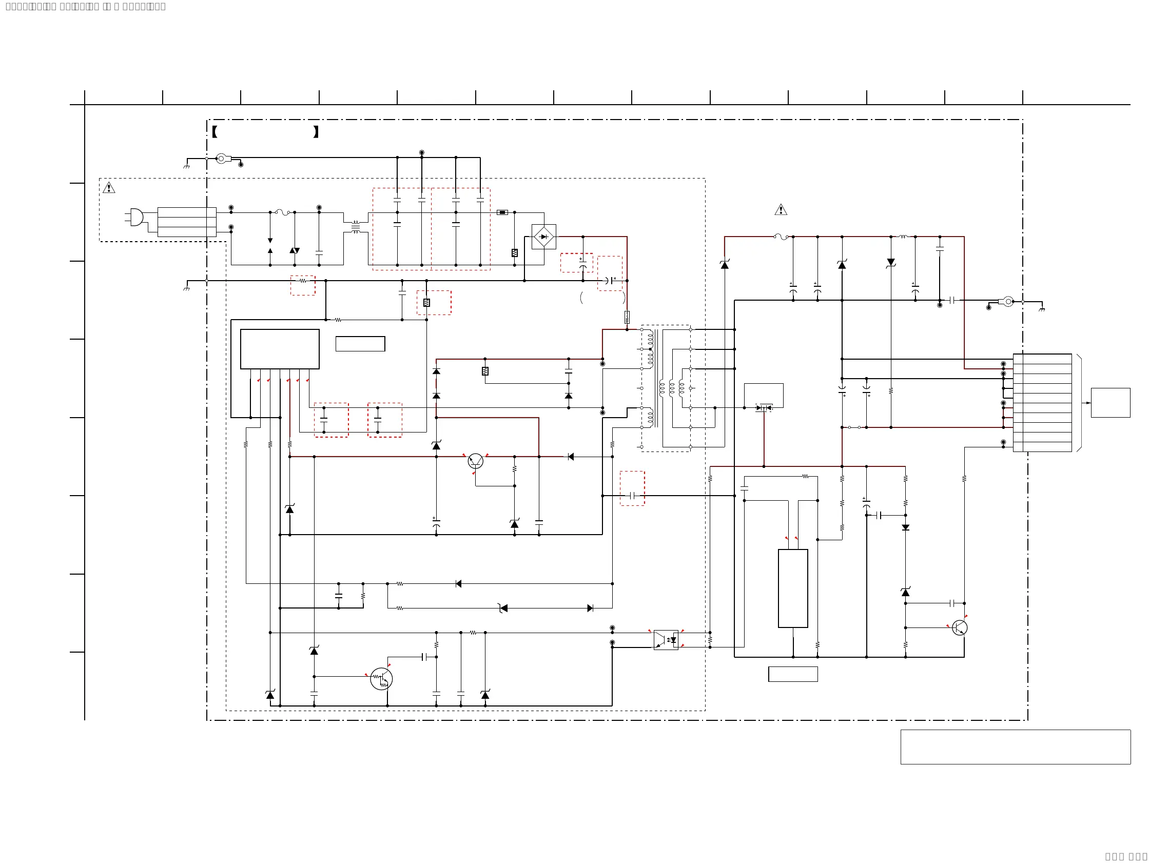
5-13. SCHEMATIC DIAGRAM - POWER Board -
• See page 57 for IC Block Diagrams.
31.6
30.6
1
0
6.3
21
21.7
21.6
30.6
2.4
0.1
1
21
0
146.9
0
0.6
3P
CN901
1LIVE
3NEUTRAL
JL973
JL974
JL902
JL903
JL975
JL976
JL904
JL936
JL977
JL901
JL937
IC930
D/ST
1
S/OCP
2
VCC
3
GND
4
FB/OLP
5
BD
6
NF
7
MM1431FNRE
IC931
K
1
VREF
2
A
3
TH901
10P
CN904
1 VACS_REQ
3 PVDD_33V
4 PVDD_33V
5 PVDD_33V
6P_GND
7P_GND
8P_GND
9 UN12V
10 GND
JL938
JL939
JL978
JL979
250V
5A
F901
VDR901
310V
C905
0.22
310V
C988
0.1
310V
C907
0.33
250V
C990
0.001
250V 250V250V
C989
0.001
~
+
~
D3SB60F3
D901
C914
420V
C915
100
*
1W
R914
0.33
R997
0
4.7
R990
4.7
R989
0
R991
1W
R932
2.2R956
0.1
C930
1.5kV
C935
2200p
1.5kV
C938
820p
DZ2J10000L
D930
RR264M-400
D936
CRH02(T5R,SONY,XM)
D942
25V
330
C941
DZ2J24000L
D939
10
C937
4.7k
R937
2SC5053T100Q
Q930
UDZSUSTE-1730B
D931
DZ2J15000L
D932
0.1
C936
KDZVTR22B
D972
RR264M-400
D937
C931
180p
27k
R938
47k
R936
2.2k
R935 R992
100
R945
2.2
C934
0.0047
C932
10
C933
DA2J10100L
D975
DA2J10100L
D934
4.7
R947
400V
0.0033
C939R944
SARS10
D938
D974
LTC044EUBFS8TL
Q931
UDZSUSTE-1730B
D941
1k
R965
1k
R987
35V
2200
C967
35V
47
C976
1
R972
C992
0.01
250V
2.5A
F931
RB068L100TE25
D967
25V
C969
1000
25V
1000
C970
UDZSUSTE-1730B
D973
KDZVTR22B
D971
35V
47
C977
0.1
C968
0.01
C971
220k
R971
4.7k
R978
1k
R976
47k
R977
10k
R975
35V
47
C980
FMX-22SL
D966
EL816S1(B)(TA)(DTE-S)
PH930
4.7uH
L967
E
ET932
JS901
E
ET931
0.5W
R901
1.5M
LF901
IC930
POWER CONTROL
IC931
SHUNT REGULATOR
POWER BOARD
ISOLATOR
(AC IN)
AC1
510
2
14
POWER
T901
6
12
13
11
87
9
3
1
TRANSFORMER
4
(CHASSIS)
2NC
BOARD
MB-1612
(4/4)
2NC
(CHASSIS)
(HEAT SINK)
A932
PATTERN
LND001
SPARK-GAP
0.11 2W (US, CND, TW)
0.18 2W (Except US, CND, TW)
STR-Y6735 (US, CND, TW)
STR-Y6766B (Except US, CND, TW)
(Except US, CND, TW)
(US, CND, TW)
(Except US, CND, TW)(US, CND, TW)
47k 3W (US, CND, TW)
100k 3W (Except US, CND, TW)
(US, CND, E3, EA3, TW)
34
1
2
(US, CND, TW) (Except US, CND, TW)
LINE
FILTER
REGULATOR
PROTECT DETECT
10k (Except US, CND, TW)
1k (US, CND, TW)
DZ2J180M0L (Except US, CND, TW)
DZ2J220M0L (US, CND, TW)
10 11 12 13
G
H
F
1
C
D
6
E
2
B
3
A
45 789
C951
0.1
R951
22k
R953
100
DA2J10100L
D951
C952
100p
R955
100
Q951
R952
47k
DZ2J27000L
D952
LSCR523UBFS8TL
(NOT USED)
C902
0.0022
C903
0.0022
250V
C940
470p
(US, CND, TW)
AEP, UK, SP1, AR,
TH, LA, AUS, CH
390 200V (US, CND, TW)
*C914
100 450V (E3, EA3)
Note: When the D901, F931, LF901, R914, T901, TH901 or
VDR901 on the POWER board is replaced, refer to “BOND
FIXED POSITION OF ELECTRICAL PARTS” on page 8.
Ver. 1.3
SYSSET
2019/09/2422:06:08(GMT+09:00)

Related product manuals