EasyManua.ls Logo

Sony STR-DA3300ES - DISPLAY Board Section

Sony STR-DA3300ES
242 pages
Print Icon
To Next Page IconTo Next Page
To Next Page IconTo Next Page
To Previous Page IconTo Previous Page
To Previous Page IconTo Previous Page
Loading...
147
STR-DA3300ES/DG1100
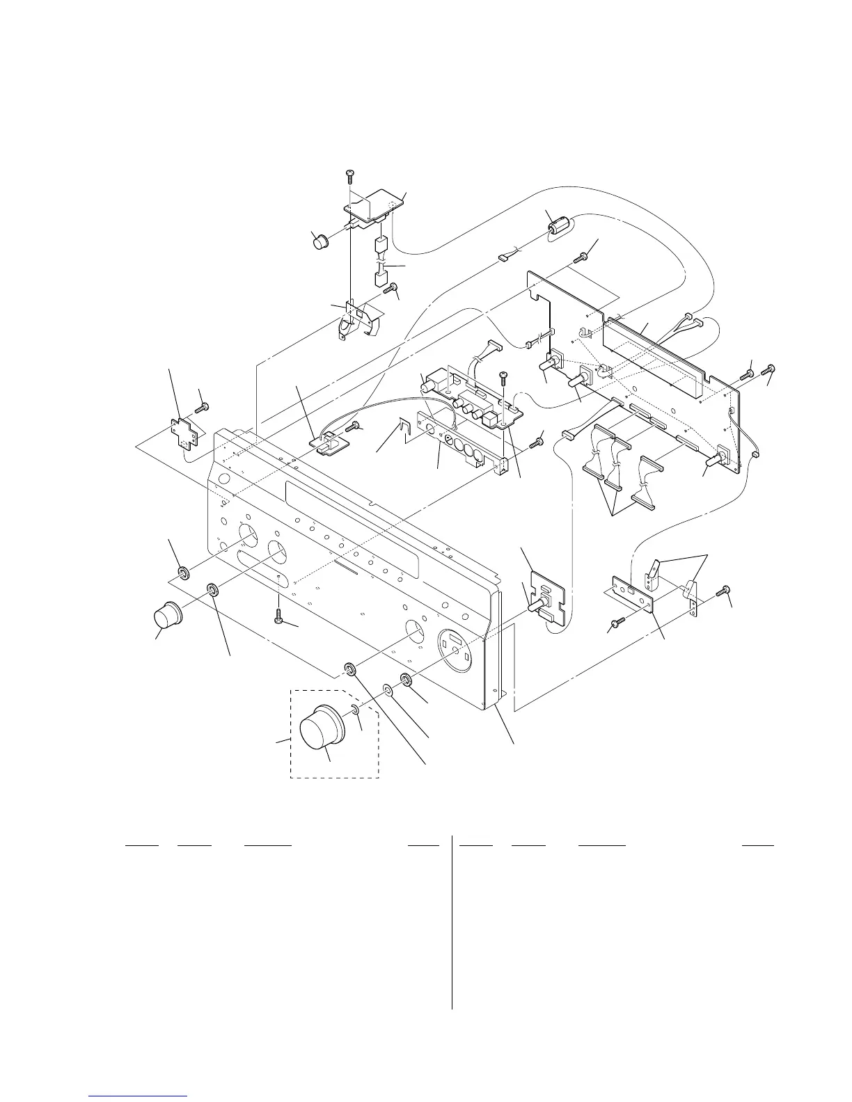
Ref. No. Part No. Description Remark
Ref. No. Part No. Description Remark
51 X-2176-946-1 KNOB (VOL) ASSY (BLACK)
51 X-2176-947-1 KNOB (VOL) ASSY (SILVER)
52 3-704-515-22 SCREW (BV/RING)
53 2-661-141-31 MENU KNOB (BLACK)
53 2-661-141-41 MENU KNOB (SILVER)
54 3-087-053-01 +BVTP2.6 (3CR)
55 1-543-793-41 FILTER, CLAMP (FERRITE CORE)
56 3-113-929-01 BUTTON (POWER-A13) (BLACK)
56 3-113-929-11 BUTTON (POWER-A13) (SILVER)
57 A-1254-406-A DISPLAY BOARD, COMPLETE
(DA3300ES: AEP, ECE, UK/DG1100)
57 A-1257-022-A DISPLAY BOARD, COMPLETE
(DA3300ES: US, CND)
58 3-087-053-11 +BVTP2.6 (3CR)
59 3-350-426-01 SPRING, RING
J702 1-815-313-11 JACK (PHONES)
S713 1-418-400-11 ENCODER, ROTARY (TONE)
S714 1-418-400-11 ENCODER, ROTARY (TUNING)
S715 1-418-400-11 ENCODER, ROTARY (INPUT SELECTOR)
S722 1-418-725-41 ENCODER, ROTARY (12 TYPE)
(MASTER VOLUME)
#1 7-685-646-79 SCREW +BVTP 3X8 TYPE2 IT-3
7-2. DISPLAY BOARD SECTION
56
55
57
52
53
54
54
54
54
58
54
54
54
54
#1
#1
not supplied
(MIC board)
not supplied
not supplied
not supplied
not supplied
not supplied
(MAIN VOL board)
not supplied
(VIDEO3 board)
S715
S714
S713
S722
not supplied
not supplied
(KEY1 board)
supplied
with S722
front panel section
supplied with S715
supplied with S714
supplied
with S713
not supplied
(KEY2 board)
not supplied
not supplied
supplied with
J702
not supplied
(POW SW board)
51
59
J702
Ver. 1.2

Table of Contents

Other manuals for Sony STR-DA3300ES

Related product manuals