EasyManua.ls Logo

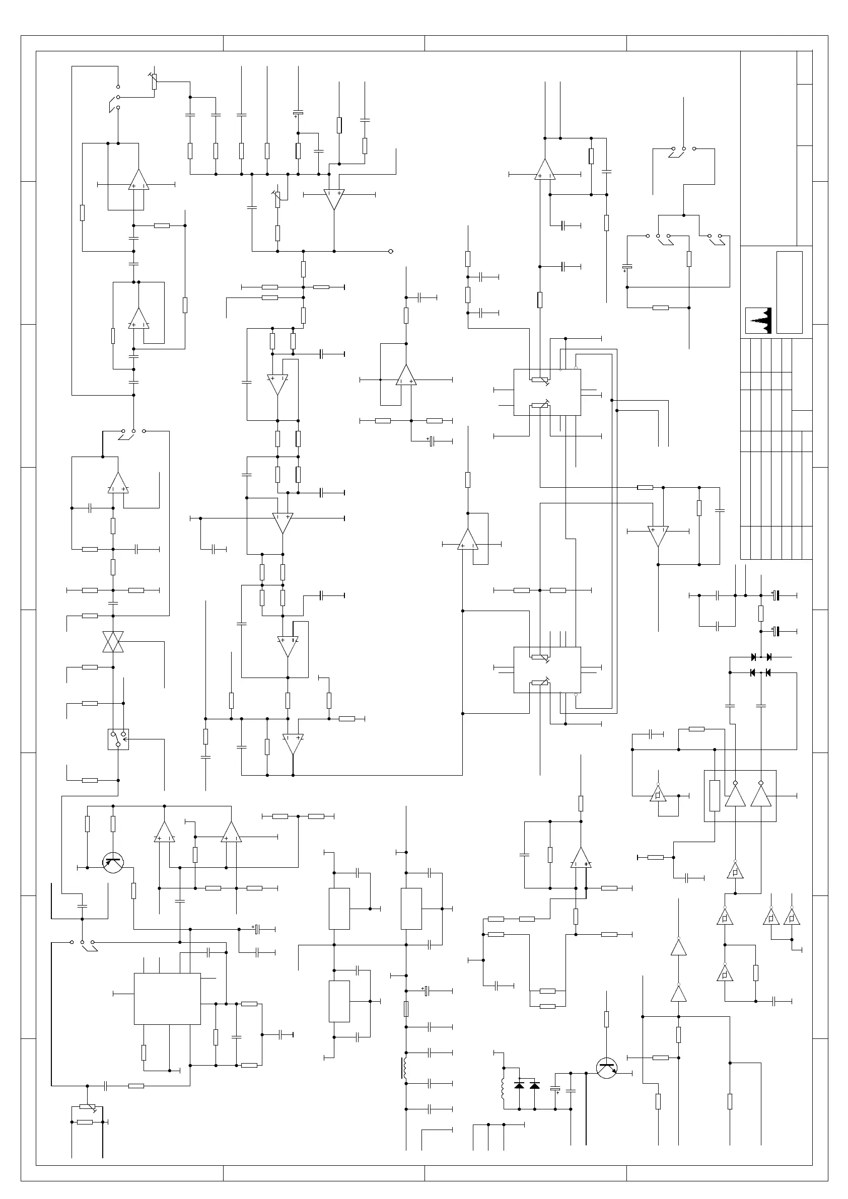
Spectra Engineering MX800 - Circuit Diagram: MX800 CONTROLLER BOARD TRANSMIT MODULATION SECTION; Transmit Modulation Section Details

Spectra Engineering MX800
201 pages
Print Icon
To Next Page IconTo Next Page
To Next Page IconTo Next Page
To Previous Page IconTo Previous Page
To Previous Page IconTo Previous Page
Loading...
1 2 3 4 5 6 7 8
A
B
C
D
8
7654321
D
C
B
A
9 TRADE ROAD
MALAGA 6062
WESTERN AUSTRALIA
PHONE +618-92482755
C145
10u
C113
2n2
R177
1K (NF)
C114
2n7
ETH
C73B
10u
ETH
C192
10u
C146
1u
C75
1u
C73
100n
C76
1u
C67
1u
TS1
N.F.
3
2
1
JMP13
3
2
1
JMP3
C144
100n
R198
100R
5
6
7
IC49B
LM2904
R150
18K
+5
3
2
1
JMP8
5
6
7
IC23B
LM2904
3
2
1
84
IC24A
MC33202D
3
2
1
84
IC23A
LM2904
5
6
7
IC24B
MC33202D
5
6
7
IC28B
MC33202D
5
6
7
IC29B
MC33202D
3
2
1
84
IC29A
MC33202D
5
6
7
IC30B
MC33202D
5
6
7
IC26B
MC33202D
5
6
7
IC33B
LM2903
3
2
1
84
IC33A
LM2903
ETH
GCin
3
RectIn
2
THDtr
8
VCC
13
-IN
5
RES
6
GND
4
ReCap
1
OUT
7
15
IC34A
SA571D
R29
1K
ETH
R26
10K
R2
1K
R23
470K
R3
47K
R24
100K
+5+5
R33
18K
R35
82K
ETH
R146
3K9
R145
3K9
ETH
RV2
100K
R34
18K
R63
1K8
ETH R62
10K
R54
150K
R58
20K
+12
+5
+5
C140
1n
C139
100n
L2
100uH
TR1
FZT651
+5
C36
56p
C33
10n
C27
100n
+5
C32
1n
C29
10n
C104
10n
C35
100n
+5
C28
100n
C37
56p
C54
1uF
+5
C39
3n9
C42
330p
C43
1n
C41
3n9
C40
330p
R56
51K
C46
10n
C47
10n
R61
3K9
+5
+5
C49
56p
C45
10n
C44
10n
C50
100n
+12
C72
100n
IN
8
COM
6
OUT
1
IC35
78LO8
+12
C31
100n
C30
100n
Vin
1
GND
2
Vout
3
IC27
78M05DT
C14
10u 50V
C15
10u 50V
C17
100n
5 6
IC20C
3 4
IC20B
C18
100n
1011
IC20E
C16
1n
89
IC20D
1 2
147
IC20A
MC14584B
F1
3A
C12
2200u 25V
1
2
3
D3
BAV99
1
2
3
D4
BAV99
+5
L1
1mH
C11
2200U 25V
C13
100n
D1
BAV70
+12
C52
120p
C51
10n
+5
C66
10n
TR6
BC857
C74
56p
C78
100n
1110
12
IC32B
4066
C38
330p
ETH
R101
1K5
RV4/RV4B
1K
3
2
1
JMP4
+8
+8
ETH
ETH
ETH ETH
ETH
ETH
R89
1M
R12
68K
R144
4K7
R90
470K
R92
22K
R91
22K
+8
R96
1K3
R94
1K5
R95
6K8
R97
4K7
R88
4K7
R195
100K
R82
100K
R99
10K
R67
10K
R100
5K6
ETH ETH
R65
33K
R66
56K
R55
56K
R60
2K7
R52
3K9
R57
820R
ETHETH
ETH
R53
15K
R50
560K
R51
220K
RV1
10K
ETHETH
ETH
R37
10K
R49
100K
R48
4K7
R47
330K
R46
220K
R44
8K2
R45
56K
R43
100K
R42
180K
R39
51K
R40
270K
R93
270K
R41
68K
R38
10K
R36
100K
R68
10K
R64
10K
ETH ETH
+5+5
ETH ETH ETH ETH ETH
ETH
ETHETHETH
ETH
ETH ETH
ETH
ETH
ETH
ETH
ETH
ETH ETH ETH
ETHETH
ETH
+8
C98
100n
C138
1n
ETH ETH
R13
220R
TEMP SENS
LOC ON PA
R152
10K
R151
10K
R28
10K
R32
10K
R31
1K
R25
1K
R87
10K
R27
470K
R30
10K
R16
10K
1213
IC20F
R143
10R
R15
10R
3
4
5
11
13
12
16
15
147
8
9
10
6
2
1
IC11
DS1267S
3
4
5
11
13
12
16
15
14 7
8
9
10
6
2
1
IC10
DS1267S
C141
100n
ETH
C48
100n
ETH
R59
1K
ETH
IN
8
COM
6
OUT
1
IC21
78MO5DT
C19
100n
+5
C20
100n
TEST POINT
+5
R196
100K
15
1
2
10
IC36B
4053B
R81
100K
R148
1K
2
1
4 5
7
8
6
3
IC44
TPS2811
ETH
C143
100n
ETH
ETH
R17
0R
ETH
R223
1K
C151
100n
5 6
IC56C
74HC14
3 4
IC56B
74HC14
C164
100n
R246
18K
C190
100n
R285
240K
R284
68K
ETH
+8
R290
220R
3
2
1
JMP27
R291
51K
C194
10u
(REV O+)
GJ17/2/04
R145,R146
L:RV1,R62,R35,R62,
TX NOMINAL LEVEL
LINE IN
T99 OPT
5
4
PTT2
DEFAULT
SKD-13
SKC-13
GJF: ADD LOCAL FNC3/4/99
MIC_PTT2
POTDAT1
SKC-4
SKE-1
SKE-4
SKE-2
EXT PTT IN
DC FM / FSK MOD
DC_FM_WB
DC_FM_WB
DC_FM
DC_FM
SKE-9
SKD-1
SKC-1
POWER CONTROL
CORRECTIONLPF + PRE-EMP
TEMP SENSE AMP
VCO SUPPLY
DIGITAL POTS
BOARD TRANSMITT
SKH-6
SKH-12
SKH-14
SKC-8
SKC-19
PWM
PA_FWD
PWR_CNTRL
TEMP_A/D
TX LPF
CTCSS
SKX-3
LIMITER
TTR_VF
VB
VB
+35V
GP
GJ
MODULATION SECTION
(C) Copyright
ENGINEERING
SPECTRA
APP
APPROVED
CHECKED
DRAWN
DESIGNED
DATEBY
PCB
REF
REVSHEETDRAWING No
TITLEREVISIONDATE
CS001-1O O
29/1/96
4/4/98
1 OF 6
MX800 CONTROLLER
PTT
FAN
TX_MOD_ON
VB
VB
VB
VB
VF COMPRESSOR
PRE-EMPHASIS
TX HPF
ON
OFF
TX VF GAIN
ON
OFF
ON OFF
DC-FM WIDE BAND
POT_CLK
POT_RST
SKB-4
SKB-6
SKA-1
SKA-2
SKH-8
1%
1%
1%
1%
1% 1%
1%
VCO MODULATION
REF MODULATION
SKG-1
SKG-2
+VE POWER
+5V DIGITAL CCT ONLY
PRE-EMP
TX HPF
TX_VF
LIF2
VB VB
SKE-5
MC_ID1
SKE-10
MICROCL REVP+
REF OSC DEV REF OSC FREQ TX POWER
MDM_IP
LINE_IN
MIC_TXVF
PG
GJ
3/9/99 H: COMP & FILT GJ
3.4kHz BESSEL LPF
SW2
5/10/00 I: REMOVE TANTS GJ
SKK-3
NC
2
3
1
84
IC302
MC33202D
2
3
1
84
IC28A
MC33202D
2
3
1
84
IC26A
MC33202D
IC25 PIN 9 (FX805)
LOOPBACK CONTROL
R131
1K
C107
1u
ETH
CTCSS IN
+8V
ETH
IC33B-PIN5
IC33B-PIN2

Table of Contents

Related product manuals