EasyManua.ls Logo

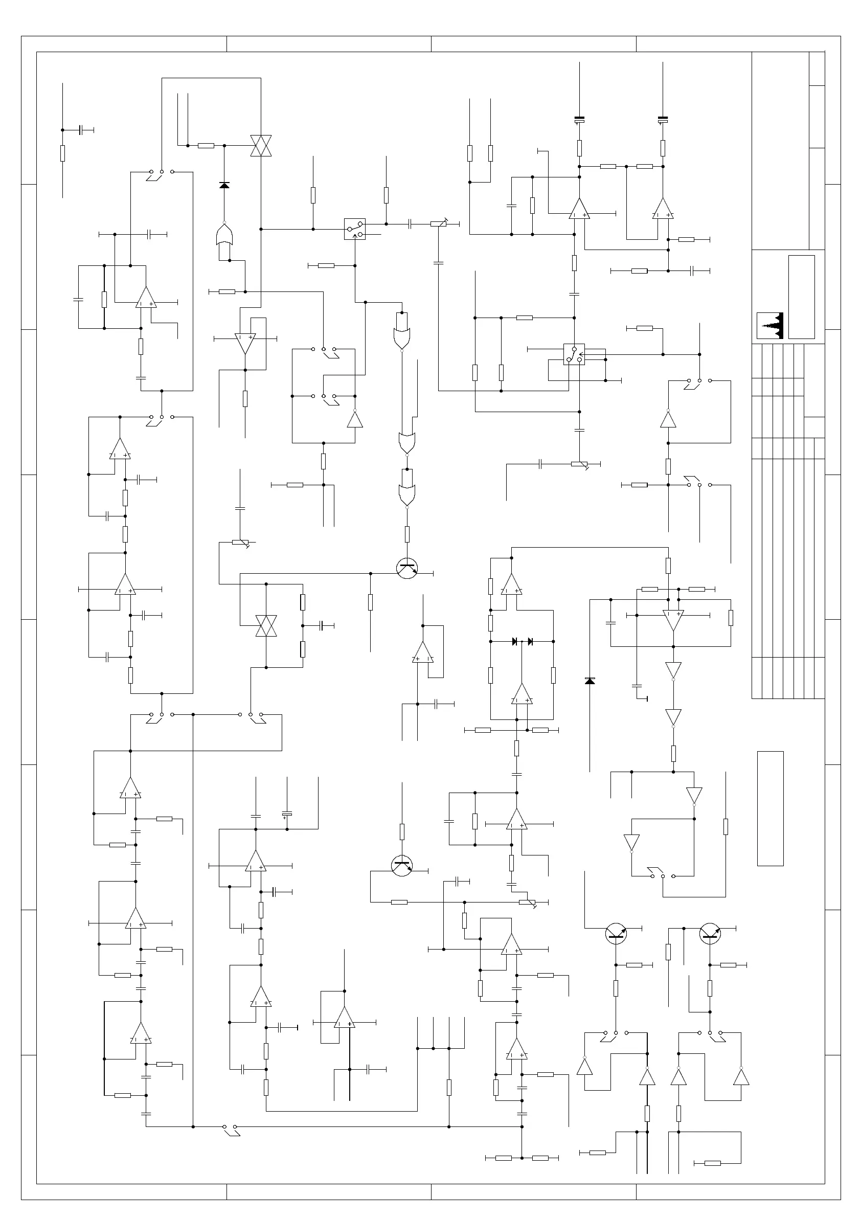
Spectra Engineering MX800 - Circuit Diagram: MX800 CONTROLLER BOARD RECEIVER DEMODULATION SECTION; Receiver Demodulation Section Details

Spectra Engineering MX800
201 pages
Print Icon
To Next Page IconTo Next Page
To Next Page IconTo Next Page
To Previous Page IconTo Previous Page
To Previous Page IconTo Previous Page
Loading...
1 2 3 4 5 6 7 8
A
B
C
D
8
7654321
D
C
B
A
NOTES:
1. ALL JUMPERS AND LINKS SHOWN IN
CONVENTIONAL MODE OF OPERATION.
9 TRADE ROAD
MALAGA 6062
WESTERN AUSTRALIA
PHONE +618-92482755
R226
N.F.
R281
1K
R283
1K5
ETH
R282
100K
TR14
BC847
+5
R288
100K
D11
BAV70
3
2
1
JMP25
R289
100K
R280
22K
R228
22K
ETH
+5
C80
1n
ETH
ETH
ETH
C79
1n
5
6
7
IC57B
LM2904
3
2
1
84
IC57A
LM2904
3 4
IC17B
74HC14
11 10
IC17E
74HC14
5 6
IC17C
74HC14
+5
R215
100K
+5
R142
100K
13 12
IC17F
74HC14
ETH
R213
10K
R85
100R
R214
10K
ETH
TR9
BC847
R212
33K
+5
ETH
9
5
3
4
167
8 6
IC36A
4053B
R86
10K
R205
10K
ETH
TR5
BC847
+5
R207
10K
R206
10K
3
2
1
JMP18
+5
R209
10K
R208
10K
3
2
1
JMP14
3
2
1
JMP16
+5
ETH
ETH
C103
100n
+5
ETH
R185
10K
+5
ETH
ETH
C87
100n
+5
ETH
+5
+5
ETH
+8
ETH
R131
1K
D6
BAV70
R136
10K
R137
22K
+5
R134
10K
R133
10K
R135
220K
R132
10K
R130
560K
RV6/RV6B
100K
R129
4K7
R125
330K
R124
2K7
R122
6K8
R77
22K
R78
160K
R79
56K
R80
56K
C96
10u
C133
4p7
+12
C91
100n
C88
10n
C86
3n9
C85
1n
C89
10n
C90
180p
C84
10n
C83
10n
C82
10n
C81
10n
C94
10n
C93
10n
C65
1uF
C64
3n9
C63
10n
C62
3n9
C61
10n
4 3
5
IC32C
4066
+5
C102
1n
C101
1n
C100
1n
C99
1n
+5
C105
3n9
C106
56p
C108
1n
1
2
3
D7
BAV99
C109
10n
1 2
13
IC32A
4066
R197
100K
R103
15K
R104
30K
R106
160K
R105
11K
R109
3K9
R110
750K
3
2
1
JMP5
3
2
1
JMP6
R108
13K
R107
100K
ETH ETH
ETH
ETH
ETH
ETH
ETH
ETH
ETH
ETH
ETHETH
ETH
ETH
R112
110K
R111
12K
R113
15K
R114
270K
R116
10K
R120
390K
3
2
1
JMP7
RV5/RV5B
100K
R115
10K
R117
10K
R121
560R
R118
100K
R119
33K
R138
100K
R140
100K
R139
10K
R83
100K
R84
100K
RV3
10K
R126
1K
R127
1K
R123
33K
14
13
12
11
IC36C
4053B
ETH
+8V
R200
100K
R201
100K
R202
100K
RV7
100K
ETH
R199
100K
3
2
1
JMP12
R204
10K
R203
10K
+5
3
2
1
JMP9
R193
10K
R194
10K
+5
3
2
1
JMP17
R102
100R
3
2
1
84
IC39A
LM2904
5
6
7
IC39B
LM2904
3
2
1
84
IC38A
LM2904
5
6
7
IC38B
LM2904
3
2
1
84
IC37A
LM2904
5
6
7
IC37B
LM2904
5
6
7
IC31B
LM2904
3
2
1
84
IC31A
LM2904
5
6
7
IC41B
LM2904
3
2
1
84
IC41A
LM2904
3
2
1
84
IC42A
MC33202D
5
6
7
IC42B
MC33202D
5
6
7
IC43B
MC33202D
3
2
1
84
IC43A
MC33202D
5
6
7
IC40B
MC33076
R211
33K
R210
10K
ETH
TR8
BC847
ETH
R149
10R
1
2
3
IC55A
74HC02
4
5
6
IC55B
74HC02
8
9
10
IC55C
74HC02
11
12
13
IC55D
74HC02
1 2
IC17A
74HC14
9 8
IC17D
74HC14
12
IC56A
74HC14
98
IC56D
74HC14
1110
IC56E
74HC14
1312
IC56F
74HC14
R141
470R
C142
100n
ETH
R147
1K5
C70
1u
C107
1u
C92
1u
C71
1u
C147
1u
C77
1u
C148
1u
C155
100n
C97
10u
C193
10u
3
2
1
JMP26
REV N
C68
1uF
SKX-6
WB/NB COMPENSATION
SKD-10
REV K PCB GJ
MUTE/SQUELCH
RX TALK
I: ADD MUTE OFF FNC18/9/99
TTR LEVEL
LOCAL_VF
SKK-8
MONITOR_VF
REMOVE FOR OPTION PC
SKK-2
SKK-1
GJ
PGGJ
GJ
F: ADD LOCAL FNC3/4/99
MICROCL REVN+
SKE-8
SKB-5
PA_REFL
SKB-8
PA_FWD
SKE-3
RX LINE LEVEL
VB2
VB2
TX_MOD1
TX_MOD_ON
TX_VF
TX_TALK1
TX_TALK1
TX_TALK
LIFULOCEN
GJ
TTR NORM
TTR WB
MUTE/SQUELCH SWITCH
BOARD RECEIVER
GP
GJ
DEMODULATION SECTION
(C) Copyright
ENGINEERING
SPECTRA
APP
APPROVED
CHECKED
DRAWN
DESIGNED
DATEBY
DWGS
REF
REVSHEETDRAWING No
TITLEREVISIONDATE
CS001-2O O
29/1/96
4/4/98
2 OF 6
MX800 CONTROLLER
SKH-9
VB2 VB2
VB2
MUTE_OFF
SKH-2
DISC
VB2VB
SKH-4
TTR
DE-EMPHASIS
VB2
3.4KHz LPF
VB2
300Hz HPF
VB2 VB2
SUB
TTR_VF
ON
OFF
ON
OFF
HPF
LPF DE-EMP
ON
OFF
MUTE_SW
VB2
RX_TALK
RX TALK OFF SWITCH
SKE-6
LIFUISEN
LOOP-BACK LEVEL
MUTE
LIF2
REPEATER_ON
SKH-10
SKH-1
SKH-13
SKH-3
SKH-11
HIGH
LOW
MUTE
SKD-3
DISCRIMINATOR IN
1V P-P
0.25V P-P
G: UPDATE CTCSS2/09/98 LPF AND HPF
300Hz LPF
SKK-16
INHIBIT
6/10/00 J: TANT REMOVE GJ
K: JUMP16,20,21 PIN#2/09/01 GJ
SUB OUT
SUB OUT
default
REV N
M: REMOVE JMP20,215/3/03
SKX-9
2
3
1
84
IC49A
LM2904
2
3
1
84
IC40A
MC33076
SKK-4
SKX-6

Table of Contents

Related product manuals