EasyManua.ls Logo

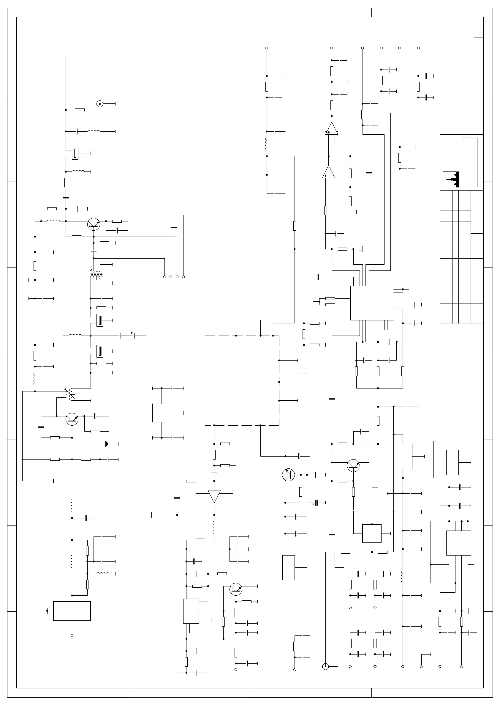
Spectra Engineering MX800 - Circuit Diagram: MX800 PA CIRCUIT DIAGRAM; PA Circuit Diagram Details (continued)

Spectra Engineering MX800
201 pages
Print Icon
To Next Page IconTo Next Page
To Next Page IconTo Next Page
To Previous Page IconTo Previous Page
To Previous Page IconTo Previous Page
Loading...
1 2 3 4 5 6 7 8
A
B
C
D
8
7654321
D
C
B
A
9 TRADE ROAD
MALAGA 6062
WESTERN AUSTRALIA
PHONE +618-92482755
CN4-1
CN4-1
CN4-1
CN4-1
ETH
+5
C77
470n
C78
470n
C93
470n
C94
470n
C112
1u
ETH
C60
1u
C52
3u3
C51
470n
C54
1u
ETH
C59
1u
C61
N.F.
ETH
CN6
R93
10K
C58
330p
ETH
C36
68p
L1
150nH
ETH
C24
100n
ETH
C17
1n
ETH
C9
N.F.
C7
100n
ETH
C89
1n
ETH
ETH
C48
1n
TR6
BC847
R68
470R
R67
100K
+5
ETH
+8
ETH
C15
1n
R15
2K2
R16
220R
ETH
R12
220R
R13
4R7
ETH
C10
1n
+8L9
3u3H
ETH
ETHETH
R20
10R
ETH
C21
100n
C23
1n
ETH
R23
2K2
R25
33R
ETH
C28
15p
C27
15p
L10
3u3H
ETH ETH
C26
1n
R21
1K
R22
470R
R24
150R
R18
1K
ETH
ETH
ETH
C53
10n
C56
1n
R39
51K
R40
330K
R41
56R
ETH
ETH
R35
10K
R33
10K
R34
33K
ETH
TR4
BC847
SKD-8
C45
1n
ETH
Vin
8
GND
4
+9V
1
EN
3
5
7
IC3
LP2951
C55
1u
C47
1n
ETH ETH
ETHETH
FL3/B
45F15B
FL3/A
ETH
C67
1n
C72
100n
R56
2K7
ETH
C49
100n
+12
ETH
C46
100n
R37
0R
Vin
8
GND
2-7
Vout
1
IC2
78L08
ETH
C50
100n
ETH
ETH
+12
ETH
C105
100n
ETH
ETH
C91
1n
Vin
8
GND
2-7
Vout
1
IC8
78L05
CN3
ETH
ETH ETH
ETH
SKD-12
SKD-9
C100
100n
VCC
8
GND
7
CLK
6
DATA
5
A0
1
A1
2
A2
3
VEE
4
IC6
* X24C04
R65
10K
+5
ETH
ETH
R46
220R
C113
1n
CLK
1
DAT
2
STB
3
VSS
4
RFIN
5
*RFIN
6
VCCP
7
REFIN
8
RA
9
AUX
10
PHA
11
VSSA
12
PHI
13
PHP
14
VDDA
15
RN
16
RF
17
LOCK
18
TST
19
VDD
20
IC10
SA7025DK
R75
1K5
R76
100R
C115
10n
C110
1n
C109
100n
C108
1n
R74
10K
R73
33K
ETH
ETH
R72
33R
C117
1n
ETH
ETH
C111
1n
C107
1n
R71
33R
ETH
ETH
ETH
C123
1n
ETH
C114
3u3
SKD-16
ETH
ETH
C75
100n
ETH
SKD-13
ETH
C124
1n
C119
100p
C121
100p
C128
100p
C120
100p
C122
100p
C118
100p
ETH
ETH
ETH ETH
ETH
ETH
ETH
SKD-15
SKD-18
SKD-17
SKD-14
ETH
+12V IN
SKD-2
C92
100n
C99
1n
ETH ETHETHETH
ETH
C95
100p
C96
100p
C97
100p
C98
100p
ETH ETH
ETHETH
R70
33R
Vin
8
GND
2-7
Vout
1
IC7
78L05
ETH
ETH ETH
C101
100n
ETHETH
C127
1n
C126
1n
ETH
ETHETH
C88
1n
C87
1n
ETH
ETH
R38
1K
TR5
BC847
R48
220R
R47
22R
R77
4K7
R78
18K
R83
1K
R84
1K
R80
220R
R81
220R
R79
220R
R82
220R
R85
100R
R69
100R
R63
220R
R64
220R
ETH ETH
C116
470nF
ETH
5
6
7
IC11B
MC33172D
3
2
1
84
IC11A
MC33172D
C125
1n
R19
0R
T1
M213
D2
BAV99
ETH
ETH
ETHETHETH
TR2
BFG591
R10
56R
C13
470p
C22
18p
ETH
C103
1n
C18
12p
C12
1n
ETH
T2
M213
C16
8p2
TR3
2SC3583
C25
1n
C14
100n
ETH
R17
1K
ETH
FL4
45F15A
ETH
L7
680nH
L8
18n5
R11
56R
L16
390nH
ETH
R42
560R
C57
1n
C64
1n
ETH
3
2 1
4
IC4
MSA-0886
R45
270R
R44
18R
R43
270R
ETH ETH
C63
100n
C20
100n
ETH
IC9
78M08
+12
ETH
C66
100n
C65
100n
ETH ETH
ETH
ETH
C104
1n
R66
1K
R36
1K
SKD-1
ETH
L21
390nH
L22
390nH
SKD-19
SKD-20
SKD-7
SKD-5
SKD-6
C137
1n
C136
1n
ETH
ETH
R88
1K
R87
1K
C135
1n
C134
1n
ETH
ETH
R86
1K
R62
1K
R57
1K
C133
1n
C132
1n
ETHETH
C131
1n
C129
1n
ETHETH
C130
1n
C106
1n
ETHETH
R50
10K
R49
10K
ETH
S5
3u3H
ETH
S6
3u3H
S7
N.F.
CT1
5-20p
C52B
100u
ETH
22/01/03 GJD: IC6 PINS
45MHZ FOR BANDS A,B
TO FRONT END
+30V
X2
V.C.O. BOARD
SKT-6
ETH
RF OUT
TCXO
+VE
(C) Copyright
ENGINEERING
SPECTRA
GJ
GJ
APP
APPROVED
CHECKED
DRAWN
DESIGNED
DATEBY
PCB
REF
REVSHEETDRAWING No
TITLEREVISIONDATE
MIXER & IF SECTION
RECEIVER MODULE
CS015-1G G
11/6/99
11/6/97
SAMPLE RF
TUNE
+7.4V
SKT-5
SKU-1
SKT-1
SKT-3
SKT-2
SKU-3
SKU-2
RF OUT
1 OF 2
+17dBm
LRFMS-2-17
M1
IF
LO
RF
MIXER
MX800
ETH
ETH
SHEET 2 OF 2
"A"
COMPONENTS FITTED1. NOT ALL
NOTES:
IF SIGNAL
SEARX REV H+
C: Tant remove GJ28/8/00

Table of Contents

Related product manuals