EasyManua.ls Logo

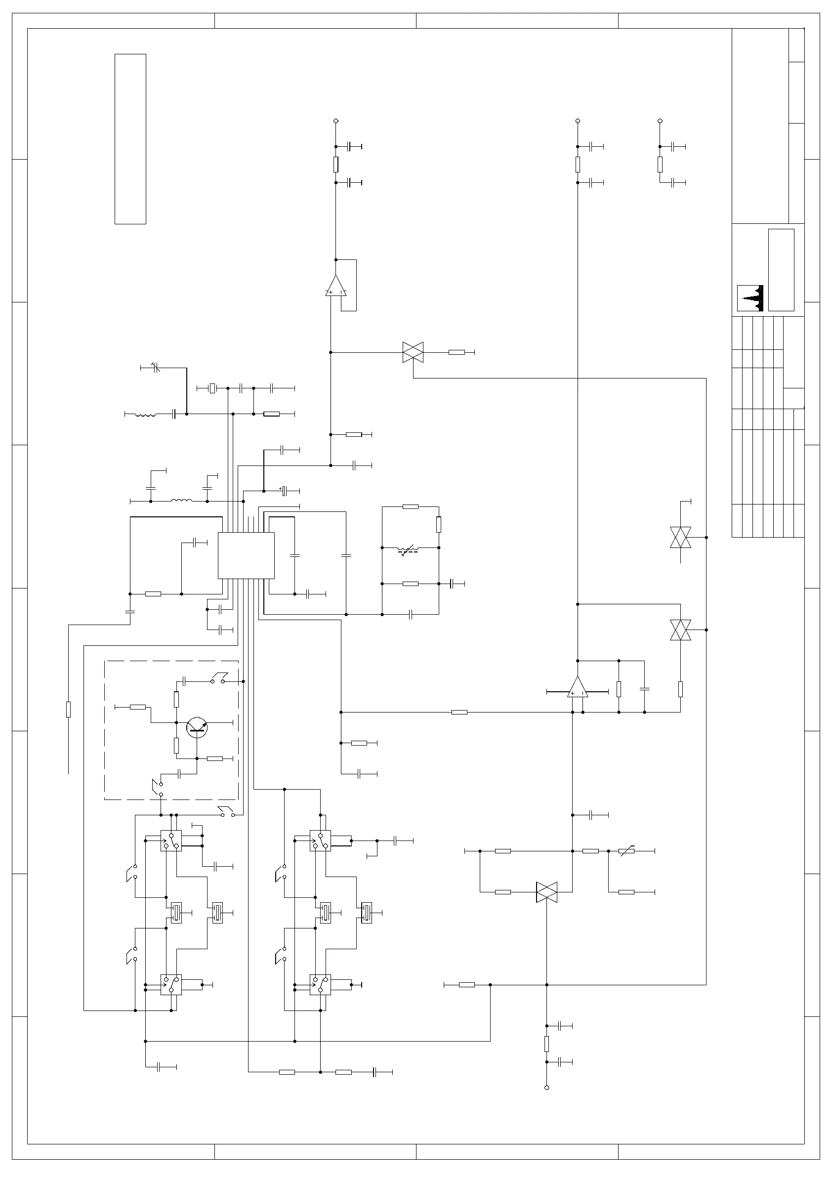
Spectra Engineering MX800 - Circuit Diagram: MX800 PA CIRCUIT DIAGRAM; PA Circuit Diagram Details (continued)

Spectra Engineering MX800
201 pages
Print Icon
To Next Page IconTo Next Page
To Next Page IconTo Next Page
To Previous Page IconTo Previous Page
To Previous Page IconTo Previous Page
Loading...
1 2 3 4 5 6 7 8
A
B
C
D
8
7654321
D
C
B
A
NOTES:
1. Programable IF: FL5,FL6=SFGCG455DX. FL5A,FL6A=CFUCG455GX.
2. WB Only: FL5,FL6=SFGCG455DX
3. NB Only: FL5,FL6=CFUCG455GX
4. MB Only: FL5=SFGCG455DX,FL6=CFUCG455GX
9 TRADE ROAD
MALAGA 6062
WESTERN AUSTRALIA
PHONE +618-92482755
R95
33R
ETH
C19
100n
+5
R92
100K
ETH
ETH
R91
2M7
R89
2M2
R90
100K
ETH
C11
100n
ETH
C68
100n
ETH
+5
+5
ETH
ETH
KL
N M
ETH
FL6B
*
FL5B
*
1
2
15
14
4
3
16
5
IC14A
DG213DY
11
10
7
8
6
13
12
9
IC14B
DG213DY
11
10
7
8
6
13
12
9
IC13B
DG213DY
1
2
15
14
4
3
16
5
IC13A
DG213DY
+5
S8
680R
ETH
ETH
C102
100n
C90
100n
L23
390nH
ETH
CT1
5-20p
R59
1K
R58
100R
ETHETH
ETHETH
C81
1n
C82
1n
SKD-4
SKD-3
C79
1n
C80
1n
3
2
1
84
IC5A
MC33202
5
6
7
IC5B
MC33202
C74
4p7
R53
2M2
R52
220R
ETH
R54
100K
C84
1n
C83
1n
SKD-11
SKD-10
C86
1n
C85
1n
ETHETH
ETH ETH
R60
1K
R61
1K
ETH
R31
15K
ETH
ETH
C30
100n
C33
100n
RFIN
1
RFBP
2
XT1
3
XT2
4
MUTE
5
VCC
6
RSSI
7
AUDM
8
AUDU
9
QUIN
10
LIMO
11
DCPL
12
DCPL
13
LIMI
14
GND
15
IFOP
16
DCPL
17
IFIN
18
DCPL
19
MIXO
20
IC1
SA615
+5
ETH
ETH
ETH
R27
2K2
ETH
FL6
*
FL5
*
C31
100n
C32
100n
ETH
ETHETH
C44
3n9
R32
100K
ETH
R28
47K
R30
10K
R29
33K
C39
100n
C38
82p
C34
10p
ETH ETH
C29
100p
R26
100K
ETH
ETH
ETH
L15
680nH
C40
1n
C42
18p
C41
56p
X1
44.545MHz
C37
1n
C35
1n
L14
1.5mH
C62
47u
C73
100n
ETH
ETH
R51
2K2
+5
R14
3K3
C8
100n
ETH
R55
2K
1 2
13
IC15A
74HC4066
1110
12 IC15B
74HC4066
43
5 IC15C
74HC4066
8 9
6
IC15D
74HC4066
C43
470n
ETH
V T
U
C71
10n
ETH
R100
6K8
R98
0R
+5
R97
1K
ETH
R99
27K
C70
10n
TR1
BC847
R96
3K3
ETH
DG213 OPTION
28/8/00 GJC: Tant remove
LOW = NB
HIGH = WB (DEFAULT)
IF MODE
DISC OUT
RSSI
45MHZ IF FOR BANDS
LO FREQ ADJUST
TEMP COMPENSATION
RSSI CORRECTION
GAIN CORRECTION
TEMP COMPENSATION
DC OFFSET CORRECTION
(C) Copyright
ENGINEERING
SPECTRA
GJ
GJ
APP
APPROVED
CHECKED
DRAWN
DESIGNED
DATEBY
PCB
REF
REVSHEETDRAWING No
TITLEREVISIONDATE
MIXER & PROGRAMMABLE
RECEIVER MODULE
CS015-2E E
11/6/99
1/8/99
2 OF 2
NTC
MX800
IF SIGNAL
A,B
R14 = N/F
R27 = 0RT28 NOTE:
T28 OPTION

Table of Contents

Related product manuals