EasyManua.ls Logo

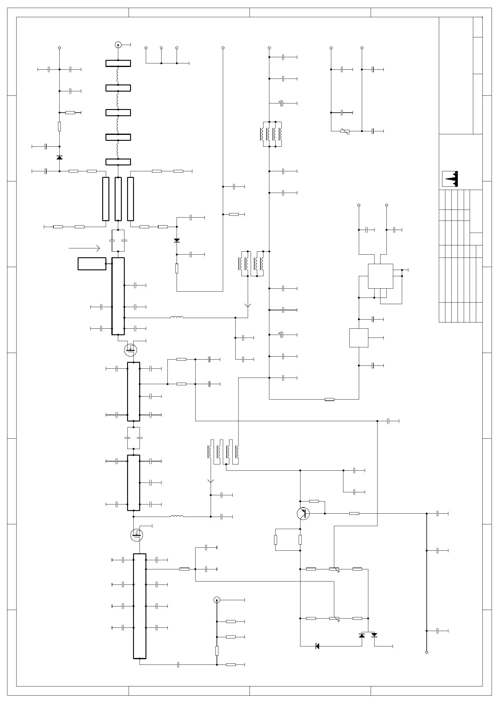
Spectra Engineering MX800 - RX;EXCITER MODULE SUB ASSEMBLY; RX Module Assembly; Exciter Module Assembly

Spectra Engineering MX800
201 pages
Print Icon
To Next Page IconTo Next Page
To Next Page IconTo Next Page
To Previous Page IconTo Previous Page
To Previous Page IconTo Previous Page
Loading...
1 2 3 4 5 6 7 8
A
B
C
D
8
7654321
D
C
B
A
9 TRADE ROAD
MALAGA 6062
WESTERN AUSTRALIA
PHONE (618) 92482755
FAX (618) 92482756
R23
100R
C5
100n
ETH
ETH
C3
100p
ETH
C2
100p
ETH
IC2
LE50
VCC
8
TST
7
CLK
6
DATA
5
A0
1
A1
2
A2
3
VEE
4
IC1
24LC02
C4
2u2
CN4-7
CN4-10ETH
ETH
ETH
C29
4p7
D1
BAV99
RV1
2K
RV2
2K
ETH
C31
8p2
ETH
C11
2p7
ETH
C75
1n
ETH
C76
1n
C10
2p7
ETH
ETH
R1
560R
ETH
C79
1n
R32
1K
R29
1K
R33
1K
R25
1K
ETH
D2
3V9
R31
1K
ETHETH
C78
100n
C77
1n
ETH ETH
C19
1u
C18
1n
R5
270R
R8
560R
R7
560R
ETH ETH
C34
100n
C35
1n
ETH
C70
220u
L1
RFC
L4
RFC
ETH
C65
220u
R22
4K7
R21
10K
TR3
BC857
C13
3p9
C12
3p9
C14
4p7
C15
4p7
L5
8n
ETHETH
C21
4p7
C26
4p7
C22
4p7
C23
4p7
C44
10p
TR2
MRF9085
TR1
PD55008S
ETH
C69
1n
ETH
C37
15p
ETH
C27
22p
C28
22p
ETH ETH
C38
15p
C40
12p
ETH
C41
10p
ETH
C36
15p
CN2-1
ETH
C72
1n
ETH
C71
100n
ETH
ETH
C60
1n
ETH
C59
100n
R10
68R
ETH
C50
1p8
R18
68R
ETH
C53
1p8
L6 L7 L8 L9
ETH
R4
270R
R3
18R
ETH
R15
3K3
R12
3K3
R11
1K
R16
1K
CN4-1
CN4-8
ETH
ETH
C61
1n
ETH
C62
1n
CN4-4
ETH
C63
1n
TS1
KTY10-5
C16
10p
ETH
C17
12p
ETH
C68
100n
ETH
C67
1n
ETH
C66
100n
ETH
C58
1n
CN2-2
L2
RFC
ETHETH
C33
1u
C32
1n
ETH
ETH ETH
ETH
R20
27R
R19
39R
ETH
CN3
L3
C39
15p
C46
22p
D3
HSMS-2800
C51
1n
ETH
ETH
C52
1n
D4
HSMS-2800
R13
39R
R14
27R
ETH
CN4-5
C48
1n
ETH
C64
1n
ETH
ETHETH
CN4-2
ETH
CN4-6
CN1
ETH
C47
22p
CN4-9
ETH
R2
560R
ETH
C30
4p7
ETH
C24
4p7
R9
82R
R17
82R
ETH ETH
ETH ETH
C1
22p
C42
1n
C43
100n
ETH ETH
C49
1n
ETH
C74
1n
ETH
ETH
C73
1n
R6
1K
CLOCK
DATA
U,X,YC,E,H,J,I,O,N,P,Z,3. LPF LINKS:
GJ 7-09-01
5-09-01JJ
1Amp
7Amp
(57W)
(50W)
SET BIAS TR2SET BIAS TR1
(0.2W)
APPLICATION2. * DEPENDS ON
COMPONENTS FITTED1. NOT ALL
NOTE:
RF IN
2K
(IN HEATSINK)
PTT IN
TEMP SENSOR
+13.8V IN
FWD VOLTS
REFL VOLTS
RF OUTPUT
(C) Copyright
ENGINEERING
SPECTRA
GJ
APP
APPROVED
CHECKED
DRAWN
DESIGNED
DATEBY
DWGS
REF
REVSHEETDRAWING No
TITLEREVISIONDATE
AMPLIFIER MODULE
CS028-1B B
29-8-01
1 OF 1
MX800 50 WATT POWER
BAND R2 746-764MHz
-3dB PAD
3.4V
3.9V
5.68V

Table of Contents

Related product manuals