EasyManua.ls Logo

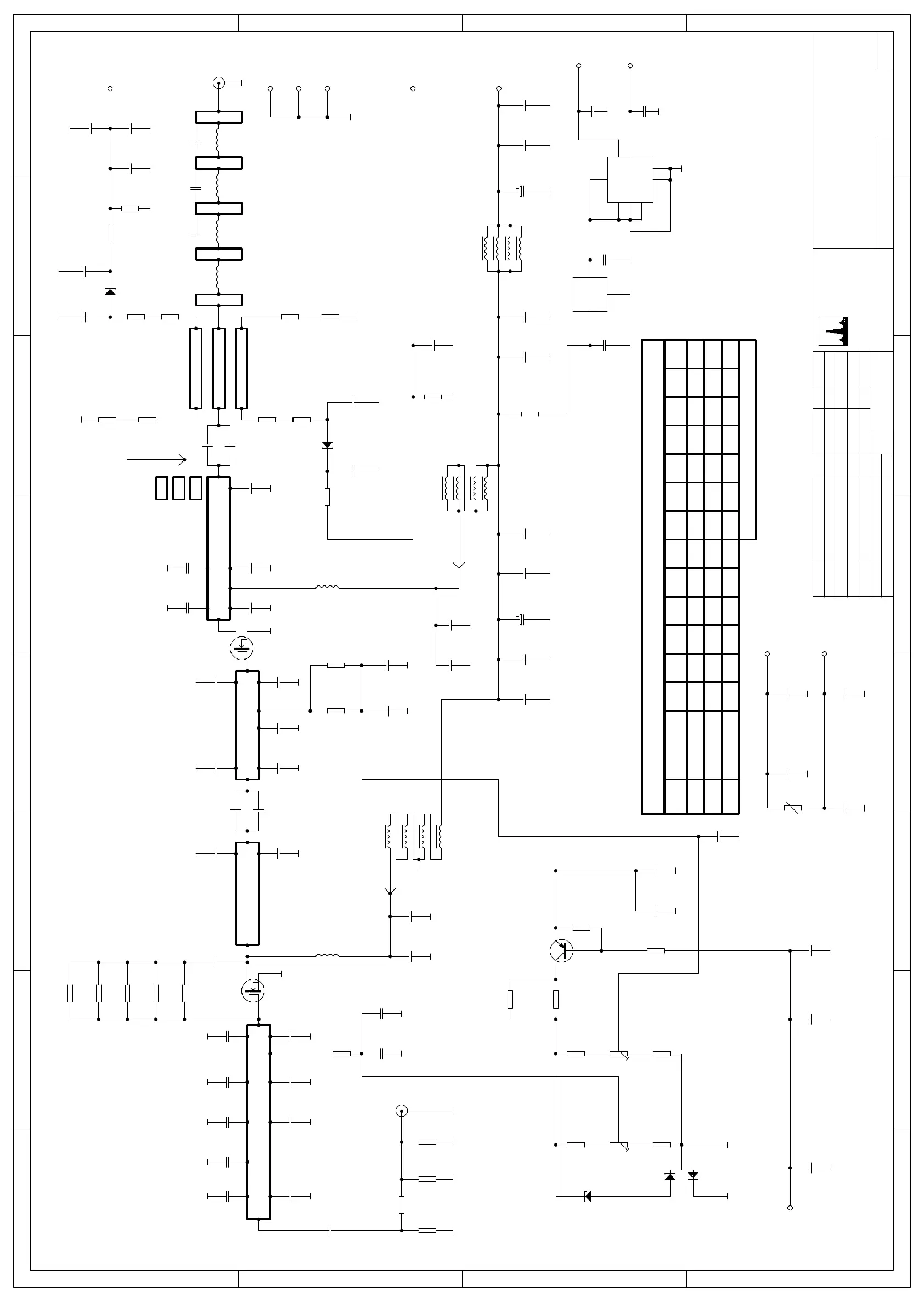
Spectra Engineering MX800 - INTERNAL POWER CABLE ASSEMBLY; Internal Power Cable Diagram

Spectra Engineering MX800
201 pages
Print Icon
To Next Page IconTo Next Page
To Next Page IconTo Next Page
To Previous Page IconTo Previous Page
To Previous Page IconTo Previous Page
Loading...
1 2 3 4 5 6 7 8
A
B
C
D
8
7654321
D
C
B
A
9 TRADE ROAD
MALAGA 6062
WESTERN AUSTRALIA
PHONE (618) 92482755
FAX (618) 92482756
C16
100n
R25
270R
R27
270R
R29
270R
C52
1p2
C51
2p7
C50
1p8
ETH
C27
5p6
D1
BAV99
RV1
2K
RV2
2K
ETH
C29
8p2
ETH
C2
ETH
C70
1n
ETH
C71
1n
C7
15p
ETH
ETH
R1
560R
ETH
C81
1n
R23
1K
R24
1K
R22
1K
R26
1K
ETH
D2
3V9
R28
1K
ETHETH
C73
100n
C72
1n
ETH ETH
C15
1u
C14
1n
R5
270R
R6
560R
R7
560R
ETH ETH
C18
100n
C17
1n
ETH
C65
220u
L6
RFC
L5
RFC
ETH
C60
220u
R21
4K7
R20
10K
TR3
BC857
C8
10p
C9
C10
15p
C12
15p
L9
17.5nH
ETH
C23
TR2
RD70HVF
TR1
PD55008S
ETH
C63
1n
ETH
C33
39p
C25
82p
C26
ETH
C36
27p
C37
8p2
ETH
C35
6p8
C32
39p
CN2-1
ETH
C67
1n
ETH
C66
100n
ETH
ETH
C55
1n
ETH
C53
100n
R8
68R
ETH
C46
2p2
R17
68R
ETH
C48
2p2
L4 L3 L2 L1
ETH
R4
270R
R3
18R
ETH
R14
10K
R11
10K
R10
10K
R15
10K
CN4-1
CN4-8
ETH
ETH
C56
1n
ETH
C57
1n
CN4-4
ETH
C44
1n
TS1
KTY10-5
C11
18p
ETH
C13
18p
ETH
C64
100n
ETH
C61
1n
ETH
C62
100n
ETH
C54
1n
CN2-2
L7
RFC
ETHETH
C31
1u
C30
1n
ETH
ETH ETH
ETH
R19
27R
R18
39R
ETH
CN3
L8
C34
27p
C41
22p
D3
HSMS-2800
C45
1n
ETH
ETH
C47
1n
D4
HSMS-2800
R12
39R
R13
27R
ETH
CN4-5
C43
1n
ETH
C59
1n
ETH
ETHETH
CN4-2
ETH
CN4-6
CN1
ETH
C42
82p
CN4-9
ETH
R2
560R
ETH
C28
5p6
ETH
C24
R9
82R
R16
82R
ETH ETH
ETH ETH
C1
33p
C38
1n
C39
100n
ETH ETH
C58
1n
ETH
C69
1n
ETH
ETH
C68
1n
ETH
C5
ETH
C3
5p6
R30
270R
R31
270R
ETH
ETH
ETH
CN4-10
CN4-7
C75
2u2
VCC
8
TST
7
CLK
6
DATA
5
A0
1
A1
2
A2
3
VEE
4
IC2
24LC02
IC4
LE50
ETH
C4
100p
ETH
C6
100p
ETH
ETH
C74
100n
R32
100R
R35
1K
NF
NF
5p6
C3
33p
33p
33p 12p
6p8
8p2
C26 C35
8p2
12p
C37
27p
39p
C36C34C33
39p
C32
56p
15p
8p2
C24
15p
15p
C23
15p
33p
C9
5p6
18p
C5
485-520MHz
450-512MHz
395-470MHz
BAND PA BW
PA COMPONENT VALUES
GJ 7-09-01
5-09-01JJ
1Amp
7Amp
(57W)
(50W)
SET BIAS TR2SET BIAS TR1
(0.2W)
APPLICATION2. * DEPENDS ON
COMPONENTS FITTED1. NOT ALL
NOTE:
RF IN
PTT IN
+13.8V IN
FWD VOLTS
REFL VOLTS
RF OUTPUT
(C) Copyright
ENGINEERING
SPECTRA
GJ
APP
APPROVED
CHECKED
DRAWN
DESIGNED
DATEBY
DWGS
REF
REVSHEETDRAWING No
TITLEREVISIONDATE
AMPLIFIER MODULE
CS029-1D D
29-8-01
1 OF 1
MX800 50 WATT POWER
BAND N-Q 395-520MHz
-3dB PAD
3.4V
3.9V
5.68V
10p 8p2 8p2 47p 33p
C2
3p9
8p2
8p2
8p233p
N/O
P2/P3
Q
LPF: ABCDFHIMSTZA1
MICA CAPS
39p
56p
39p
27p
27p
39p
DATA
CLOCK
2K
(IN HEATSINK)
TEMP SENSOR

Table of Contents

Related product manuals