EasyManua.ls Logo

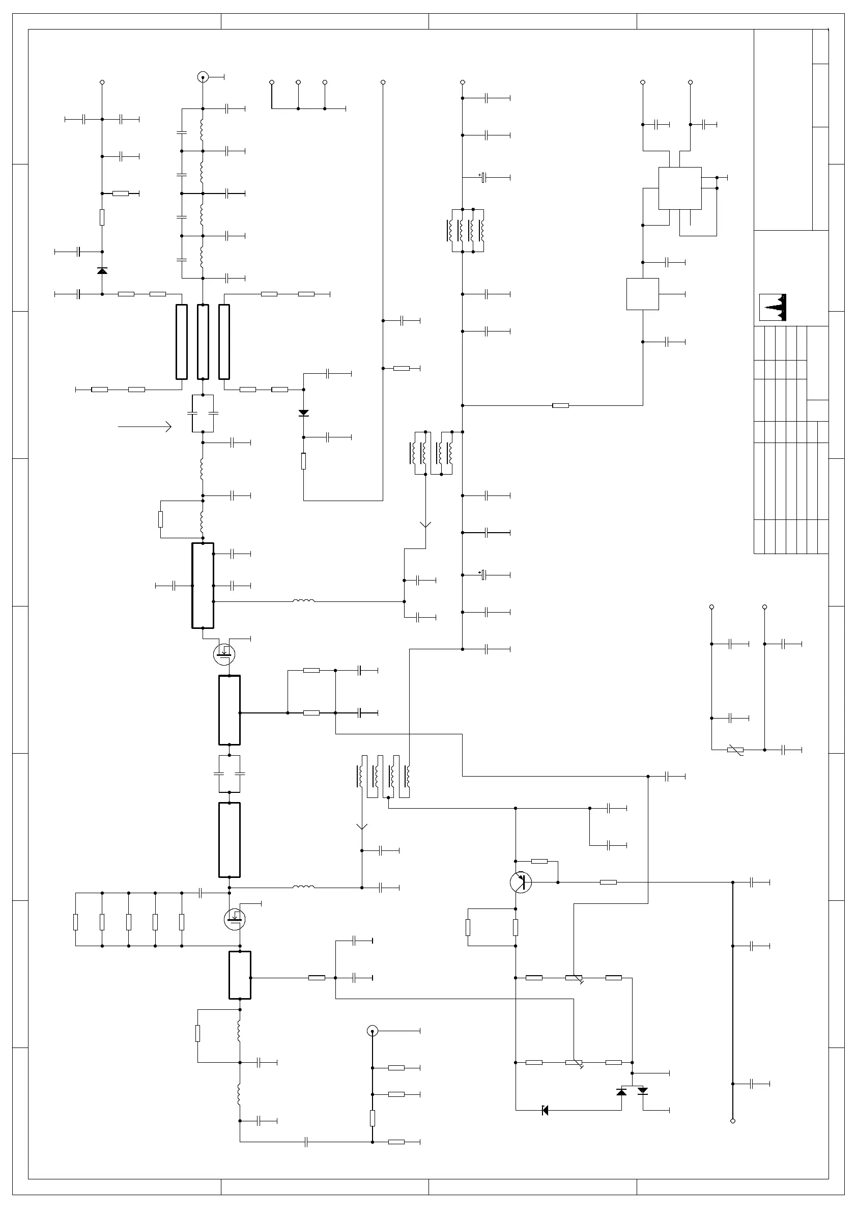
Spectra Engineering MX800 - Circuit Diagram: MX800 PA CIRCUIT DIAGRAM; PA Circuit Diagram Details (continued)

Spectra Engineering MX800
201 pages
Print Icon
To Next Page IconTo Next Page
To Next Page IconTo Next Page
To Previous Page IconTo Previous Page
To Previous Page IconTo Previous Page
Loading...
1 2 3 4 5 6 7 8
A
B
C
D
8
7654321
D
C
B
A
9 TRADE ROAD
MALAGA 6062
WESTERN AUSTRALIA
PHONE (618) 92482755
FAX (618) 92482756
ETH
ETH ETH ETH ETH
C87
2p2
C86
12p
C84
10p
C85
12p
ETH
C83
4p7
ETH
C36
27p
ETH
C34
22p
L10
2T
L11
NF
ETH
C33
68p
C3
27p
ETH ETH
C4
100p
L12
33n
L13
12n
R30
1K5
R31
1K5
C68
1n
ETH
ETH
C69
1n
ETH
C58
1n
ETHETH
C39
100n
C38
1n
C1
1n
R16
33R
R9
33R
ETH
R2
560R
ETH
CN4-9
C42
1n
ETH
CN1
CN4-6
ETH
CN4-2
ETH
C59
1n
ETH
C43
1n
CN4-5
ETH
R13
27R
R12
33R
D4
HSMS-2800
C47
1n
ETH
ETH
C45
1n
D3
HSMS-2800
C41
1n
L3
4T
CN3
ETH
R18
33R
R19
27R
ETH
ETHETH
C30
1n
C31
1u
ETH ETH
L2
RFC
CN2-2
C54
1n
ETH
C62
100n
ETH
C61
1n
ETH
C64
100n
ETH
TS1
KTY10-5
C44
1n
ETH
CN4-4
C57
1n
ETH
C56
1n
ETH
ETH
CN4-8
CN4-1
R15
1K
R10
1K
R11
10K
R14
10K
ETH
R3
18R
R4
270R
ETH
L9L8L7L6
C48
15p
ETH
R17
33R
C46
15p
ETH
R8
33R
C53
100n
ETH
C55
1n
ETH
C66
100n
ETH
C67
1n
ETH
CN2-1
C35
120p
ETH
C37
120p
C26
220p
C25
180p
C63
1n
ETH
TR1
PD55008S
TR2
RD70HVF
L4
43nH
TR3
BC857
R20
10K
R21
4K7
C60
220u
ETH
L5
RFC
L1
RFC
C65
220u
ETH
C17
NF
C18
NF
ETHETH
R7
560R
R6
560R
R5
270R
C14
1n
C15
1u
ETHETH
C72
1n
C73
100n
ETH ETH
R28
1K
D2
3V9
ETH
R26
1K
R22
1K
R24
1K
R23
1K
C81
1n
ETH
R1
560R
ETH
C71
1n
ETH
C70
1n
ETH
RV1
2K
RV2
2K
D1
BAV99
C49
N.F.
C50
5p6
C51
6p8
C52
3p9
R29
1K5
R27
1K5
R25
1K5
C16
100n
R32
100R
C74
100n
ETH
ETH
C5
100p
ETH
C2
100p
ETH
IC2
LE50
VCC
8
TST
7
CLK
6
DATA
5
A0
1
A1
2
A2
3
VEE
4
IC1
24LC02
C75
2u2
CN4-7
CN4-10ETH
ETH
R33
1K
R40
NF
R38
0R
LINKS: ABCDLVW
5.68V
3.9V
3.4V
-3dB PAD
BAND C-D3 135-174MHz
MX800 50 WATT POWER
1 OF 1
21-1-02
CCS038-1C
AMPLIFIER MODULE
DATE REVISION TITLE
DRAWING No SHEET REV
REF
DWGS
BY DATE
DESIGNED
DRAWN
CHECKED
APPROVED
APP
GJ
SPECTRA
ENGINEERING
(C) Copyright
RF OUTPUT
REFL VOLTS
FWD VOLTS
+13.8V IN
PTT IN
RF IN
NOTE:
1. NOT ALL COMPONENTS FITTED
2. * DEPENDS ON APPLICATION
(0.2W)
SET BIAS TR1 SET BIAS TR2
(50W)
(57W)
7Amp
1Amp
JJ 29-01-02
GJ
CLOCK
DATA
3. LNK A,B,C,D,L,V,W
ID=4.5
2K
(IN HEATSINK)
TEMP SENSOR

Table of Contents

Related product manuals