EasyManua.ls Logo

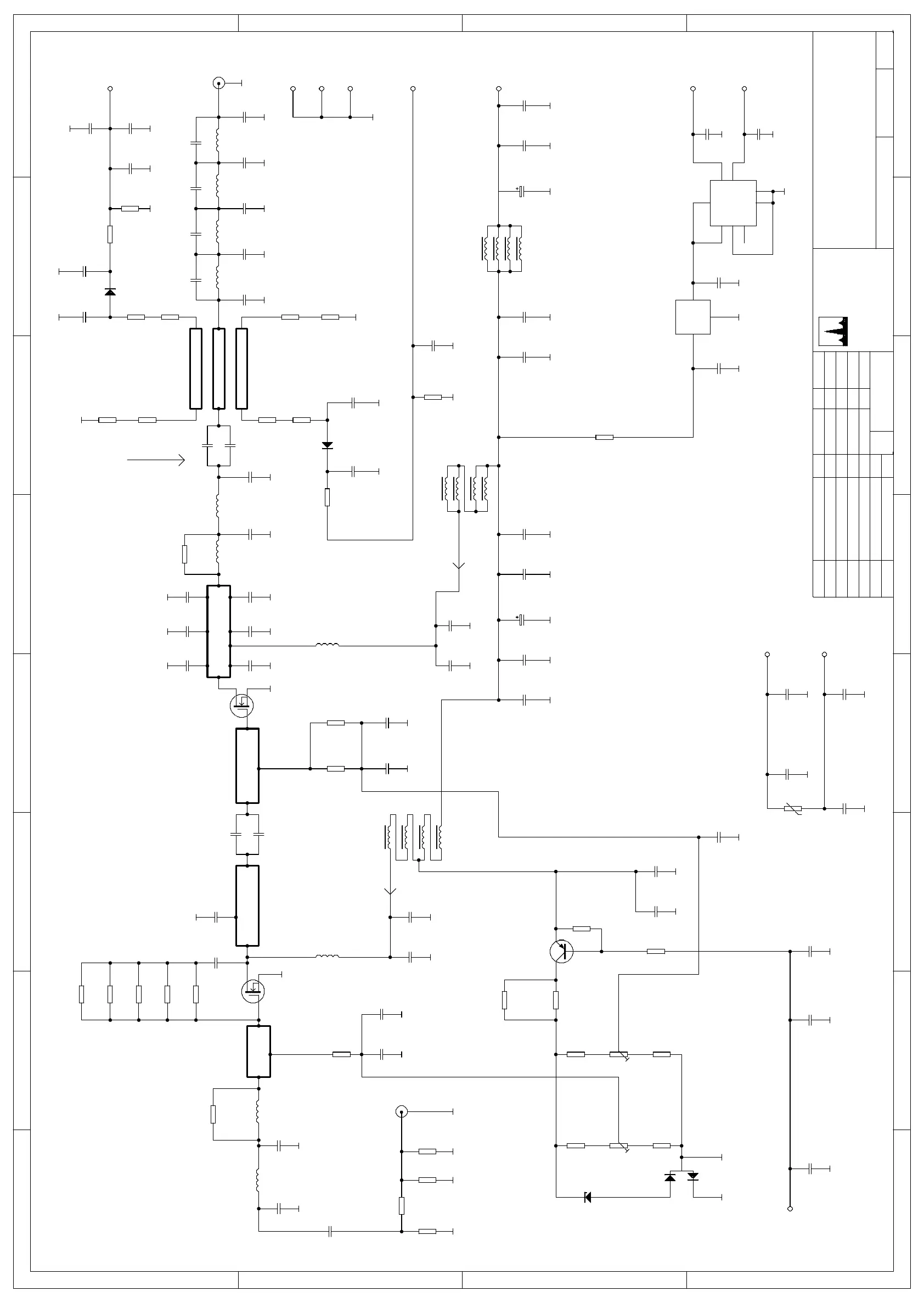
Spectra Engineering MX800 - Circuit Diagram: MX800 PA CIRCUIT DIAGRAM; PA Circuit Diagram Details (continued)

Spectra Engineering MX800
201 pages
Print Icon
To Next Page IconTo Next Page
To Next Page IconTo Next Page
To Previous Page IconTo Previous Page
To Previous Page IconTo Previous Page
Loading...
1 2 3 4 5 6 7 8
A
B
C
D
8
7654321
D
C
B
A
9 TRADE ROAD
MALAGA 6062
WESTERN AUSTRALIA
PHONE (618) 92482755
FAX (618) 92482756
R40
0R
R33
1K
ETH
ETH CN4-10
CN4-7
C75
100n
VCC
8
TST
7
CLK
6
DATA
5
A0
1
A1
2
A2
3
VEE
4
IC1
24LC02
IC2
78L05
ETH
C2
100p
ETH
C5
100p
ETH
ETH
C74
100n
R32
100R
C16
100n
R25
1K5
R27
1K5
R29
1K5
C52
3p9
C51
3p9
C50
5p6
C49
N.F.
ETH
C21
NF
D1
BAV99
RV2
2K
RV1
2K
ETH
C70
1n
ETH
C71
1n
ETH
R1
560R
ETH
C81
1n
R23
1K
R24
1K
R22
1K
R26
1K
ETH
D2
3V9
R28
1K
ETHETH
C73
100n
C72
1n
ETH ETH
C15
1u
C14
1n
R5
270R
R6
560R
R7
560R
ETH ETH
C18
NF
C17
NF
ETH
C65
220u
L1
RFC
L5
RFC
ETH
C60
220u
R21
4K7
R20
10K
TR3
BC857
L4
43nH
TR2
RD70HVF
TR1
PD55008S
ETH
C63
1n
C25
180p
C26
1n
ETH
C40
NF
C37
100p
ETH
C35
100p
CN2-1
ETH
C67
1n
ETH
C66
100n
ETH
C55
1n
ETH
C53
100n
R8
22R
ETH
C46
22p
R17
27R
ETH
C48
22p
L6 L7 L8 L9
ETH
R4
270R
R3
18R
ETH
R14
10K
R11
10K
R10
1K
R15
1K
CN4-1
CN4-8
ETH
ETH
C56
1n
ETH
C57
1n
CN4-4
ETH
C44
1n
TS1
KTY10-5
ETH
C64
100n
ETH
C61
1n
ETH
C62
100n
ETH
C54
1n
CN2-2
L2
RFC
ETHETH
C31
1u
C30
1n
ETH
ETH ETH
ETH
R19
39R
R18
27R
ETH
CN3
L3
4T
C20
NF
C41
1n
D3
HSMS-2800
C45
1n
ETH
ETH
C47
1n
D4
HSMS-2800
R12
27R
R13
39R
ETH
CN4-5
C43
1n
ETH
C59
1n
ETH
CN4-2
ETH
CN4-6
CN1
ETH
C42
1n
CN4-9
ETH
R2
560R
ETH
R9
22R
R16
22R
C1
1n
C38
1n
C39
100n
ETH ETH
C58
1n
ETH
C69
1n
ETH
ETH
C68
1n
R31
1K5
R30
1K5
L13
NF
L12
12n
C4
18p
ETHETH
C3
22p
C32
NF
C33
27p
ETH
ETH
L11
NF
L10
1T
C34
10p
ETH
C36
22p
ETH
C83
4p7
ETH
C85
10p
C84
10p
C86
10p
C87
2p2
ETHETHETHETH
ETH
R38
0R
3. LNK A,B,C,M,R,V,W
DATA
CLOCK
GJ
29-01-02JJ
1Amp
7Amp
(57W)
(50W)
SET BIAS TR2SET BIAS TR1
(0.2W)
APPLICATION2. * DEPENDS ON
COMPONENTS FITTED1. NOT ALL
NOTE:
RF IN
PTT IN
+13.8V IN
FWD VOLTS
REFL VOLTS
RF OUTPUT
(C) Copyright
ENGINEERING
SPECTRA
GJ
APP
APPROVED
CHECKED
DRAWN
DESIGNED
DATEBY
DWGS
REF
REVSHEETDRAWING No
TITLEREVISIONDATE
AMPLIFIER MODULE
CS039-1B B
21-1-02
1 OF 1
MX800 50 WATT POWER
BAND E-G 175-250MHz
-3dB PAD
3.4V
3.9V
5.68V
2K
(IN HEATSINK)
TEMP SENSOR

Table of Contents

Related product manuals