EasyManua.ls Logo

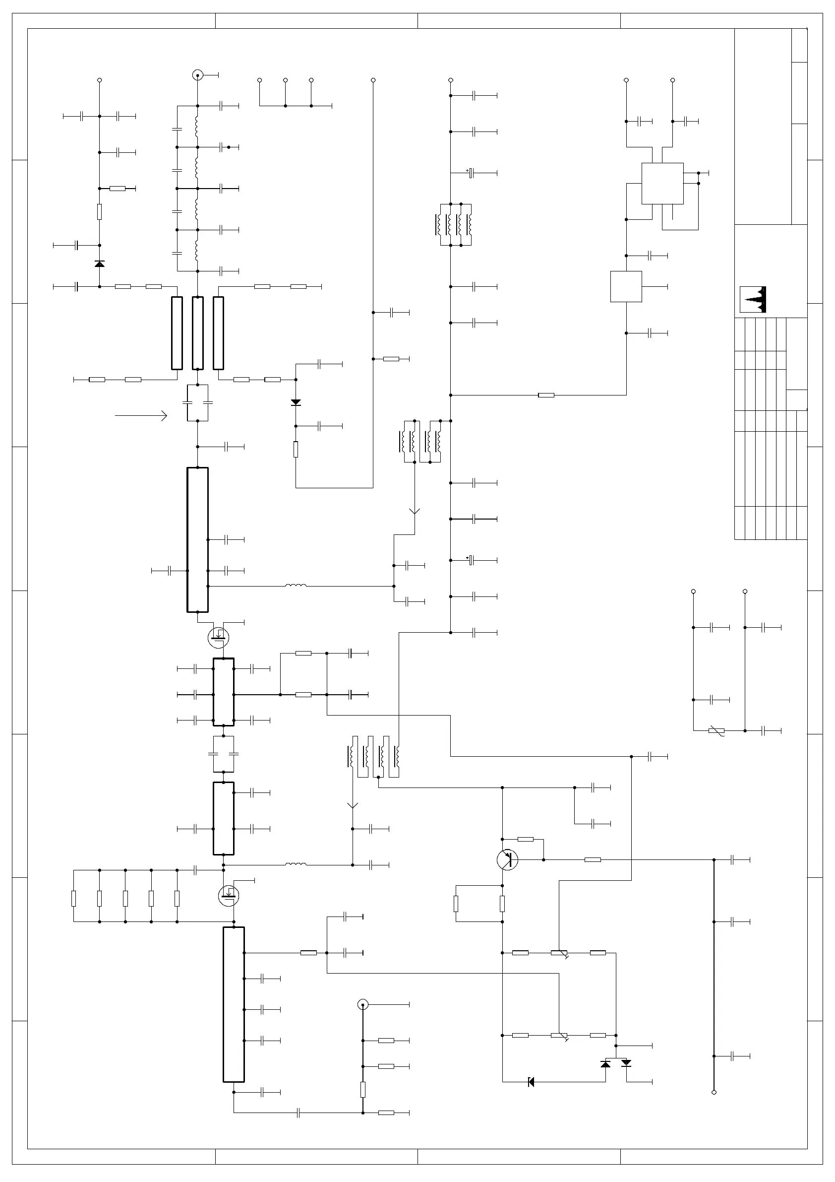
Spectra Engineering MX800 - Circuit Diagram: MX800 PA CIRCUIT DIAGRAM; PA Circuit Diagram Details (continued)

Spectra Engineering MX800
201 pages
Print Icon
To Next Page IconTo Next Page
To Next Page IconTo Next Page
To Previous Page IconTo Previous Page
To Previous Page IconTo Previous Page
Loading...
1 2 3 4 5 6 7 8
A
B
C
D
8
7654321
D
C
B
A
9 TRADE ROAD
MALAGA 6062
WESTERN AUSTRALIA
PHONE (618) 92482755
FAX (618) 92482756
ETH ETH
C27
22p
C29
47p
ETH ETH
ETH
C33
150p
C32
120p
C28
22p
ETH ETH
C24
27p
C23
27p
ETH ETH
C7
22p
C6
22p
R33
1K
ETH
ETH CN4-10
CN4-7
C75
100n
VCC
8
TST
7
CLK
6
DATA
5
A0
1
A1
2
A2
3
VEE
4
IC1
24LC02
IC2
78L05
ETH
C4
100p
ETH
C19
100p
ETH
ETH
C74
100n
R32
100R
C16
100n
R25
680R
R27
680R
R29
680R
C52
2p2
C51
2p7
C50
2p2
C49
NF
ETH
C21
27p
D1
BAV99
RV2
2K
RV1
2K
ETH
C70
1n
ETH
C71
1n
ETH
R1
560R
ETH
C81
1n
R23
1K
R24
1K
R22
1K
R26
1K
ETH
D2
3V9
R28
1K
ETHETH
C73
100n
C72
1n
ETH ETH
C15
1u
C14
1n
R5
270R
R6
560R
R7
560R
ETH ETH
C18
100n
C17
1n
ETH
C65
220u
L6
RFC
L5
RFC
ETH
C60
220u
R21
4K7
R20
10K
TR3
BC857
L9
17.5nH
TR2
RD70HVF
TR1
PD55008S
ETH
C63
1n
C25
1n
C26
1n
C37
68p
ETH
C35
56p
CN2-1
ETH
C67
1n
ETH
C66
100n
ETH
C55
1n
ETH
C53
100n
R8
39R
ETH
C46
10p
R17
39R
ETH
C48
10p
L4 L3 L2. L1
ETH
R4
270R
R3
18R
ETH
R14
10K
R11
10K
R10
1K
R15
1K
CN4-1
CN4-8
ETH
ETH
C56
1n
ETH
C57
1n
CN4-4
ETH
C44
1n
TS1
KTY10-5
ETH
C64
100n
ETH
C61
1n
ETH
C62
100n
ETH
C54
1n
CN2-2
L7
RFC
ETHETH
C31
1u
C30
1n
ETH ETH
ETH
R19
27R
R18
22R
ETH
CN3
L8.
4T
C41
1n
D3
HSMS-2800
C45
1n
ETH
ETH
C47
1n
D4
HSMS-2800
R12
22R
R13
27R
ETH
CN4-5
C43
1n
ETH
C59
1n
ETH
CN4-2
ETH
CN4-6
CN1
ETH
C42
1n
CN4-9
ETH
R2
560R
ETH
R9
56R
R16
56R
C1
82p
C38
1n
C39
100n
ETH ETH
C58
1n
ETH
C69
1n
ETH
ETH
C68
1n
R31
680R
R30
680R
C5
22p
ETHETH
C2
15p
C22
15p
ETH
C3
5p6
ETH
C83
1p8
ETH
C85
NF
C84
NF
C86
5p6
C87
NF
ETHETHETHETH
ETH
DATA
CLOCK
GJ
29-01-02JJ
1Amp
7Amp
(54W)
(50W)
SET BIAS TR2SET BIAS TR1
(0.2W)
APPLICATION2. * DEPENDS ON
COMPONENTS FITTED1. NOT ALL
NOTE:
RF IN
PTT IN
+13.8V IN
FWD VOLTS
REFL VOLTS
RF OUTPUT
(C) Copyright
ENGINEERING
SPECTRA
GJ
APP
APPROVED
CHECKED
DRAWN
DESIGNED
DATEBY
DWGS
REF
REVSHEETDRAWING No
TITLEREVISIONDATE
AMPLIFIER MODULE
CS040-1B B
21-1-02
1 OF 1
MX800 50 WATT POWER
BAND H-J 245-320MHz
-3dB PAD
3.4V
3.9V
5.68V
2K
(IN HEATSINK)
TEMP SENSOR

Table of Contents

Related product manuals