EasyManua.ls Logo

Standa 8SMC5-USB - Page 205

Standa 8SMC5-USB
345 pages
Print Icon
To Next Page IconTo Next Page
To Next Page IconTo Next Page
To Previous Page IconTo Previous Page
To Previous Page IconTo Previous Page
Loading...
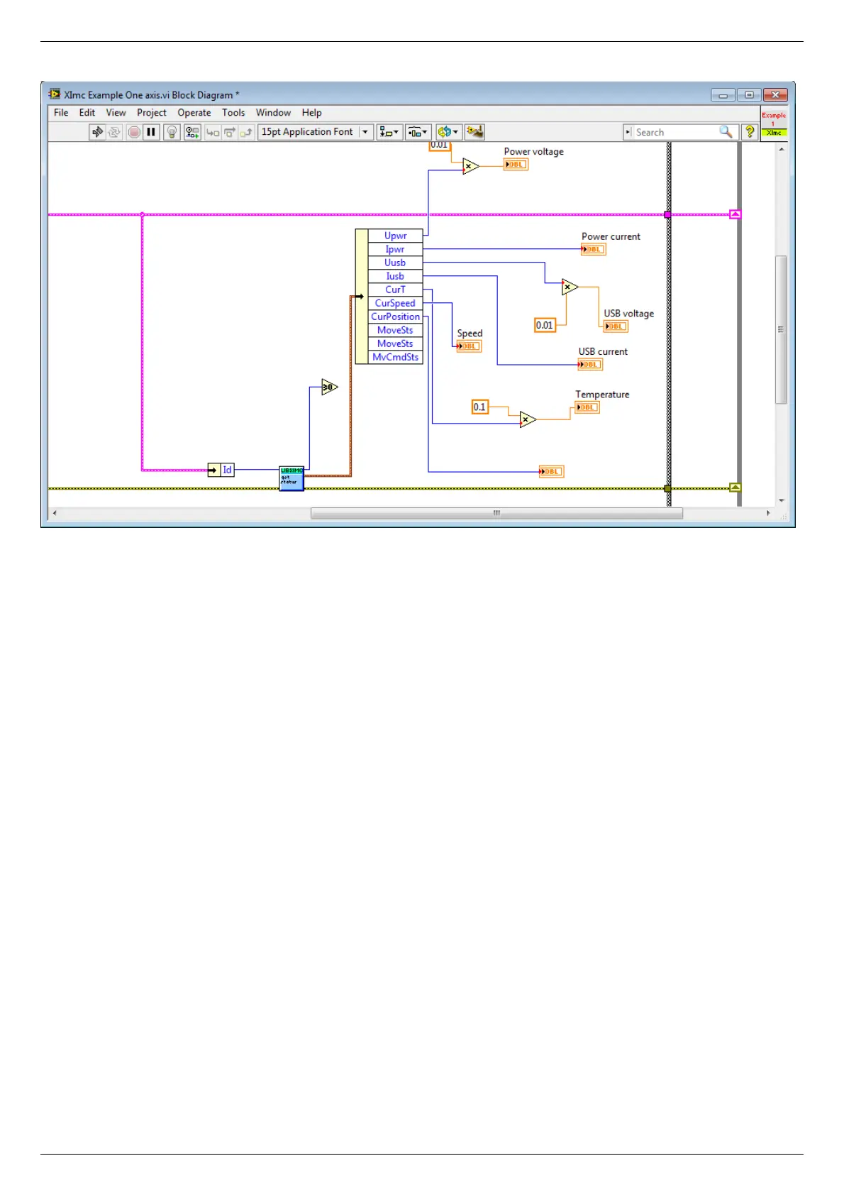
The example uses libximc library functions. Each function has a corresponding subVI module, which has inputs and outputs
corresponding to input and output parameters of this function. To call any libximc function one should first enumerate devices by using
"device_enumerate", then pick any device from the list and open it using "open_device" function, then pass resulting handle to desired
libximc function. After you're finished using the device it should be closed with "close_device" function.
Page 205 / 345
Page 205 / 345