EasyManua.ls Logo

Summit 2196 model - Model 2196-R Dimensional Data

Summit 2196 model
53 pages
Print Icon
To Next Page IconTo Next Page
To Next Page IconTo Next Page
To Previous Page IconTo Previous Page
To Previous Page IconTo Previous Page
Loading...
Installation, Operation, and Maintenance Manual
SUMMIT PUMP MODEL 2196 / 2196-LF / 2196-R / 2796 37
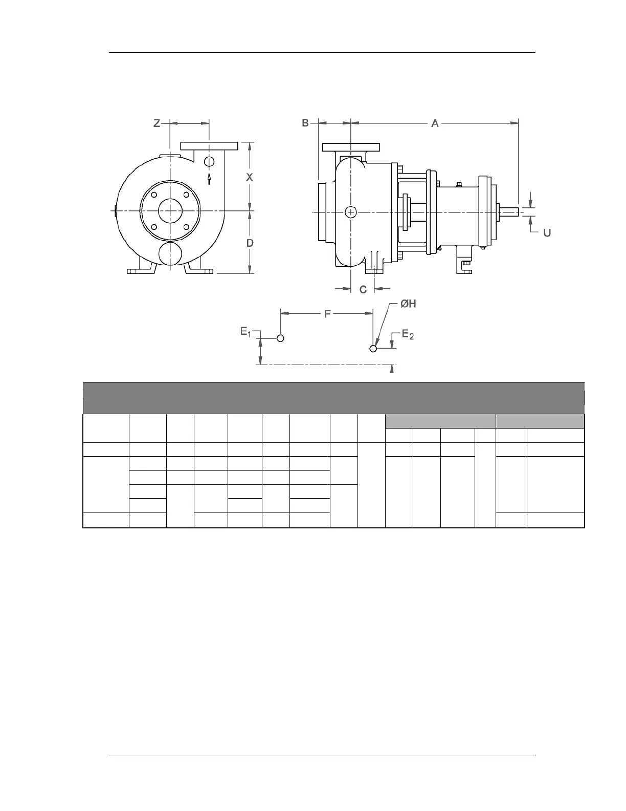
MODEL 2196-R DIMENSIONAL DATA
2196-R DIMENSIONS
Foot Pattern Shaft
Pump
Frame
Size Z X A B C D SP
E1 E2 F H U KEYWAY
STO 2x2-8 4.25 6.5 15.38 2.75 2.5 6 3 0 7.25 0.875 .19 x .09
2x2-10 5.25 8.5 21.75 3.5 2.25
3x3-10 5.13 9 22.50 4.25 2.94
8.25
2x3-13 22.38 2.81
MTO
or
LTO
3x4-13
10.5
22.81
4.12
3.31
1.125 .25 x .125
LTO 4x6-13
6.63
11.5 23.13 4.75 3.63
10
3.75
4.88 3.63 12.5
.63
1.875 .5 x .25

Table of Contents

Related product manuals