EasyManua.ls Logo

SUSS MicroTec MJB4 - Page 141

Default Icon
164 pages
Print Icon
To Next Page IconTo Next Page
To Next Page IconTo Next Page
To Previous Page IconTo Previous Page
To Previous Page IconTo Previous Page
Loading...
MJB4 - Electronics Schematics Rev.02 01-06
131
4
APPENDIX
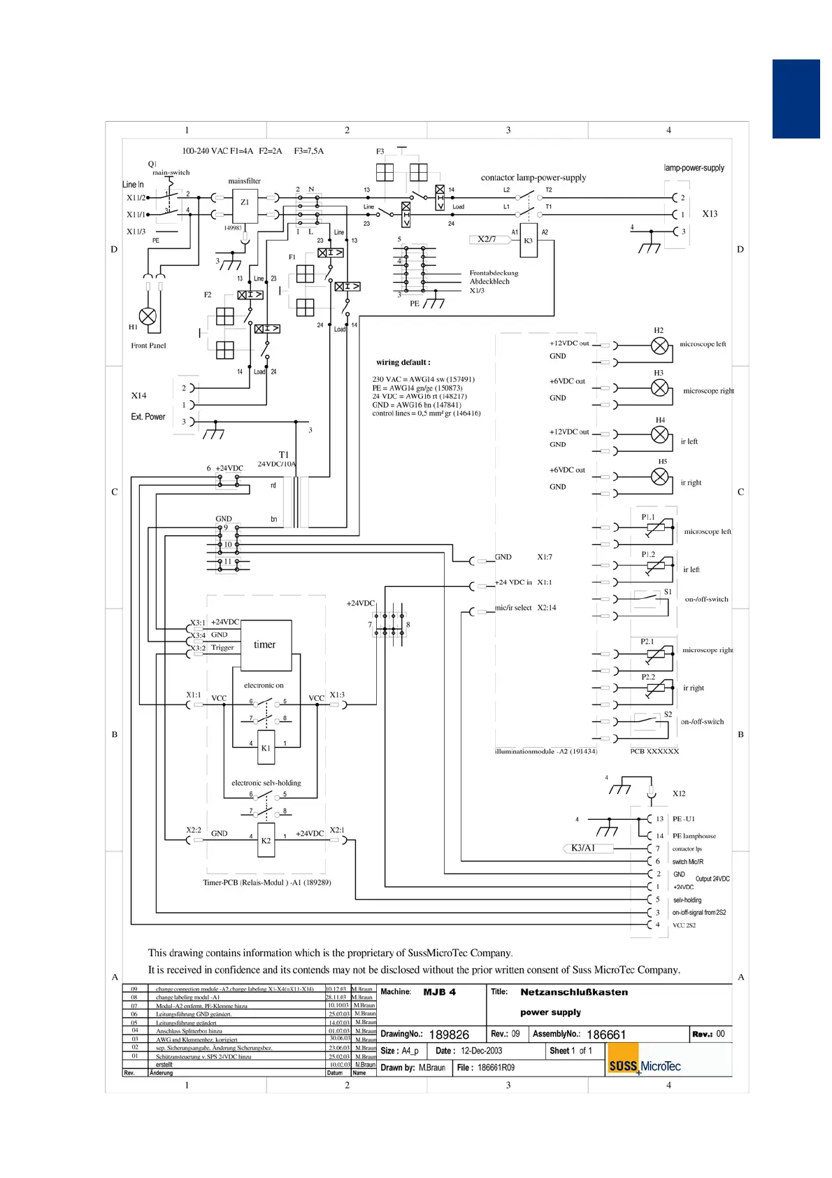
189826 - Power supply

Table of Contents