EasyManua.ls Logo

SUSS MicroTec MJB4 - Page 69

Default Icon
164 pages
Print Icon
To Next Page IconTo Next Page
To Next Page IconTo Next Page
To Previous Page IconTo Previous Page
To Previous Page IconTo Previous Page
Loading...
MJB4 - Appendix Rev.02 01-06
59
APPENDIX
4
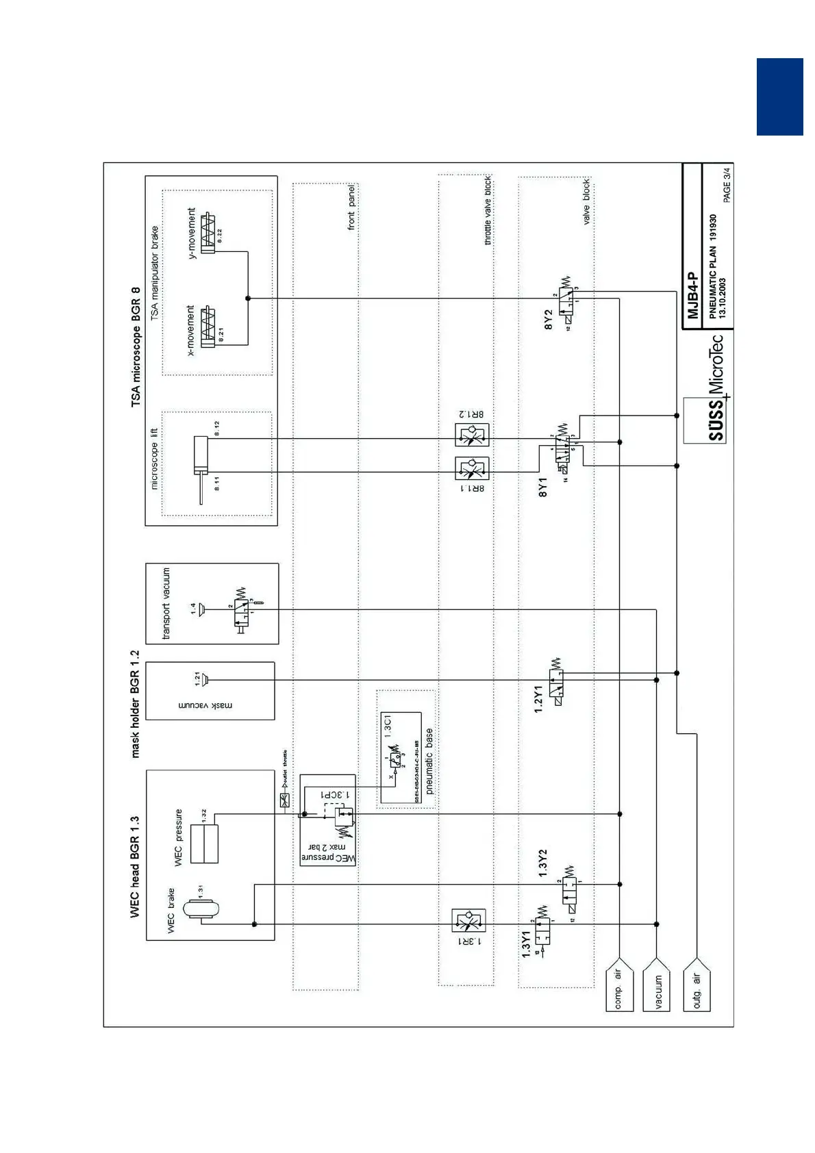
191930 - Pneumatic Plan, Sheet 3 of 4

Table of Contents