EasyManua.ls Logo

Swan Analytical Instruments AMI Turbiwell - Installation of Deltat Option

Swan Analytical Instruments AMI Turbiwell
110 pages
Print Icon
To Next Page IconTo Next Page
To Next Page IconTo Next Page
To Previous Page IconTo Previous Page
To Previous Page IconTo Previous Page
Loading...
A-96.250.511 / 091120
AMI Turbiwell
Installation
27
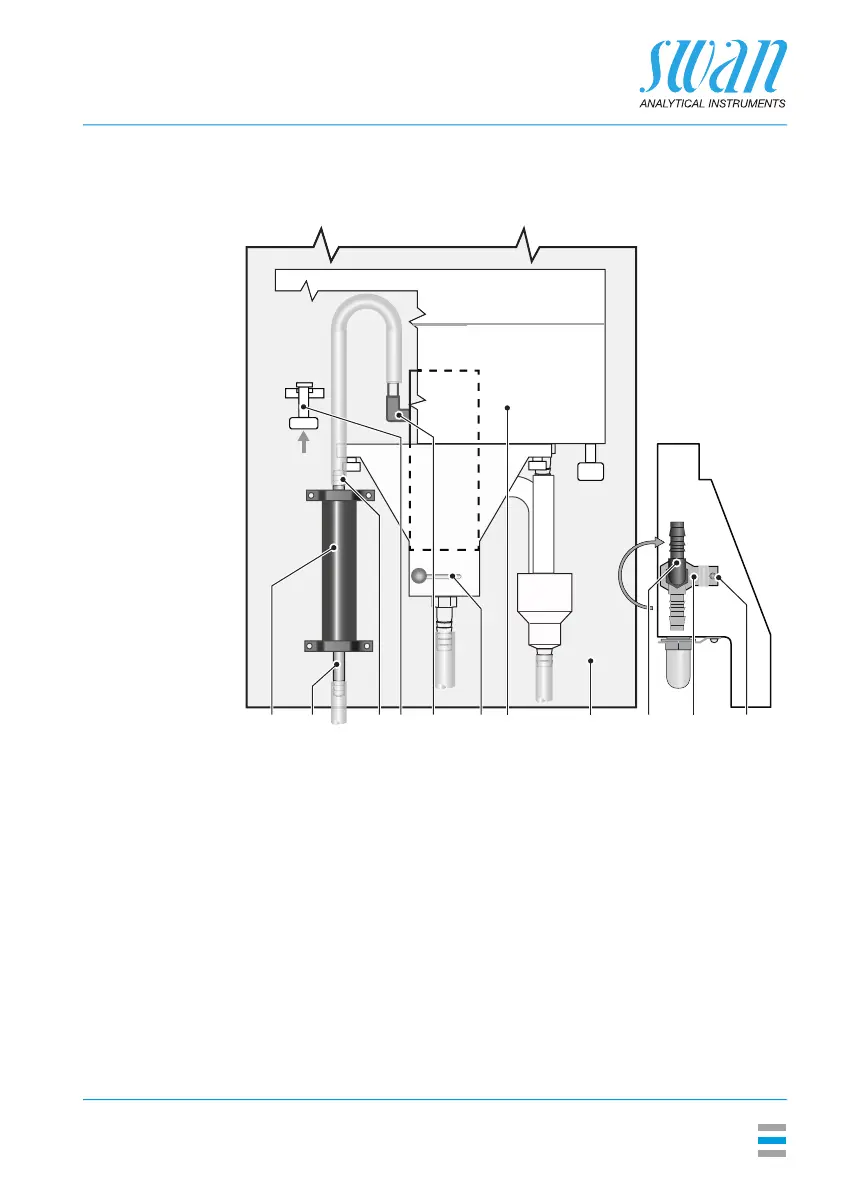
3.4. Installation of deltaT Option
Overview
Installation Install the deltaT sensor in vertical position with the sample inlet [A]
looking downwards.
1 Push the locking pin [D] upward to unlock the measuring
chamber.
2 Swivel the measuring chamber [G] out.
3 Remove the sample inlet tube from the elbow hose nozzle [E].
4 Unscrew and remove the screw [J].
5 Remove the locking plate [I].
A
B
C
D
E
Sample inlet
deltaT sensor
Sample outlet
Locking pin
Elbow hose nozzle
F
G
H
I
J
Manual drain valve
Measuring chamber
Panel
Locking plate
Screw
CDABE EIJFG H

Table of Contents