EasyManua.ls Logo

Swan Analytical Instruments AMI Turbiwell - Connection Diagram

Swan Analytical Instruments AMI Turbiwell
110 pages
Print Icon
To Next Page IconTo Next Page
To Next Page IconTo Next Page
To Previous Page IconTo Previous Page
To Previous Page IconTo Previous Page
Loading...
A-96.250.511 / 091120
AMI Turbiwell
Installation
38
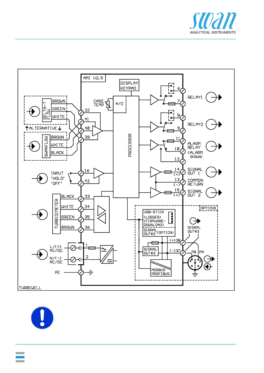
3.7.1 Connection Diagram
CAUTION
Use only the terminals shown in this diagram, and only for the
mentioned purpose. Use of any other terminals will cause short
circuits with possible corresponding consequences to material
and personnel.

Table of Contents