EasyManua.ls Logo

Thytronic Pro-N NVA100X-D - Page 104

Thytronic Pro-N NVA100X-D
376 pages
Print Icon
To Next Page IconTo Next Page
To Next Page IconTo Next Page
To Previous Page IconTo Previous Page
To Previous Page IconTo Previous Page
Loading...
104
NVA100X-D - Manual - 02 - 2016
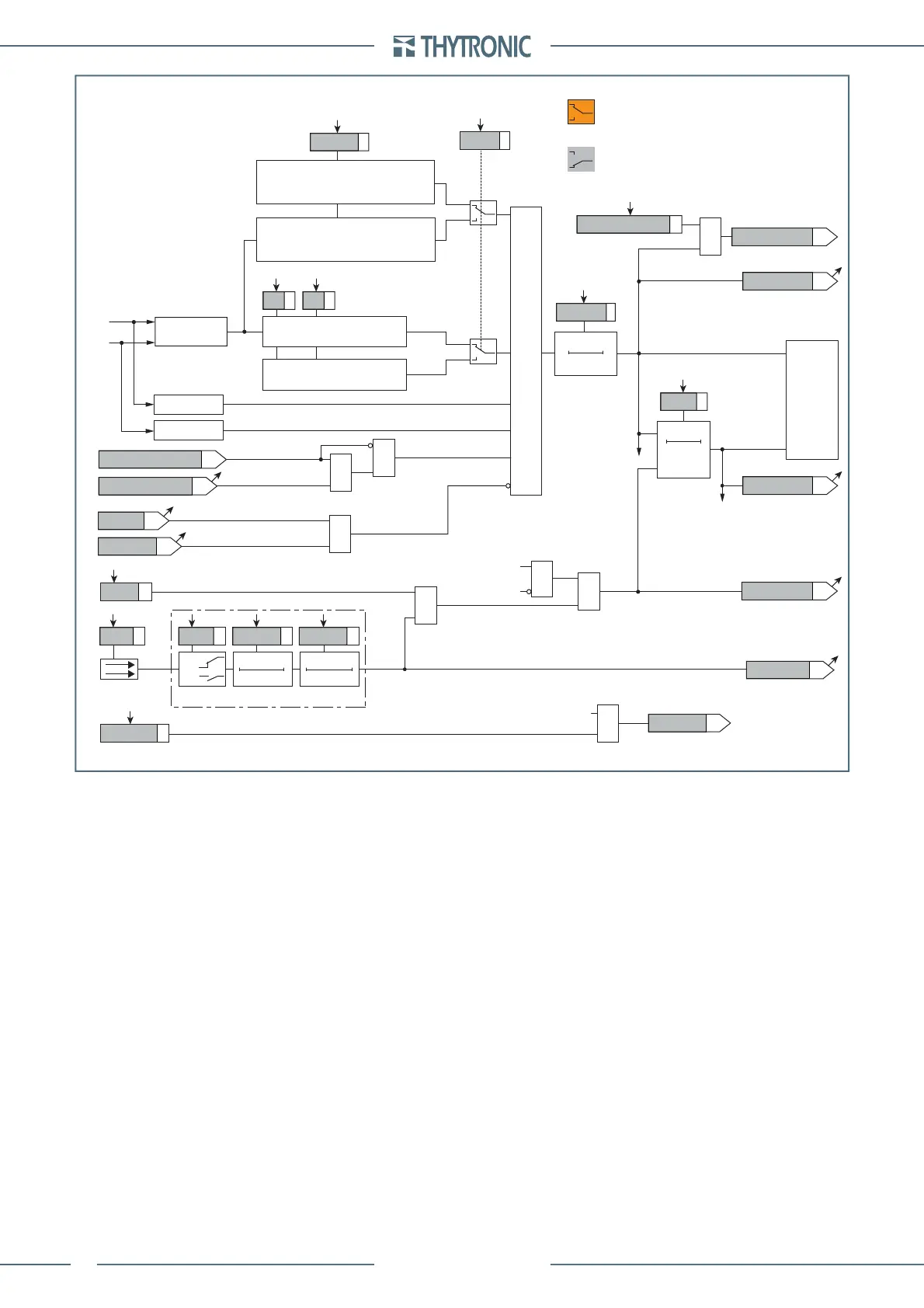
FUNCTION CHARACTERISTICS
Fun-40_S1.ai
&
X
C1
X
D1
t
XC1XD1-RES
T0
RESET
t
XC1XD1
0T
TRIPPING MATRIX
(LED+RELAYS)
t
XC1XD1
t
XC1XD1-RES
X
C1
-X
D1
Start
X
C1
-X
D1
ST-K
X
C1
-X
D1
ST-L
X
C1
-X
D1
TR-K
X
C1
-X
D1
TR-L
X
C1
-X
D1
Start
X
C1
-X
D1
Trip
X
C1
-X
D1
Trip
X
C1
-X
D1
Trip
Block3
1
1
74VT Block
VT fault (74VT)
BF Enable (ONEnable)
XC1XD1-BF
Mode
towards BF logic
&
X
C1
-X
D1
Block1
X
C1
X
D1
-
BF
&
&
&
Enable (ONEnable)
Block1 input (ONBlock)
Block1
Block1
(=0 without fault)
=0 if 20≤f≤70 Hz
Block1
&
(ON
Inhibit
)
AL40 inhibition
40ALdisbyXC1XD1
Start undervoltage
&
Undervoltage enable
(ONEnable)
I
L1L
U
L1
Z
L1
,
R
L1
,
X
L1
R
L1
2
+(X
L1
+ X
C1
)
2
(X
D1
/ 2)
2
R
L1
2
+(X
L1
- X
C1
)
2
(X
D1
/ 2)
2
Binary input INx
T0
Logic
INx
t
ON
INx
t
ON
INx
t
OFF
T0
n.o.
n.c.
INx
t
OFF
X
L1
≤ -tanAlpha40AL · R
L1
& R
L1
≤ 0
or
X
L1
≤ tanAlpha40Al · R
L1
& R
L1
> 0
X
L1
≤ tanAlpha40AL · R
L1
& R
L1
≤ 0
or
X
L1
≤ -tanAlpha40AL · R
L1
& R
L1
> 0
Alpha40AL
Mode = GENERATOR
Mode = MOTOR
U
L1
≥ 10%E
n
I
L1L
≥ 5%I
nL
Logic diagram concerning the first threshold of the loss of field element - 40

Table of Contents

Related product manuals