EasyManua.ls Logo

Thytronic Pro-N NVA100X-D - Polarity Reversing

Thytronic Pro-N NVA100X-D
376 pages
Print Icon
To Next Page IconTo Next Page
To Next Page IconTo Next Page
To Previous Page IconTo Previous Page
To Previous Page IconTo Previous Page
Loading...
FUNCTION CHARACTERISTICS
53
NVA100X-D - Manual - 02 - 2016
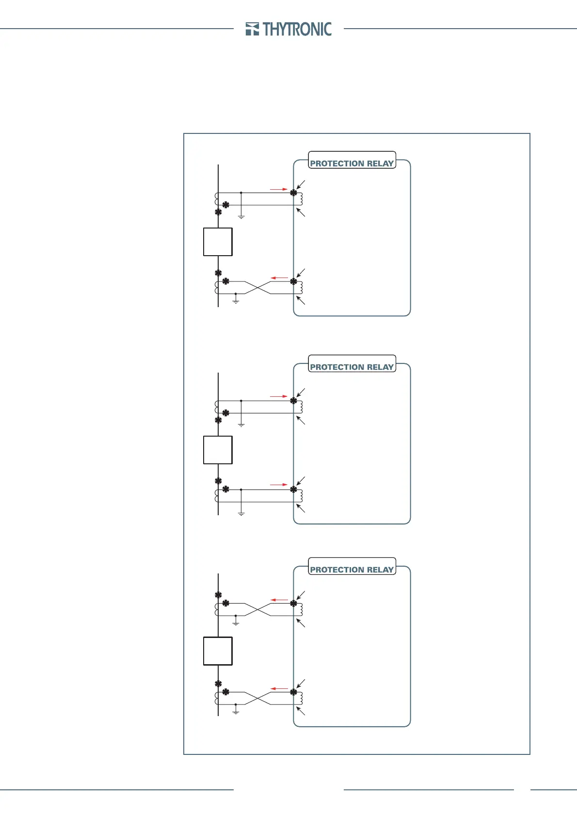
Polarity reversing
For each inputs of each phase current and residual current input, the polarity “NORMAL” or “RE-
VERSE” can be select.
With “NORMAL” selection the input polarity from this input is not inverted, with “REVERSE” selec-
tion the input polarity is reversed. This function allows you to correct any connection errors due to
reverse polarity.
polarity.ai
Proper connections -> none polarity correction required
Wrong connections -> polarity correction required
Wrong connections -> polarity correction required
side L CTs
side H CTs
Protected object
(Motor/Generator/
Transformer)
side H CTs
Polarity = NORMAL
Polarity = NORMAL
Polarity = NORMAL
Polarity = NORMAL
C1-C3-C5-C7 terminals
C2-C4-C6-C8 terminals
A1-A3-A5-A7 terminals
A2-A4-A6-A8 terminals
C1-C3-C5-C7 terminals
C2-C4-C6-C8 terminals
A1-A3-A5-A7 terminals
A2-A4-A6-A8 terminals
side L CTs
Phase current inputs side H
Polarity = INVERSE
Phase current inputs side L
Phase current inputs side H
Phase current inputs side L
NVA100X-D
NVA100X-D
TA lato H
Phase current inputs side H
Polarity = INVERSE
Phase current inputs side L
Protected object
(Motor/Generator/
Transformer)
Protected object
(Motor/Generator/
Transformer)
NVA100X-D
NO CORRECTION
REQUIRED
REQUIRED POLARITY
CORRECTION ON SIDE L
REQUIRED POLARITY
CORRECTION ON SIDE L
C1-C3-C5-C7 terminals
C2-C4-C6-C8 terminals
A1-A3-A5-A7 terminals
A2-A4-A6-A8 terminals

Table of Contents

Related product manuals