EasyManua.ls Logo

Thytronic Pro-N NVA100X-D - Page 107

Thytronic Pro-N NVA100X-D
376 pages
Print Icon
To Next Page IconTo Next Page
To Next Page IconTo Next Page
To Previous Page IconTo Previous Page
To Previous Page IconTo Previous Page
Loading...
FUNCTION CHARACTERISTICS
107
NVA100X-D - Manual - 02 - 2016
Logical block (Block1)
If the I2AL>BLK1 and/or I2>>BLK1 enabling parameters are set to ON and a binary input is
designed for logical block (Block1), the concerning element is blocked off whenever the given input
is active.
[1]
The enabling parameters are available inside the Set \ Profi le A(or B) \ Negative se-
quence overcurrent - 46G \ I2AL> Element (I2>> Element) menus, while the Block1 function must
be assigned to the selected binary input inside the Set \ Board1(2) inputs \ Binary input IN1-1...INx-x
menus.
All the parameters can be set separately for Profi le A and Profi le B.
Block3
The 46G element is disabled (with start of cooling timer) when:
the measured frequency becomes lower than 20 Hz or higher than 70 Hz or
all the phase voltages U
L1
, U
L2
, U
L3
are lower than 1% E
n
or
all the phase currents I
L1
, I
L2
, I
L3
are lower than 15% I
n
.
Note 1 The exhaustive treatment of the logical block (Block 1) function may be found in the “Logic Block” paragraph inside CONTROL AND MONITOR-
ING section
Fun-F46G_AL.ai
I
2
>≥ I
AL
>
&
RESET
t
2AL>def
0T
TRIPPING MATRIX
(LED+RELAYS)
I
2AL>def
t
2AL>def
I2AL> Start
I
2AL
>
ST-K
I
2AL
>
TR-K
I
2AL
>>
TR-L
I
2AL
>
ST-L
I
2AL
>
Start
I
2AL
>
Trip
I2AL> Trip
1
(ON
Inhibit
)
Block3
I2AL> Block1
I
2
I2>> Trip
=0 if 20≤f≤70 Hz
&
&
&
Enable (ONEnable)
Block1 input (ONBlock)
Block1
Block1
Block1
Binary input INx
T0
Logic
INx
t
ON
INx
t
ON
INx
t
OFF
T0
n.o.
n.c.
INx
t
OFF
ONEnable I
AL
> element
I
2AL
>
Enable
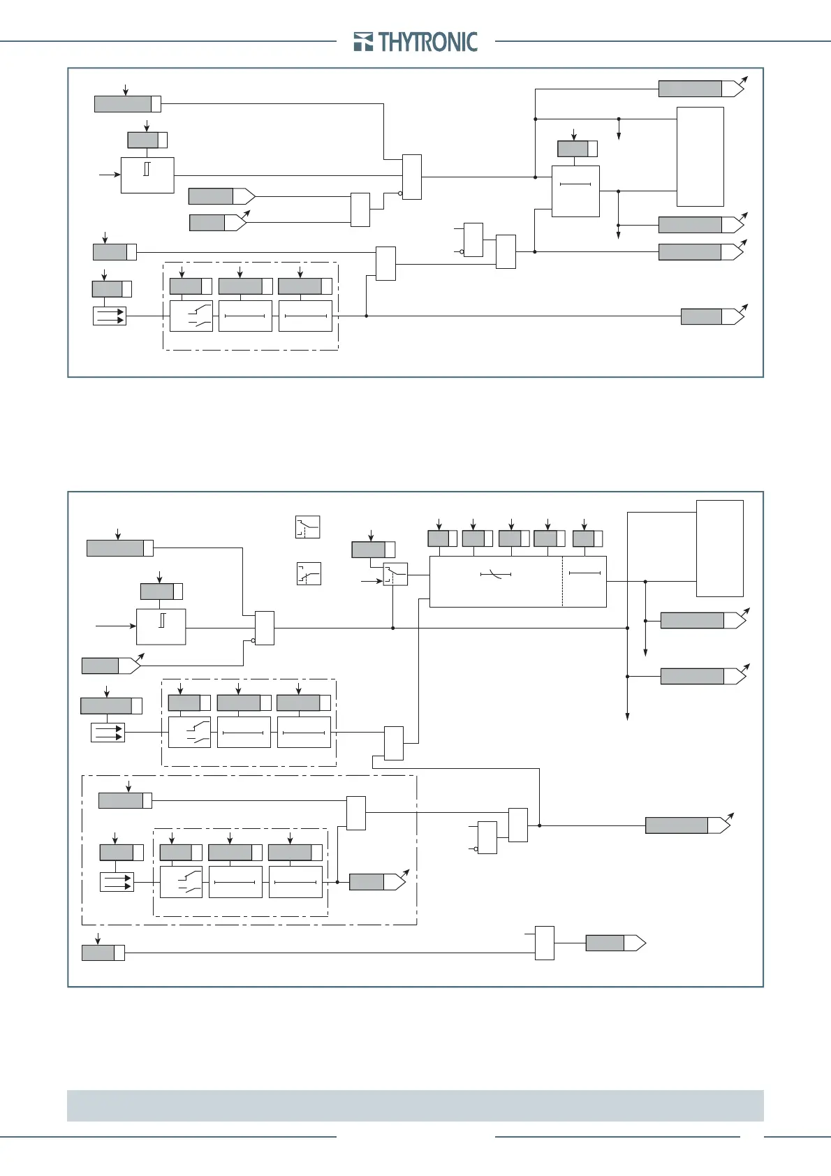
Logic diagram concerning the Alarm threshold of the negative sequence overcurrent element - 46G
Fun-F46G_S1.ai
I
2
I
2
>
>
inv
&
≥1
TRIPPING MATRIX
(LED+RELAYS)
I
2
>
>
inv
I2>> Start
I2>> Start
I2>> Trip
Block3
I
2
I
2
=0 if 20≤f≤70 Hz
Reset LEDs
I2>> Start=OFF
I2>> Start=ON
I
2
>
>
inv
RESET
K
heat
t
2max
I
B
t
2min
0T
0T
K
cool
Binary input INx
T0
Logic
INx
t
ON
INx
t
ON
INx
t
OFF
T0
n.o.
n.c.
INx
t
OFF
I>>
ST-K
I>>
TR-K
I>>
TR-L
I>>
ST-L
ONEnable I
2
>> element
I
2
>>
Enable
BF Enable (ONEnable)
I2>>BF
I2>> BF
&
I2>> Trip
towards BF logic
Logic diagram concerning the trip threshold of the negative sequence overcurrent element - 46G
I2>> Start
I2>> Trip
I2>> Block1
Binary input INx
T0
Logic
INx
t
ON
INx
t
ON
INx
t
OFF
T0
n.o.
n.c.
INx
t
OFF
&
&
&
Enable (ONEnable)
I2>>BLK1
Block1
Block1
Block1

Table of Contents

Related product manuals