EasyManua.ls Logo

Thytronic Pro-N NVA100X-D - Page 116

Thytronic Pro-N NVA100X-D
376 pages
Print Icon
To Next Page IconTo Next Page
To Next Page IconTo Next Page
To Previous Page IconTo Previous Page
To Previous Page IconTo Previous Page
Loading...
116
NVA100X-D - Manual - 02 - 2016
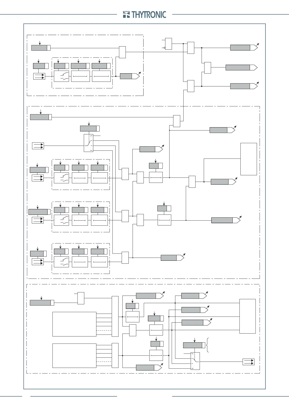
FUNCTION CHARACTERISTICS
Negative sequence overcurrent (46M) - Logic diagram of the blocking signals concerning the second element (I2>>)
Binary input INx
T0
Logic
INx
t
ON
INx
t
ON
INx
t
OFF
T0
n.o.
n.c.
INx
t
OFF
Binary input INx
T0
Logic
INx
t
ON
INx
t
ON
INx
t
OFF
T0
n.o.
n.c.
INx
t
OFF
Binary input INx
T0
Logic
INx
t
ON
INx
t
ON
INx
t
OFF
T0
n.o.
n.c.
INx
t
OFF
Binary input INx
T0
Logic
INx
t
ON
INx
t
ON
INx
t
OFF
T0
n.o.
n.c.
INx
t
OFF
Block2 IPh
Block2 IPh/IE
ModeBLIN1
T0
t
B-Iph
46MS2_BL-diagram.ai
1
1
1
1
t
B-Iph
t
B-IE
BLK1I2>>
&
&
BLK2IN I2>>
&
&
Enable (ONEnable)
I2>>BLK1
Block2 input enable (ONEnable)
Pilot wire input
&
I2>>BLK2IN
Block1
BLK2IN-Iph
Start I
2
>>
Trip I
2
>>
Iph Block2
IE Block2
BLK2IN-IE
tB timeout
Block2 input
tB-K
tB-L
Block1
FROM ANY PROTECTIONS
FROM PHASE PROTECTIONS
OFF
ON IPh
ON IPh/IE
ON IE
BLIN1
Block1
T0
t
B-IE
Block2 IE
1
Block1, Block2
TRIPPING MATRIX
(LED+RELAYS)
1
1
Pilot wire output
TRIPPING MATRIX
(LED+RELAYS)
ModeBLOUT1
A
B
C
D
BLOUT1
Block2 output
1
t
F-IPh
t
F-IPh/IE
t
F-IE
ST-Iph BLK2
ST-IE BLK2
&
Block2 output
(ONEnable)
I2>>BLK2OUT
Start I2>
T0
t
F-IPh/IE
T0
t
F-IPh
T0
t
F-IE
BLK2OUT-Iph
BLK2OUT-Iph/IE
BLK2OUT-IE
A = OFF
B = ON IPh
C = ON IPh/IE
D = ON IE
BLK2OUT-IPh-K
BLK2OUT-IPh-L
BLK2OUT-IPh/IE-K
BLK2OUT-IPh/IE-L
BLK2OUT-IE-K
BLK2OUT-IE-L
FROM EARTH FAULT PROTECTIONS
All other BLK2OUT outputs
of phase elements
(see BLK2OUT chapter)
1
All BLK2OUT outputs
of ground elements
(see BLK2OUT chapter)
1
I2>> Block2 OUT

Table of Contents

Related product manuals