EasyManua.ls Logo

Thytronic Pro-N NVA100X-D - Page 121

Thytronic Pro-N NVA100X-D
376 pages
Print Icon
To Next Page IconTo Next Page
To Next Page IconTo Next Page
To Previous Page IconTo Previous Page
To Previous Page IconTo Previous Page
Loading...
FUNCTION CHARACTERISTICS
121
NVA100X-D - Manual - 02 - 2016
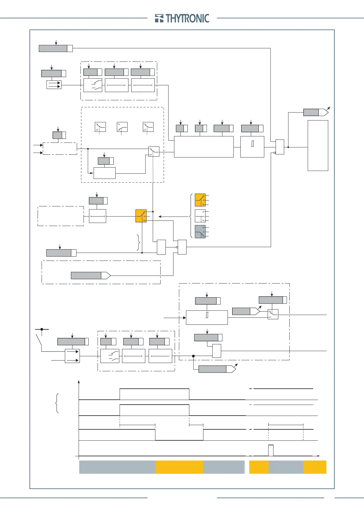
Thermal image (49MG) - Logic diagram of the first alarm threshold
Fun_49_AL1.ai
&
Init DTheta
Dθ
DthAL1
DthAL1
Binary input INx
T0
Logic
INx
t
ON
INx
t
ON
INx
t
OFF
T0
n.o.
n.c.
INx
t
OFF
I
th
K
ST
DthAL1
ONEnable element
(
I
th
within CLP)
(
I
th
outside CLP)
Block1, Block2
T0
t
DthCLP
DthCLPMode
t
DthCLP
I
th
/K
ST
TRIPPING MATRIX
(LED+RELAYS)
A
B
C
A =“1”
A =“0”
Output
t
DthCLP
DthAL1 Enable
Starting control set
A = ON - Change setting
B = OFF
C = ON - Element blocking
Change
setting
Change
setting
Element
blocking
B or C
DthAL1-L
DthAL1-K
1
1
dDθ/dt + Dθ/T+ = (Ith/I
B
)
2
/T+
dDθ/dt + Dθ/T- = 0
T
+
T
-
DThAL1 thermal image (49) block diagram
A
B
C
A = ON - Change setting
A
B
C
C = ON - Element blocking
A
B
C
B = OFF
Starting control set
Starting
control
&
CLP source
MR Enable
CB-State
I
RUN
=0.1
I
B
Max[I
L1...
I
L3
]
I
RUN
I
L1...
I
L3
Output t
CLP
t
CLP
Max[I
L1...
I
L3
]
I
RUN
Max[I
L1...
I
L3
]
I
RUN
Max[I
L1...
I
L3
]
<
I
RUN
Starting detection
Reset CLP timer
CB State
CB OPEN CB CLOSED CB CLOSEDCB OPEN
t
I
RUN
t
CLP
0.1 s
HIGH THRESHOLD/
BLOCK
LOW THRESHOLD/
UNBLOCK UNBLOCK UNBLOCK
HIGH THRESHOLD/
BLOCK
HIGH THRESHOLD/
BLOCK
+UAUX
-UAUX
Binary input INx
T0
Logic
INx
t
ON
INx
t
ON
INx
t
OFF
0
n.o.
n.c.
INx
t
OFF
Motor restart
Motor restart
Motor restart
LOW TH. LOW TH.
DthIN
I
th
= √
I
1
2
+K
2
I
2
2
K
2
I
1
I
2

Table of Contents

Related product manuals