EasyManua.ls Logo

Thytronic Pro-N NVA100X-D - Page 126

Thytronic Pro-N NVA100X-D
376 pages
Print Icon
To Next Page IconTo Next Page
To Next Page IconTo Next Page
To Previous Page IconTo Previous Page
To Previous Page IconTo Previous Page
Loading...
126
NVA100X-D - Manual - 02 - 2016
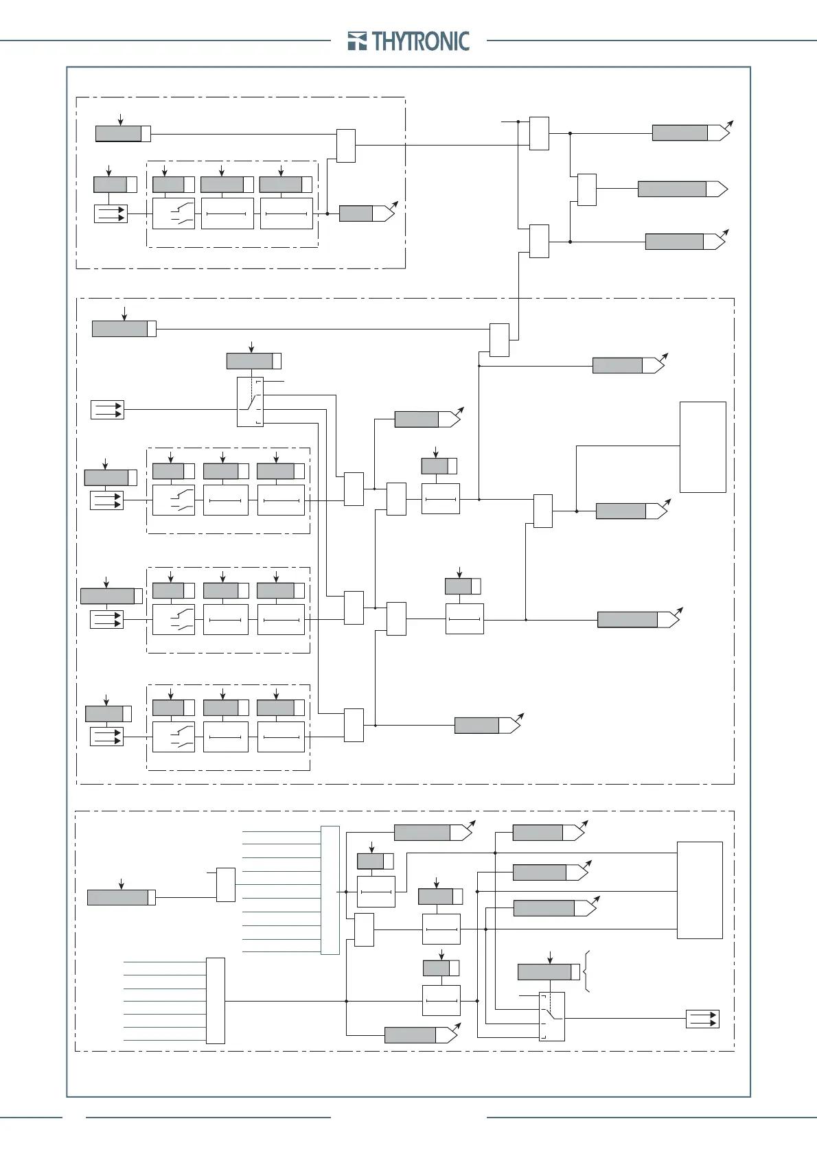
FUNCTION CHARACTERISTICS
Thermal image (49MG) - Logic diagram of the blocking signals concerning the trip element
BLK1Dth>
BLK2IN Dth>
Dth>BLK1
DTh>BLK2IN
Dth>
&
Block2 output
(ONEnable)
Dth>BLK2OUT
Dth>
49MG_BL-diagram.ai
Binary input INx
T0
Logic
INx
t
ON
INx
t
ON
INx
t
OFF
T0
n.o.
n.c.
INx
t
OFF
Binary input INx
T0
Logic
INx
t
ON
INx
t
ON
INx
t
OFF
T0
n.o.
n.c.
INx
t
OFF
Binary input INx
T0
Logic
INx
t
ON
INx
t
ON
INx
t
OFF
T0
n.o.
n.c.
INx
t
OFF
Binary input INx
T0
Logic
INx
t
ON
INx
t
ON
INx
t
OFF
T0
n.o.
n.c.
INx
t
OFF
Block2 IPh
Block2 IPh/IE
ModeBLIN1
T0
t
B-Iph
1
1
1
1
t
B-Iph
t
B-IE
&
&
&
Enable (ONEnable)
Block2 input enable (ONEnable)
Pilot wire input
&
Block1
BLK2IN-Iph
Iph Block2
IE Block2
BLK2IN-IE
tB timeout
Block2 input
tB-K
tB-L
Block1
FROM ANY PROTECTIONS
FROM PHASE PROTECTIONS
OFF
ON IPh
ON IPh/IE
ON IE
BLIN1
Block1
T0
t
B-IE
Block2 IE
1
Block1, Block2
TRIPPING MATRIX
(LED+RELAYS)
1
1
Pilot wire output
TRIPPING MATRIX
(LED+RELAYS)
ModeBLOUT1
A
B
C
D
BLOUT1
Block2 output
1
t
F-IPh
t
F-IPh/IE
t
F-IE
ST-Iph BLK2
ST-IE BLK2
T0
t
F-IPh/IE
T0
t
F-IPh
T0
t
F-IE
BLK2OUT-Iph
BLK2OUT-Iph/IE
BLK2OUT-IE
A = OFF
B = ON IPh
C = ON IPh/IE
D = ON IE
BLK2OUT-IPh-K
BLK2OUT-IPh-L
BLK2OUT-IPh/IE-K
BLK2OUT-IPh/IE-L
BLK2OUT-IE-K
BLK2OUT-IE-L
FROM EARTH FAULT PROTECTIONS
I2> Block2 OUT
I2>> Block2 OUT
1
I> Block2 OUT
I
LR
> Block2 OUT
I>> Block2 OUT
I
LR
>> Block2 OUT
I>>> Block2 OUT
DthAL1 Block2 OUT
DthAL2 Block2 OUT
Dth Block2 OUT
1
I
E
>> Block2 OUT
I
E
> Block2 OUT
I
ED
>> Block2 OUT
I
ED
>>> Block2 OUT
I
ED
>>>> Block2 OUT
I
ED
> Block2 OUT
I
E
>>> Block2 OUT

Table of Contents

Related product manuals