EasyManua.ls Logo

Thytronic Pro-N NVA100X-D - Page 133

Thytronic Pro-N NVA100X-D
376 pages
Print Icon
To Next Page IconTo Next Page
To Next Page IconTo Next Page
To Previous Page IconTo Previous Page
To Previous Page IconTo Previous Page
Loading...
FUNCTION CHARACTERISTICS
133
NVA100X-D - Manual - 02 - 2016
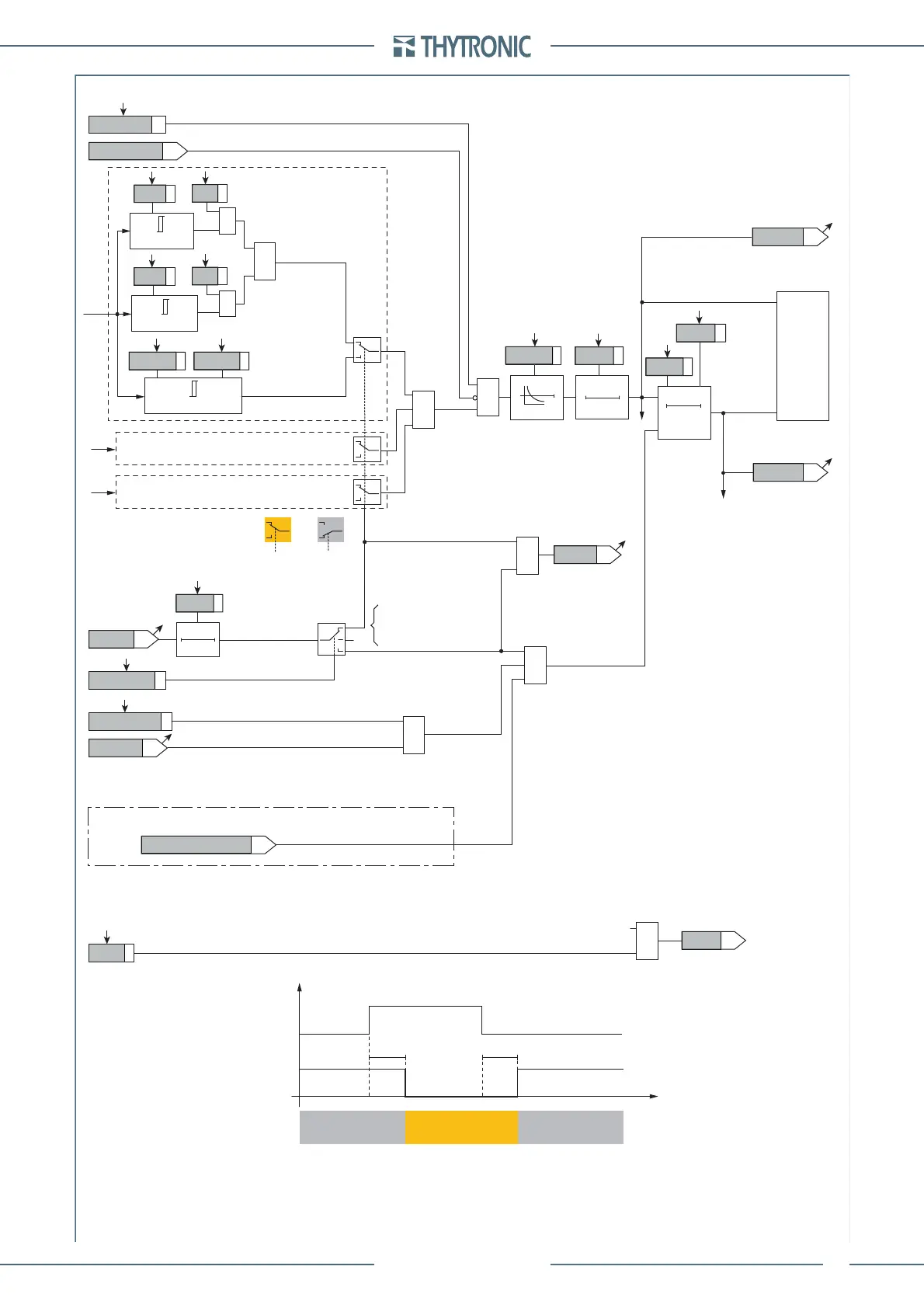
Phase overcurrent (50/51) side H - First element logic diagram (I>)
Fun_50-51S1.ai
I
L1H
I
L2H
t
(H)
>
RES
T0
RESET
t
(H)
>
0T
1
1
1
t
(H)
>
def
t
(H)
>
inv
t
(H)
>
RES
Start I
(H)
>
Trip I
(H)
>
CB-State
Start I
2ndh>
ONInhibit (from I(H)>> and/or I(H)>>> overcurrent element)
ONEnable I(H)> overcurrent element
(Pickup within CLP)
(Pickup outside CLP)
I(H)> inhibition
Block1, Block2, Block4
&
T0
t
(H)
CLP>
&
2nd harmonic restraint enable (ONEnable)
I
(H)
>2ndh-REST
I
(H)
CLP>Mode
I
(H)CLP
>
def
t
(H)CLP
>
I
(H)CLP
>
inv
I
L1H
I
(H)
>
BF Enable (ONEnable)
I
(H)
>BF
towards BF logic
I
(H)
> BF
&
Trip I
(H)
>
TRIPPING MATRIX
(LED+RELAYS)
I
(H)
> Curve
0T
A
B
C
A =“1”A =“0 or OFF”
Output
t
(H)
CLP>
I
L3H
I(H)> Enable
I
(H)
> overcurrent element (50/51) block diagram
t
CLP>
CB State CB OPEN CB CLOSED CB OPEN
Output t
CLP>
t
0.1 s
HIGH THRESHOLD/
BLOCK
LOW THRESHOLD/
UNBLOCK
HIGH THRESHOLD/
BLOCK
A = ON - Change setting
B = OFF
C = ON - Element blocking
I(H)>TR-K
I(H)>TR-L
I(H)>ST-L
I(H)>ST-K
1
CLP I
(H)
>
&
State
I
(H)
>
inv
I
L1H
I
(H)
>
def
I
L1H
I
(H)
>
inv
I
(H)
>
def
&
State

Table of Contents

Related product manuals