EasyManua.ls Logo

Thytronic Pro-N NVA100X-D - Page 137

Thytronic Pro-N NVA100X-D
376 pages
Print Icon
To Next Page IconTo Next Page
To Next Page IconTo Next Page
To Previous Page IconTo Previous Page
To Previous Page IconTo Previous Page
Loading...
FUNCTION CHARACTERISTICS
137
NVA100X-D - Manual - 02 - 2016
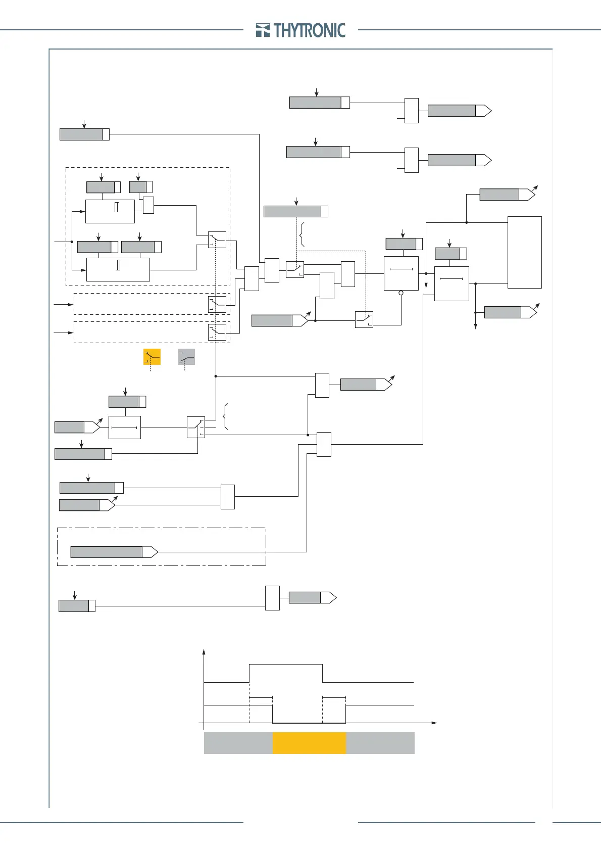
Phase overcurrent (50/51) side H - Third element logic diagram (I(H)>>>)
RESET
t
>>>def
0T
1
1
t
>>>def
Start I
(H)
>>>
Trip I
(H)
>>>
CB-State
Start I
2ndh>
ONEnable 3rd overcurrent element
Block1, Block2, Block4
&
I>>>TR-K
A
B
A
B
I>>>TR-L
I
(H)
>>>ST-L
I
(H)
>>>ST-K
T0
t
(H)
CLP>>>
&
&
2nd harmonic restraint enable (ONEnable)
I
(H)
>>>2ndh-REST
I
(H)
CLP>>>Mode
ST-I
(H)
>>>&ST-U<<
t
(H)CLP
>>>
BF Enable (ONEnable)
I
(H)
>>>BF
towards BF logic
I
(H)
>>> BF
&
Trip I
(H)
>>>
TRIPPING MATRIX
(LED+RELAYS)
A
B
C
Output t
CLP>>>
I
(H)
>>> Enable
I
(H)
>>> overcurrent element (50/51) Block diagram
t
CLP>>>
Output t
CLP>>>
CB State CB OPEN CB CLOSED CB OPEN
t
0.1 s
HIGH THRESHOLD/
BLOCK
LOW THRESHOLD/
UNBLOCK
HIGH THRESHOLD/
BLOCK
A = ON - Change setting
B = OFF
C = ON - Element blocking
A ST-I>>>&ST-U<< = OFF
B ST-I>>>&ST-U<< = ON
&
(ON
Inhibit
)
Start I
(H)
>>>
Start I
(H)
>>>
Start I
(H)
>>>
(ON
Inhibit
)
I
(H)
> inhibition
I
(H)
> disbyl
(H)
>>>
&
I
(H)
>> inhibition
I
(H)
>> disbyl
(H)
>>>
1
CLP I
(H)
>>>
I
L1H
I
L2H
1
(Pickup within CLP)
(Pickup outside CLP)
I
(H)CLP
>>
def
I
(H)CLP
>>
inv
I
L1H
I
(H)
>>>
A =“1”A =“0 or OFF”
I
L3H
&
State
I
L1H
I
(H)
>>>
def
I
(H)
>>>
def
t
(H)
>>>RES
T0
RESET
t
(H)
>>>RES
Start U<<def

Table of Contents

Related product manuals