EasyManua.ls Logo

Thytronic Pro-N NVA100X-D - Page 162

Thytronic Pro-N NVA100X-D
376 pages
Print Icon
To Next Page IconTo Next Page
To Next Page IconTo Next Page
To Previous Page IconTo Previous Page
To Previous Page IconTo Previous Page
Loading...
162
NVA100X-D - Manual - 02 - 2016
FUNCTION CHARACTERISTICS
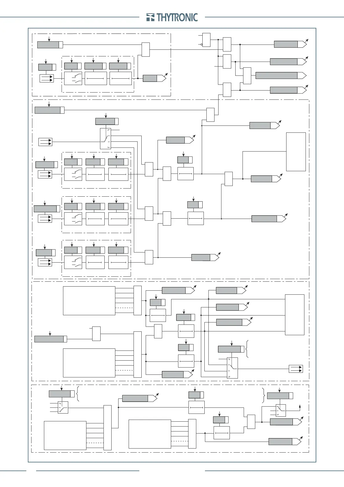
Residual overcurrent (50N.1/51N.1) - Logic diagram of the blocking signals concerning the third element (IE1>>>) Sheet 2 of 2
IE1>>>BLK1
Start I
E1
>>>
Start I
E1
>>>
Trip I
E1
>>>
Pilot wire output
TRIPPING MATRIX
(LED+RELAYS)
ModeBLOUT1
A
B
C
D
BLOUT1
Block2 output
1
t
F-IPh
t
F-IPh/IE
t
F-IE
ST-Iph BLK2
ST-IE BLK2
&
Block2 output
(ONEnable)
IE1>>>BLK2OUT
T0
t
F-IPh/IE
T0
t
F-IPh
T0
t
F-IE
BLK2OUT-Iph
BLK2OUT-Iph/IE
BLK2OUT-IE
A = OFF
B = ON IPh
C = ON IPh/IE
D = ON IE
BLK2OUT-IPh-K
BLK2OUT-IPh-L
BLK2OUT-IPh/IE-K
BLK2OUT-IPh/IE-L
BLK2OUT-IE-K
BLK2OUT-IE-L
Binary input INx
T0
Logic
INx
t
ON
INx
t
ON
INx
t
OFF
T0
n.o.
n.c.
INx
t
OFF
Binary input INx
T0
Logic
INx
t
ON
INx
t
ON
INx
t
OFF
T0
n.o.
n.c.
INx
t
OFF
Binary input INx
T0
Logic
INx
t
ON
INx
t
ON
INx
t
OFF
T0
n.o.
n.c.
INx
t
OFF
Binary input INx
T0
Logic
INx
t
ON
INx
t
ON
INx
t
OFF
T0
n.o.
n.c.
INx
t
OFF
Block2 IPh
Block2 IPh/IE
ModeBLIN1
T0
t
B-Iph
50N-51NS3_BL-diagram.ai
1
1
1
1
t
B-Iph
t
B-IE
BLK1IE1>>>
BLK4IN IE1>>>
&
&
&
BLK2IN IE1>>>
&
&
Enable (ONEnable)
Block2 input enable (ONEnable)
Pilot wire input
&
IE1>>>BLK2IN
Block1
BLK2IN-Iph
Iph Block2
IE Block2
BLK2IN-IE
tB timeout
Block2 input
tB-K
tB-L
Block1
FROM EARTH FAULT PROTECTIONS
FROM ANY PROTECTIONS
OFF
ON IPh
ON IPh/IE
ON IE
BLIN1
Block4
I
E1
>>> Block2 OUT
Block1
T0
t
B-IE
Block2 IE
1
Block1, Block2, Block4
TRIPPING MATRIX
(LED+RELAYS)
1
1
All other BLK2OUT outputs
of ground elements
(see BLK2OUT chapter)
1
All BLK2OUT outputs
of phase elements
(see BLK2OUT chapter)
1
Start I
E1
>>>
I
E1
>>> Block4 I/O
I
E1
>>> Block4 OUT
IE1>>>BLK4
IE1>>>BLK4
t
FI-Iph
ST-IE1 BLK4
ST-Iph BLK4
1
t
FI-IE
Block4 OUT
T0
t
FI-Iph
T0
t
FI-IE
Block4
Block4
A = IN
B = OFF
C = OUT
B
C
“0”
“0”
A
Block4 enable
A = IN
B = OFF
C = OUT
C
B
A
“0”
“0”
All other BLK4 I/O
of ground elements
(see BLK4 chapter)
1
All BLK4 I/O
of phase elements
(see BLK4chapter)
1

Table of Contents

Related product manuals