EasyManua.ls Logo

Thytronic Pro-N NVA100X-D - Page 166

Thytronic Pro-N NVA100X-D
376 pages
Print Icon
To Next Page IconTo Next Page
To Next Page IconTo Next Page
To Previous Page IconTo Previous Page
To Previous Page IconTo Previous Page
Loading...
166
NVA100X-D - Manual - 02 - 2016
FUNCTION CHARACTERISTICS
I
EC
I
EC
I
EC
tEC>>
def
IECCLP>>
def
IEC>>
def
IECCLP>>Mode
tECCLP>>
tEC>>
RES
IEC>> Enable
tEC>>>
def
IECCLP>>>
def
IEC>>>
def
IECCLP>>>Mode
tECCLP>>>
tE
C>>>
RES
IEC>>> Enable
tEC>
def
IECCLP>
def
IEC>
def
tEC>
inv
IECCLP>
inv
IEC>
inv
IEC>Curve
IECCLP>Mode
tECCLP>
tEC>
RES
IEC> Enable
all-F50N-51N.ai
IEC>> inhibition
BLK1IE1>>>
IEC>>>BF
IEC>>> Element
Start IEC>>>
Start IEC>>>
Trip IEC>>>
&
IEC>> disbyIEC>>>
&
IEC>>>BLK2IN
&
IEC> disbyIEC>>>
BLK1IEC>>
IEC>> Element
BLK2OUT
Start IEC>>
&
IEC> disbyIEC>>
&
IEC>>BLK1
&
IEC>>BLK2IN
IEC> inhibition
Block1
BLK1IEC>
CLPIEC>
Start IEC>
Trip IEC>
Start IEC>>
Trip IEC>>
Start IEC>>
Trip IEC>>
CLPIE1>>
CLPIE1>>>
IEC> Element
BLK2OUT
BLK4OUT
BLK4OUT
BLK2INIEC>
BLK2INIEC>>
&
IEC>BLK1
Block2
&
IEC>BLK2IN
Start I2ndh>
&
IEC>2ndh-REST
IEC>BLK2OUT
Start I2ndh>
&
IEC>>2ndh-REST
Start I2ndh>
&
IEC>>>2ndh-REST
&
IEC>>>BF
IEC>>BF
IEC>> Trip
&
IEC>>BF
IEC>BF
Trip IEC>
&
IEC>BF
Start IEC>
&
IEC>>BLK2OUT
Start IEC>>
&
BLK2OUT
IEC>>>BLK2OUT
Start IEC>>>
&
IEC>BLK4
Start IEC>
&
IEC>>BLK4
Start IEC>>
&
BLK4OUT
IEC>>>BLK4
Start IEC>>>
&
Block1
Block2
&
IEC>>>BLK1
Block1
Block2
Start
IEC>
&
Start IEC>>
&
Start IEC>>>
&
Start IEC>>
&
BLK2INIEC>>>
Start IEC>>>
&
Start
IEC>
&
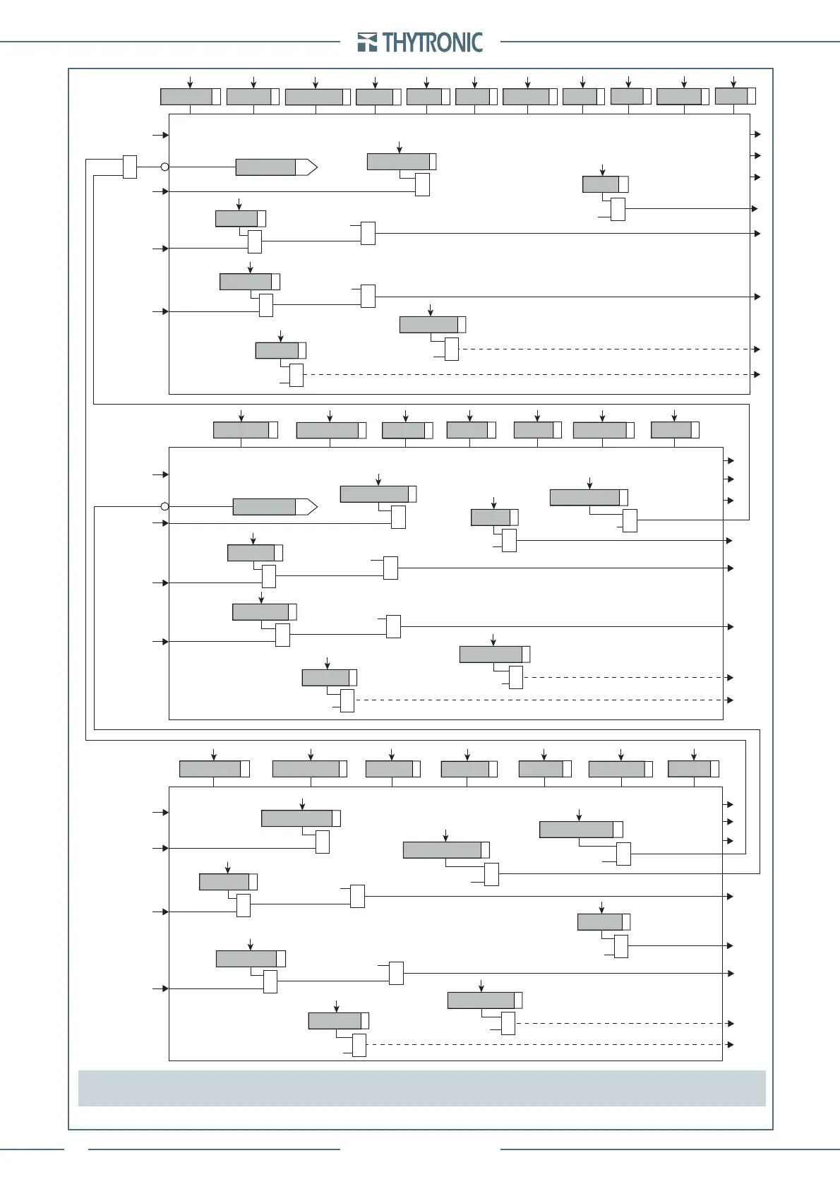
Note Inside diagrams and text the IEC is the current residual current calculated by the vector sum of the currents
of the selected side (the H or L side)
General logic diagram of the calculated residual current elements - 50N(Comp)/51N(Cmp)

Table of Contents

Related product manuals