EasyManua.ls Logo

Thytronic Pro-N NVA100X-D - Page 176

Thytronic Pro-N NVA100X-D
376 pages
Print Icon
To Next Page IconTo Next Page
To Next Page IconTo Next Page
To Previous Page IconTo Previous Page
To Previous Page IconTo Previous Page
Loading...
176
NVA100X-D - Manual - 02 - 2016
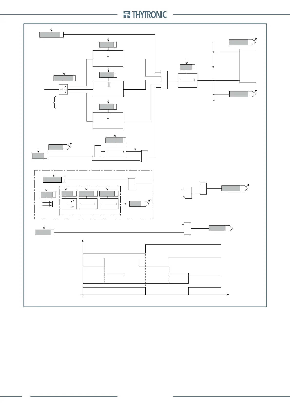
FUNCTION CHARACTERISTICS
55S2.ai
State = ON Enable 55 element
CPhi< Enable
t
CPhi2
<
0T
1
t
CPhi2
<
StartCPhi2<
Trip CPhi2<
CB-State
CPhi2<ST-K
CPhi2<TR-K
CPhi1<TR-L
CPhi2<ST-L
T0
t
ARM-CPhi
<
t
ARM-CPhi
<
CPhi2<
DIR
TRIPPING MATRIX
(LED+RELAYS)
A
B
C
ON Enable CB acquisition
CB-55
t
ARM-CPhi<
CB State
CB-55
CB OPEN CB CLOSED
Start enable
CB OPEN
Output
t
ARM-CPhi<
Output t
ARM-CPhi<
t
t
ARM-CPhi<
&
G
CPhi2<
cosG < CPhi2<
(0 ≤ G ≤ π)
(Q > 0)
(Q < 0)
(Q qualsiasi)
BF Enable (ONEnable)
towards BF logic
CPhi2< BF
&
Trip CPhi2<
CPhi2<BF
&
Trip CPhi2<
Start CPhi2<
Binary input INx
T0
Logic
INx
t
ON
INx
t
ON
INx
t
OFF
T0
n.o.
n.c.
INx
t
OFF
BLK1CPhi2<
&
&
&
Enable (ONEnable)
CPhi2<BLK1
Block1
Block1
Block1
A = lag
B = lead
C = lag/lead
CPhi2<
cosG < CPhi2<
(-π ≤ G ≤ π)
CPhi2<
cosG < CPhi2<
(-π ≤ G ≤ 0)
Minimum power factor - 55 Second element

Table of Contents

Related product manuals