EasyManua.ls Logo

Thytronic Pro-N NVA100X-D - Page 186

Thytronic Pro-N NVA100X-D
376 pages
Print Icon
To Next Page IconTo Next Page
To Next Page IconTo Next Page
To Previous Page IconTo Previous Page
To Previous Page IconTo Previous Page
Loading...
186
NVA100X-D - Manual - 02 - 2016
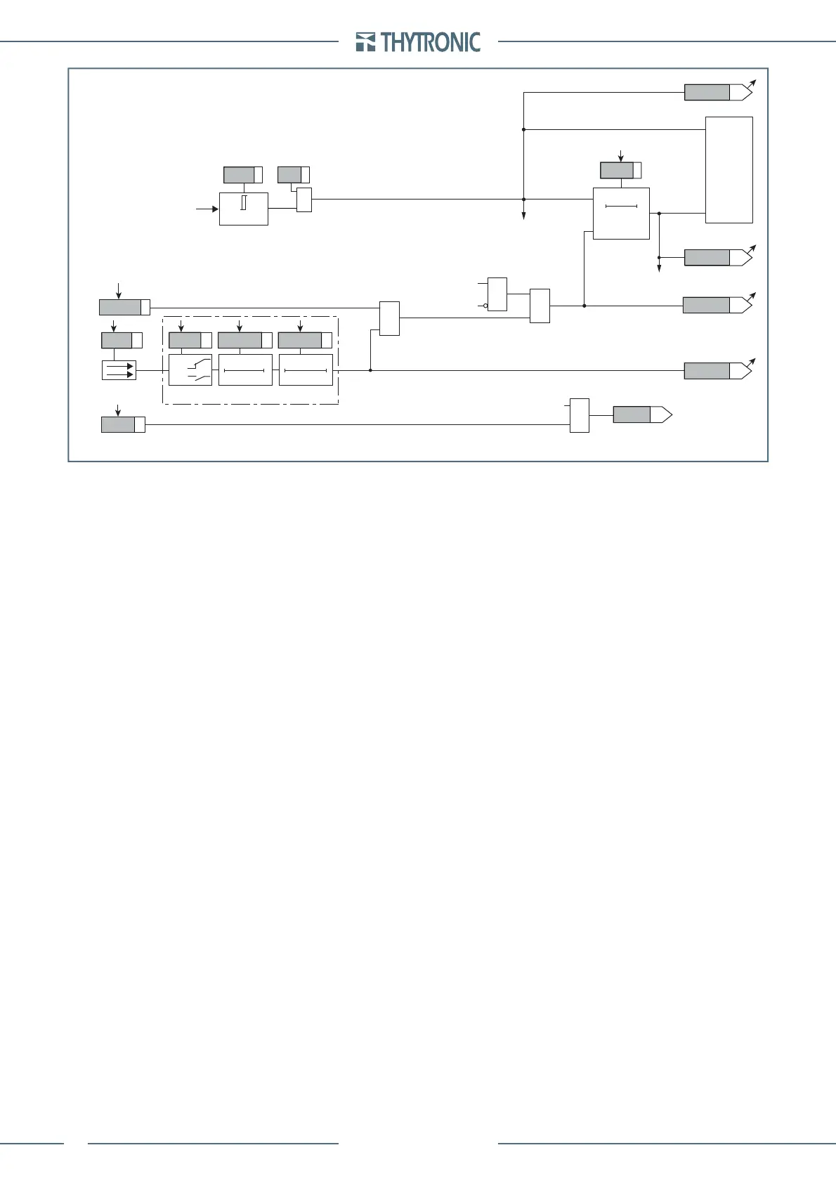
FUNCTION CHARACTERISTICS
Fun-F59V2_S1.ai
RESET
t
U2>def
0T
TRIPPING MATRIX
(LED+RELAYS)
t
U2>def
Start U2>
U2>ST-K
Start U2>
U2>TR-K
U2>ST-L
U2>TR-L
Trip U2>
Trip U2>
Trip U2>
BF Enable (ONEnable)
U1<BF
towards BF logic
&
BLK1U2>
U2> BF
&
&
&
Enable (ONEnable)
Block1 input (ONBlock)
U1<BLK1
Block1
Block1
U
2
Binary input INx
T0
Logic
INx
t
ON
INx
t
ON
INx
t
OFF
T0
n.o.
n.c.
INx
t
OFF
&
State
U
2
U
2
>
def
U
2
>
def
Logic diagram concerning the negative sequence overvoltage element - 59V2

Table of Contents

Related product manuals