EasyManua.ls Logo

Thytronic Pro-N NVA100X-D - Page 189

Thytronic Pro-N NVA100X-D
376 pages
Print Icon
To Next Page IconTo Next Page
To Next Page IconTo Next Page
To Previous Page IconTo Previous Page
To Previous Page IconTo Previous Page
Loading...
FUNCTION CHARACTERISTICS
189
NVA100X-D - Manual - 02 - 2016
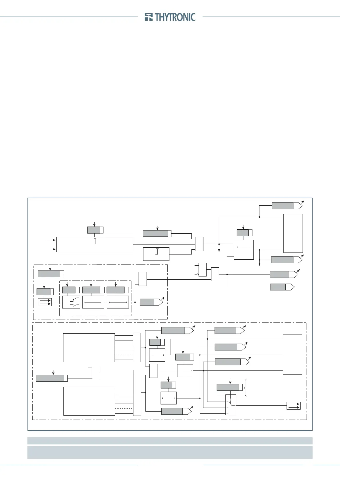
fault-64REF menu.
[1]
The following block criteria are available:
Logical block (Block1)
If the 64REF-BLK1 enabling parameter is set to ON and a binary input is designed for logical block
(Block1), the element is blocked off whenever the given input is active.
[2]
The enabling parameters
are available inside the menu Set \ Profi le A(or B) \ Low impedance restricted ground fault - 64REF
menu, while the Block1 function must be assigned to the selected binary input inside the Set \
Board1(2) inputs \ Binary input IN1-1...INx-x) menus.
Selective block (Block2)
For the protective element the output selective block may be set.
The logic selectivity function may be performed by means any combination of the following I/O:
One committed pilot wire output (BLOUT1).
One or more output relays designed for output selective block.
Only when the committed pilot wire are used the continuity check of the pilot wire link is active.
Use of committed pilot wire output BLOUT1:
The information about phase or phase+earth block may be select programming the ModeBLOUT1
parameter (OFF - ON IPh - ON IPh/IE - ON IE) inside Set \ Profi le A(or B) \ Selective block-
BLOCK2 \ Selective block OUT menus.
Use of output relay (K1...K6):
If the 64REF-BLK2OUT enable parameter is set to ON and a output relay is designed for selective
block (Block2), the protection issues a block output by phase elements (BLK2OUT-Iph) or by any pro-
tection element (BLK2OUT-Iph/IE), whenever the given element (Start 64REF) becomes active. The
enable 64REF-BLK2OUT parameter (ON or OFF) is available inside the Set \ Profi le A(or B) \ Low
impedance restricted ground fault - 64REF, while the BLK2OUT-Iph-K, BLK2OUT-Iph/IE-K
and/or BLK2OUT-IE-K output relays and LEDs (BLK2OUT-Iph-L, BLK2OUT-Iph/IE-L e/o
BLK2OUT-IE-L) must be select inside the Set \ Profi le A(or B) \ Selective block-BLOCK2 \ Selec-
tive block OUT menu.
Note 1 The common settings concerning the Breaker failure protection are adjustable inside the Breaker Failure - BF menu.
Note 2 The exhaustive treatment of the logical block (Block 1) function may be found in the “Logic Block” paragraph inside CONTROL AND MONITOR-
ING section
Fun_49_AL.ai
Binary input INx
T0
Logic
INx
t
ON
INx
t
ON
INx
t
OFF
T0
n.o.
n.c.
INx
t
OFF
&
Enable (ONEnable)
64REF-BLK1
Block1
Block1
Block1
Block1
Pilot wire output
TRIPPING MATRIX
(LED+RELAYS)
ModeBLOUT1
A
B
C
D
BLOUT1
Block2 output
1
t
F-IPh
t
F-IPh/IE
t
F-IE
ST-Iph BLK2
ST-IE BLK2
T0
t
F-IPh/IE
T0
t
F-IPh
T0
t
F-IE
BLK2OUT-Iph
BLK2OUT-Iph/IE
BLK2OUT-IE
&
Block2 output
(ONEnable)
64REF-BLK2OUT
Start
64REF
64REF Block2 OUT
A = OFF
B = ON IPh
C = ON IPh/IE
D = ON IE
BLK2OUT-IPh-K
BLK2OUT-IPh-L
BLK2OUT-IPh/IE-K
BLK2OUT-IPh/IE-L
BLK2OUT-IE-K
BLK2OUT-IE-L
RESET
t
REF
>
0T
t
REF
>
Start 64REF>
Trip
64REF>
ONEnable
&
64REF-ST-K
64REF-ST-L
64REF-TК-K
64REF-TК-L
TRIPPING MATRIX
(LED+RELAYS)
64REF-Enable
Start 64REF>
Start 64REF>
Trip 64REF>
I
REF
>
I
ES
4
I
REF
>
I
E1 ≥
I
REF
> · I
ES
+ [I
REF
>/[1-(I
ES
/4 · I
REF
>)
20
]
I
E1
I
ECH
BLK1IE>>
&
&
All other BLK2OUT outputs
of ground elements
(see BLK2OUT chapter)
1
All BLK2OUT outputs
of phase elements
(see BLK2OUT chapter)
1
Restricted earth fault protection - logic diagram (46REF)

Table of Contents

Related product manuals