EasyManua.ls Logo

Thytronic Pro-N NVA100X-D - Page 201

Thytronic Pro-N NVA100X-D
376 pages
Print Icon
To Next Page IconTo Next Page
To Next Page IconTo Next Page
To Previous Page IconTo Previous Page
To Previous Page IconTo Previous Page
Loading...
FUNCTION CHARACTERISTICS
201
NVA100X-D - Manual - 02 - 2016
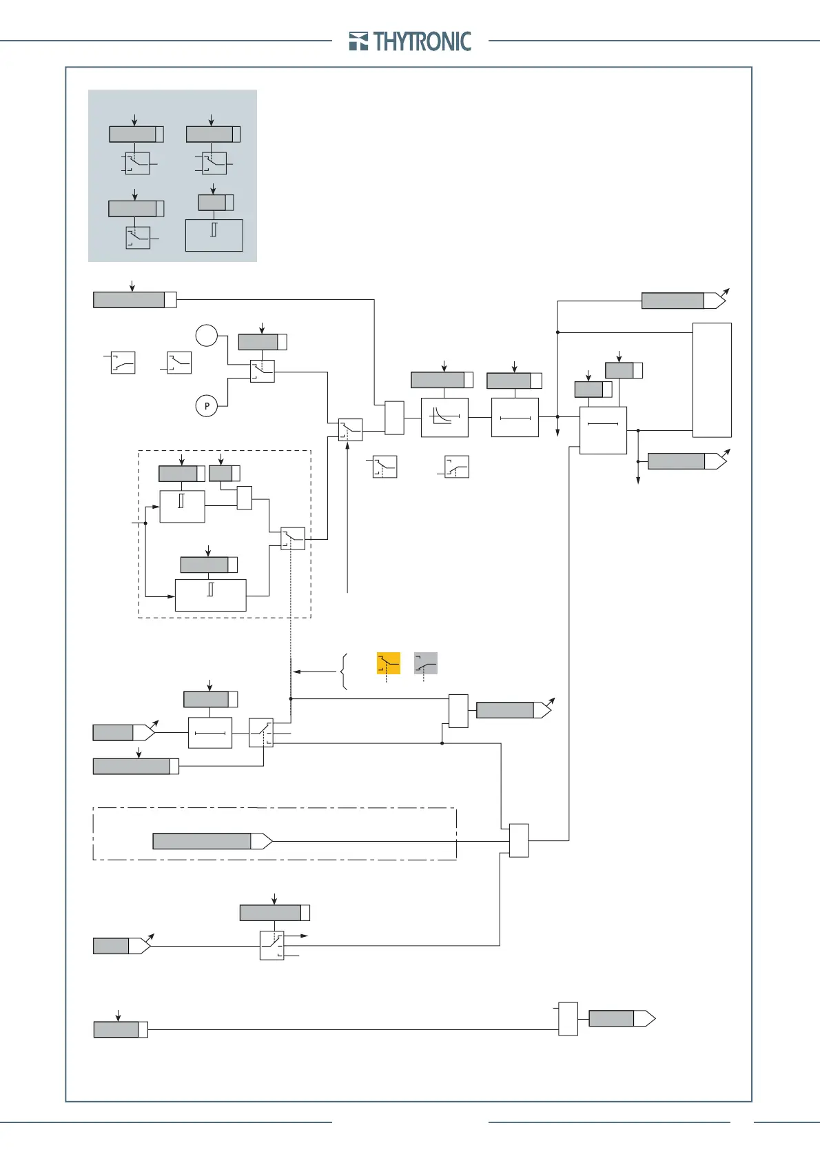
Fun_67NS1-3.ai
ONEnable IED> directional earth fault
&
BF Enable (ONEnable)
I
ED>
BF
towards BF logic
I
ED>
BF
&
Trip IED>
A
B
Non-directional
(from 74VT)
Non-directional
A = Directional
B = Non-directional
IED> Enable
1
CB-State
Block1, Block2, Block4
T 0
t
CLP>
IEDCLP>Mode
t
EDCLP
>
A
B
C
A =“1”A =“0 or OFF”
IED> overcurrent directional element (67N) block diagram (sheet 4)
A = ON - Change setting within CLP
B = OFF - CLP disabled
C = ON - Element blocking within CLP
1
CLP IED>
I
E2
I
EDCLP>def
I
EDCLP
>def
&
State
I
ED>def
I
ED>def
Block by 74VT (ONBlock)
Internal or external
OFF
74VT
74VTint/ext67N
t
ED>RES
T0
RESET
t
ED>def/inv
0T
t
ED>RES
Start IED>
Trip IED>
TRIPPING MATRIX
(LED+RELAYS)
I
ED>
Curve
0T
IED>TR-K
IE>TR-L
IED>ST-L
IED>ST-K
t
ED>def
t
ED>inv
A
B
(sheet 1)
D =“modulo”
Mode67N
C
D
D =“modulo” C =“proiezione”
C
D
M
(sheet 2)
C =“proiezione”
I
E2
Common configurations
Insens-Zone
OFF
ON
U
E
U
EC
3Votype67N
3V
o
I
I∙cos
Mode67N
M∙threshold
M
Ground directional overcurrent (67N) - First element logic diagram (IED>) (sheet 3 of 4)

Table of Contents

Related product manuals