EasyManua.ls Logo

Thytronic Pro-N NVA100X-D - Page 231

Thytronic Pro-N NVA100X-D
376 pages
Print Icon
To Next Page IconTo Next Page
To Next Page IconTo Next Page
To Previous Page IconTo Previous Page
To Previous Page IconTo Previous Page
Loading...
FUNCTION CHARACTERISTICS
231
NVA100X-D - Manual - 02 - 2016
RESET
t
f
<<<
def
0T
TRIPPING MATRIX
(LED+RELAYS)
t
f
<<<
def
f<<<
Start
f<<<
Start
f<<<
Trip
f<<<
Trip
f<<<
Trip
BF Enable (ONEnable)
towards BF logic
&
f<<<
Block1
f<<<
BF
&
&
&
Enable (ONEnable)
From 4th element
Block1 input (ONBlock)
Block1
Block1
Binary input INx
T0
Logic
INx
t
ON
INx
t
ON
INx
t
OFF
T0
n.o.
n.c.
INx
t
OFF
&
(ON
Inhibit
)
f<<
inhibition
f<<disbyf<<<
&
(ON
Inhibit
)
f<
inhibition
f<disbyf<<<
(ONInhibit)
f<<<
inhibition
&
f
f
<<<
def
f
<<<
def
f
f<<<BF
Fun-F81U_S3.ai
f<<<
ST-K
f<<<
ST-L
f<<<
TR-K
f<<<
TR-L
f<<<BLK1
U
L1
,U
L2
,U
L3
Max (U
L1
,U
L2
,U
L3
)≥20%U
n
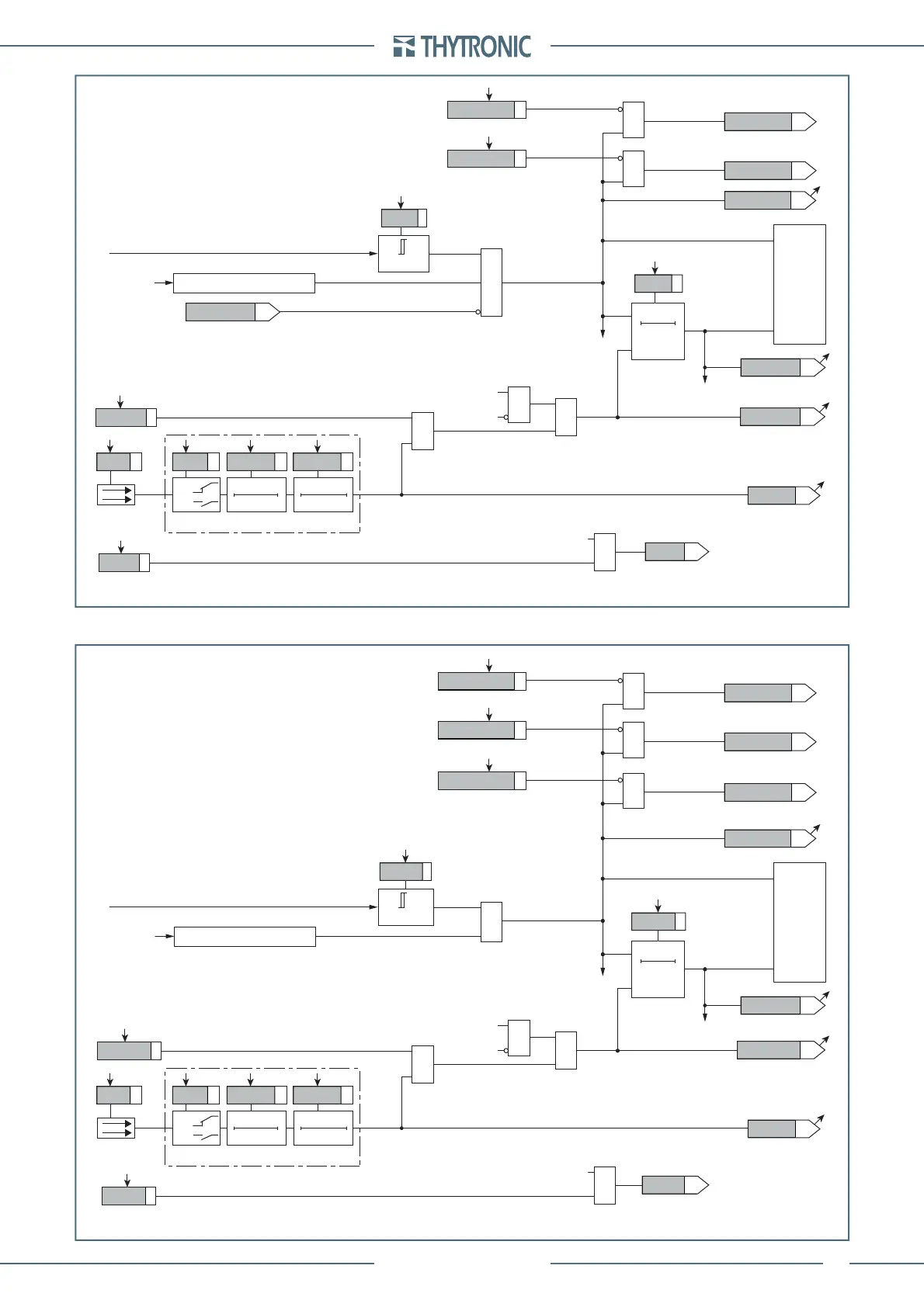
Logic diagram concerning the third threshold (f<<<) of the underfrequency element - 81U
RESET
t
f
<<<<
def
0T
TRIPPING MATRIX
(LED+RELAYS)
t
f
<<<<
def
f<<<<
Start
f<<<<
Start
f<<<<
Trip
f<<<<
Trip
f<<<<
Trip
BF Enable (ONEnable)
towards BF logic
&
f<<<<
Block1
f<<<<
BF
&
&
&
Enable (ONEnable)
Block1 input (ONBlock)
Block1
Block1
Binary input INx
T0
Logic
INx
t
ON
INx
t
ON
INx
t
OFF
T0
n.o.
n.c.
INx
t
OFF
&
(ON
Inhibit
)
f<<
inhibition
f<<disbyf<<<<
&
(ON
Inhibit
)
f<<<
inhibition
f<<<disbyf<<<<
&
(ON
Inhibit
)
f<
inhibition
f<disbyf<<<<
&
f
f
<<<<
def
f
<<<<
def
f
f<<<<BF
Fun-F81U_S4.ai
f<<<<
ST-K
f<<<<
ST-L
f<<<<
TR-K
f<<<<
TR-L
f<<<<BLK1
U
L1
,U
L2
,U
L3
Max (U
L1
,U
L2
,U
L3
)≥20%U
n
Logic diagram concerning the fourth threshold (f<<<<) of the underfrequency element - 81U

Table of Contents

Related product manuals