EasyManua.ls Logo

Thytronic Pro-N NVA100X-D - Page 247

Thytronic Pro-N NVA100X-D
376 pages
Print Icon
To Next Page IconTo Next Page
To Next Page IconTo Next Page
To Previous Page IconTo Previous Page
To Previous Page IconTo Previous Page
Loading...
FUNCTION CHARACTERISTICS
247
NVA100X-D - Manual - 02 - 2016
Fun-BF_Pro-n.ai
TRIPPING MATRIX
(LED+RELAYS)
Start BF
Start IBF>
Trip BF
Trip int-prot
&
&
&
&
Block1 input (ONBlock)
BLK1 BF
Trip Int/Ext
Block1
Start BF
ON
CB Closed
Start BF
Trip BF
Trip BF
Trip ProtExt
52a
&
Block1 enable (ONEnable)
BF-BLK1
Block1
52a
I
BF
>
Max I
L1L
...I
L3L
I
BF
>
I
L1L
I
L2L
I
L3L
I
EBF
>
I
E
I
EBF
>
I
E1
1
RESET
tBF
0T
t
BF
1
Binary input INx
T0
Logic
INx
t
ON
INx
t
ON
INx
t
OFF
T0
n.o.
n.c.
INx
t
OFF
Binary input INx
T0
Logic
INx
t
ON
INx
t
ON
INx
t
OFF
T0
n.o.
n.c.
INx
t
OFF
Binary input INx
T0
Logic
INx
t
ON
INx
t
ON
INx
t
OFF
T0
n.o.
n.c.
INx
t
OFF
52b
Binary input INx
T0
Logic
INx
t
ON
INx
t
ON
INx
t
OFF
T0
n.o.
n.c.
INx
t
OFF
52b
Start IEBF>
“0”
CB Input
CB Input OFF
CB Input ON
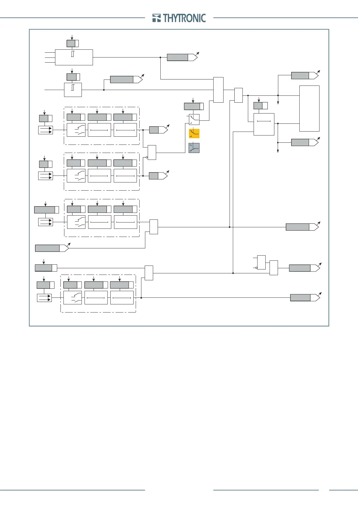
Logic diagram concerning the breaker failure element -BF

Table of Contents

Related product manuals